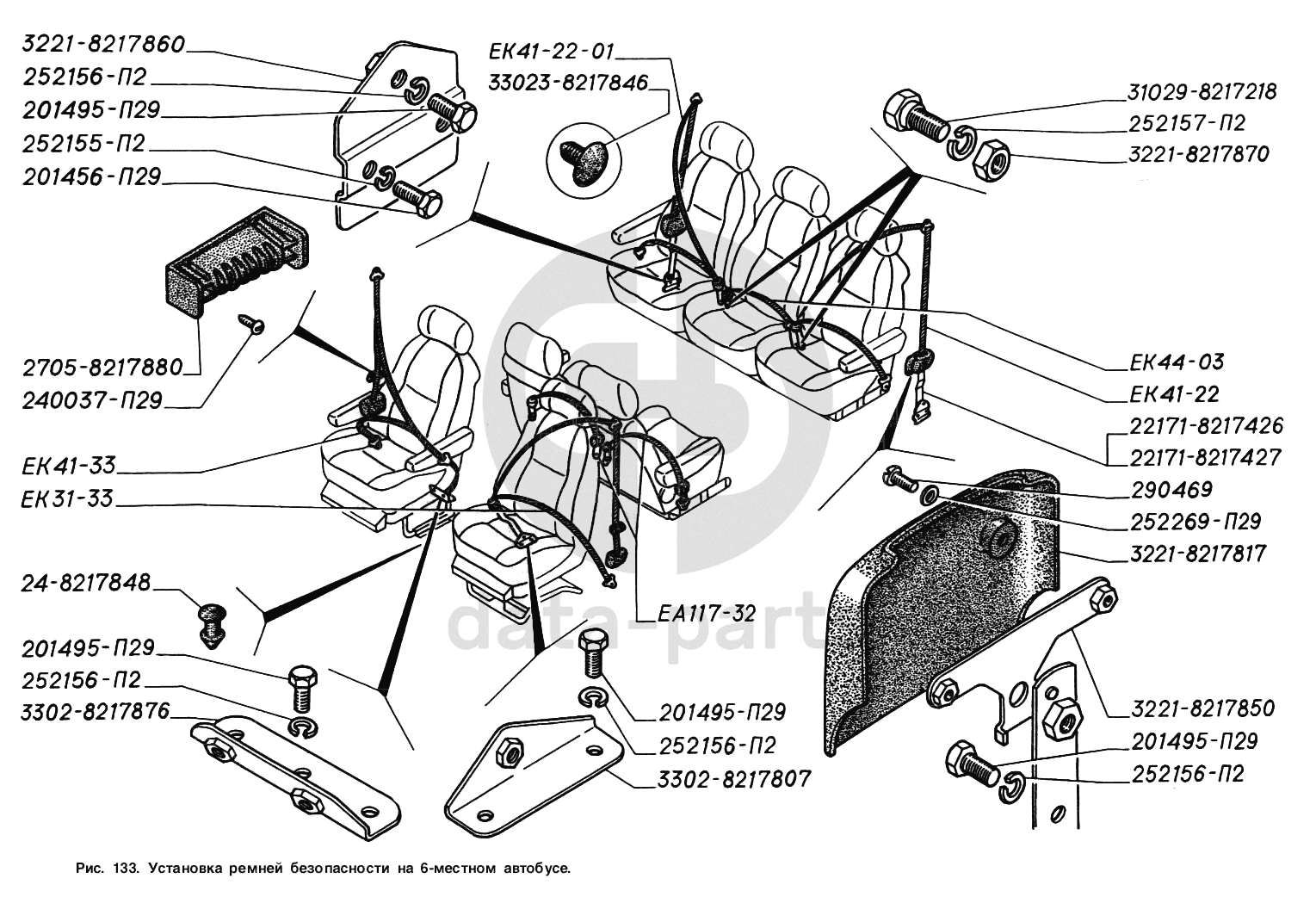
Установка ремней безопасности на 6-местном автобусе ГАЗ-2217 (Соболь)

None
201456-П29
Болт М8-6gх20 ОСТ 37.001.123-96
Кол-во
0
?
None
ЕК44-03
Ремень безопасности поясной (2217-8217022)
Кол-во
0
?
None
ЕК41-22-01
Ремень безопасности боковой правый (2217-8217020)
Кол-во
0
?
None
ЕК41-22
Ремень безопасности боковой левый (2217-8217019)
Кол-во
0
?
None
252156-П2
Шайба 10Л ОСТ 37.001.115-75
Кол-во
0
?
None
201495-П29
Болт М10-6gх20 ОСТ 37.001.123-96
Кол-во
0
?
None
240037-П29
Винт М5х16 ОСТ 37.001.187-81
Кол-во
0
?
None
252155-П2
Шайба 8Л ОСТ 37.001.115-75
Кол-во
0
?
None
252269-П29
Шайба 6 ОСТ 37.001.145-75
Кол-во
0
?
None
ЕК 41-33
Ремень безопасности правый (3302-8217014)
Кол-во
0
?
None
ЕК 31-33
Ремень безопасности левый (3302-8217015)
Кол-во
0
?
None
3302-8217876
Кронштейн центральный в сборе
Кол-во
0
?
None
22171-8217427
Стойка катушки заднего ряда левая
Кол-во
0
?
None
22171-8217426
Стойка катушки заднего ряда правая
Кол-во
0
?
None
290469
Винт М6-6hх14
Кол-во
0
?
None
2705-8217880
Направляющая лямки ремня безопасности
Кол-во
0
?
None
3221-8217870
Гайка крепления ремней безопасности
Кол-во
0
?
None
3221-8217860
Кронштейн крепления стойки
Кол-во
0
?
None
3221-8217850
Скоба крепления накладки
Кол-во
0
?
None
24-8217848
Пробка-заглушка
Кол-во
0
?
None
33023-8217846
Заглушка
Кол-во
0
?
None
3221-8217817
Накладка облицовочная
Кол-во
0
?
None
31029-8217218
Болт
Кол-во
0
?
None
ЕА117-32
Ремень безопасности поясной (3221-8217022)
Кол-во
0
?
None
252157-П2
Шайба 12Л ОСТ 37.001.115-75
Кол-во
0
?
None
3302-8217807
Кронштейн ремня безопасности левый
Кол-во
0
?
Есть готовая заявка? Отправьте ее нам!
Если у вас уже есть список необходимых запчастей, загрузите файл с ним или укажите артикулы и названия запчастей в поле Комментарий, а также оставьте свои контактные данные. В течение рабочего дня мы оценим вашу заявку и отправим вам коммерческое предложение.
Отдел продаж

Если у вас уже есть готовая заявка на запасные части, то просто прикрепите файл с ней либо в поле «Комментарии» напишите артикулы и названия необходимых вам запчастей и оставьте контактные данные.

В течение рабочего дня мы выполним расчёт по вашей заявке и направим вам коммерческое предложение.

Только один файл.
Ограничение 128 МБ.
Допустимые типы: txt, rtf, pdf, doc, docx, odt, ppt, pptx, odp, xls, xlsx, ods.
пример: 89511234567 или +79511324567
Отправляя форму вы подтверждаете согласие с политикой обработки персональных данных.