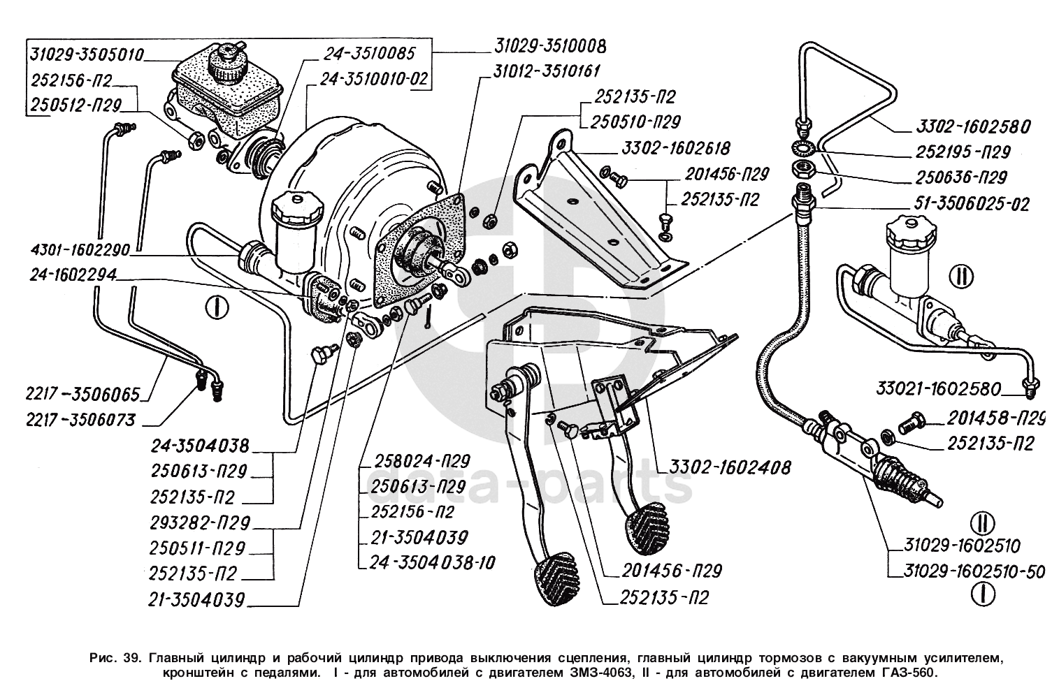
Главный цилиндр и рабочий цилиндр привода выключения сцепления, главный цилиндр тормозов с вакуумным усилителем, кронштейн с педалями: I - для автомобилей с двигателем ЗМЗ-4063, II - для автомобилей с двигателем ГАЗ-560 ГАЗ-2217 (Соболь)

None
24-1602294
Прокладка главного цилиндра выключения сцепления
Кол-во
0
?
None
250512-П29
Гайка М10-6Н ОСТ 37.001.124-93
Кол-во
0
?
В наличии
10 ₽
None
3302-1602580
Трубка
Кол-во
0
?
None
33021-1602580
Трубка
Кол-во
0
?
None
250636-П29
Гайка М16х1,5-6Н ОСТ 37.001.124-93
Кол-во
0
?
None
2217-3506073
Трубка от первичной полости главного цилиндра к шлангу
Кол-во
0
?
None
2217-3506065
Трубка от вторичной полости главного цилиндра к шлангу
Кол-во
0
?
None
250511-П29
Гайка М8х1-6Н ОСТ 37.001.124-93
Кол-во
0
?
None
51-3506025-02
Шланг гибкий тормозов в сборе
Кол-во
0
?
под заказ
цена по запросу
None
31029-1602510-50
Рабочий цилиндр привода выключения сцепления
Кол-во
0
?
под заказ
цена по запросу
под заказ
цена по запросу
В наличии
1 195 ₽
под заказ
цена по запросу
None
252135-П2
Шайба 8Т ОСТ 37.001.115-75
Кол-во
0
?
В наличии
4 ₽
None
201458-П29
Болт М8-6gх25 ОСТ 37.001.123-96
Кол-во
0
?
В наличии
10 ₽
None
252195-П29
Шайба 16 ОСТ 37.001.146-75
Кол-во
0
?
None
250510-П29
Гайка М8-6Н ОСТ 37.001.124-93
Кол-во
0
?
None
252156-П2
Шайба 10Л ОСТ 37.001.115-75
Кол-во
0
?
None
24-3504038-10
Ось толкателя педали
Кол-во
0
?
None
24-3504038
Ось толкателя педали
Кол-во
0
?
None
31012-3510161
Прокладка вакуумного усилителя
Кол-во
0
?
None
24-3510010-02
Вакуумный усилитель тормозов
Кол-во
0
?
None
31029-3505010
Цилиндр главный тормозов
Кол-во
0
?
под заказ
цена по запросу
под заказ
цена по запросу
None
3302-1602618
Распорка кронштейна педалей
Кол-во
0
?
None
4301-1602290
Главный цилиндр привода выключения сцепления
Кол-во
0
?
None
31029-3510008
Усилитель вакуумный с главным цилиндром тормозов
Кол-во
0
?
None
24-3510085
Кольцо уплотнительное крышки
Кол-во
0
?
None
31029-1602510
Цилиндр привода выключения сцепления
Кол-во
0
?
под заказ
цена по запросу
None
3302-1602408
Кронштейн с педалями в сборе
Кол-во
0
?
None
201456-П29
Болт М8-6gх20 ОСТ 37.001.123-96
Кол-во
0
?
None
250613-П29
Гайка 10х1-6Н
Кол-во
0
?
None
293282-П29
Шайба 8,4
Кол-во
0
?
None
21-3504039
Втулка оси толкателя
Кол-во
0
?
None
258024-П29
Шплинт 2,5х16 ОСТ 37.001.171-93
Кол-во
0
?
Есть готовая заявка? Отправьте ее нам!
Если у вас уже есть список необходимых запчастей, загрузите файл с ним или укажите артикулы и названия запчастей в поле Комментарий, а также оставьте свои контактные данные. В течение рабочего дня мы оценим вашу заявку и отправим вам коммерческое предложение.
Отдел продаж

Если у вас уже есть готовая заявка на запасные части, то просто прикрепите файл с ней либо в поле «Комментарии» напишите артикулы и названия необходимых вам запчастей и оставьте контактные данные.

В течение рабочего дня мы выполним расчёт по вашей заявке и направим вам коммерческое предложение.

Только один файл.
Ограничение 128 МБ.
Допустимые типы: txt, rtf, pdf, doc, docx, odt, ppt, pptx, odp, xls, xlsx, ods.
пример: 89511234567 или +79511324567
Отправляя форму вы подтверждаете согласие с политикой обработки персональных данных.