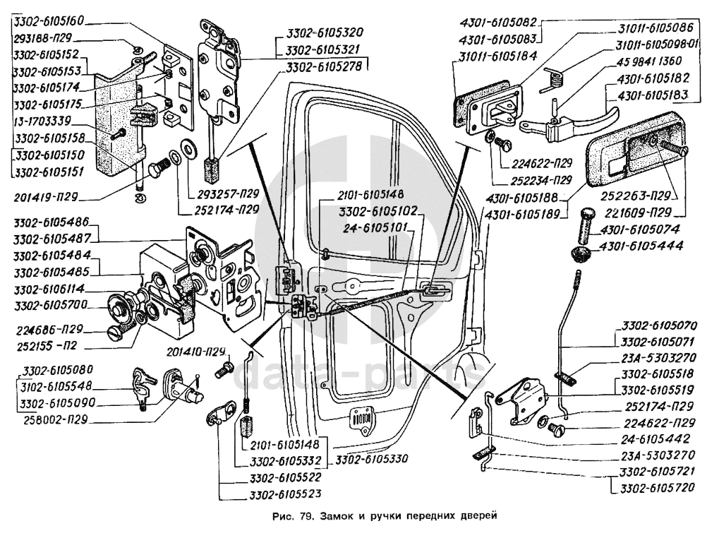
Замок и ручки передних дверей ГАЗ-2705 (ГАЗель)

None
4301-6105183
Ручка внутреннего привода левая
Кол-во
0
?
None
258002-П29
Шплинт 1,5х16
Кол-во
0
?
None
221609-П29
Винт М6-6gх25
Кол-во
0
?
None
4301-6105444
Втулка наконечника тяги выключения замка
Кол-во
0
?
None
4301-6105189
Розетка внутреннего привода левая
Кол-во
0
?
None
4301-6105074
Наконечник тяги выключения замка двери
Кол-во
0
?
None
293257-П29
Шайба 8
Кол-во
0
?
None
3302-6105523
Поводок кулачка с шаровым пальцем левый
Кол-во
0
?
None
3302-6105522
Поводок кулачка с шаровым пальцем правый
Кол-во
0
?
None
4301-6105188
Розетка внутреннего привода правая
Кол-во
0
?
None
13-1703339
Буфер
Кол-во
0
?
None
3302-6105175
Пружина наружной ручки двери левая
Кол-во
0
?
None
3302-6105174
Пружина наружной ручки двери правая
Кол-во
0
?
None
3302-6105160
Розетка наружной ручки двери
Кол-во
0
?
None
31011-6105184
Прокладка привода замка
Кол-во
0
?
None
31011-6105086
Основание привода замка двери
Кол-во
0
?
None
4301-6105182
Ручка внутреннего привода правая
Кол-во
0
?
None
4301-6105083
Привод замка двери внутренний левый
Кол-во
0
?
В наличии
405 ₽
None
3302-6105484
Запорный механизм замка правый
Кол-во
0
?
None
3102-6105548
Ключи замка двери с кольцом
Кол-во
0
?
None
3302-6105278
Наконечник тяги
Кол-во
0
?
None
3302-6105700
Шайба 12,4
Кол-во
0
?
None
3302-6106114
Шип фиксатора двери
Кол-во
0
?
None
24-6105101
Чехол тяги
Кол-во
0
?
None
4301-6105082
Привод замка двери внутренний правый
Кол-во
0
?
В наличии
290 ₽
None
252155-П2
Шайба 8Л ОСТ 37.001.115-75
Кол-во
0
?
None
2101-6105148
Наконечник тяги выключения замка двери
Кол-во
0
?
None
24-6105442
Зажим тяги
Кол-во
0
?
None
45 9841 1360
Штифт 4х20
Кол-во
0
?
None
3302-6105158
Ось наружной ручки
Кол-во
0
?
None
293188-П29
Шайба 5,2 ГОСТ 11648-75
Кол-во
0
?
None
3302-6105332
Тяга выключения привода замка
Кол-во
0
?
None
3302-6105330
Тяга выключения привода замка в сборе
Кол-во
0
?
None
3302-6105102
Тяга привода замка
Кол-во
0
?
None
3302-6105720
Тяга выключения замка промежуточная правая
Кол-во
0
?
None
224686-П29
Винт М8х1,25-6gх25
Кол-во
0
?
None
3302-6105485
Запорный механизм замка левый
Кол-во
0
?
None
3302-6105070
Тяга выключения замка двери правая
Кол-во
0
?
None
3302-6105071
Тяга выключения замка двери левая
Кол-во
0
?
None
3302-6105080
Выключатель замка с ключами
Кол-во
0
?
None
3302-6105090
Выключатель замка двери
Кол-во
0
?
None
31011-6105098-01
Пружина привода
Кол-во
0
?
None
3302-6105518
Рычаг тяг выключения замка двери правый
Кол-во
0
?
None
3302-6105519
Рычаг тяг выключения замка двери левый
Кол-во
0
?
None
3302-6105721
Тяга выключения замка промежуточная левая
Кол-во
0
?
None
3302-6105486
Рычажный механизм замка двери правый
Кол-во
0
?
None
252234-П29
Шайба 2-6 ОСТ 37.001.146-75
Кол-во
0
?
None
23А-5303270
Зажим тяги
Кол-во
0
?
None
252263-П29
Шайба 2-6 ОСТ 37.001.147-75
Кол-во
0
?
None
224622-П29
Винт М6-6gх10 ОСТ 37.001.130-81
Кол-во
0
?
None
252174-П29
Шайба 2-6 ОСТ 37.001.145-75
Кол-во
0
?
None
201419-П29
Болт М6-6gх18 ОСТ 37.001.123-96
Кол-во
0
?
None
3302-6105321
Кронштейн рычага привода наружной ручки двери левый
Кол-во
0
?
None
3302-6105320
Кронштейн рычага привода наружной ручки двери правый
Кол-во
0
?
None
3302-6105151
Ручка двери наружная левая в сборе
Кол-во
0
?
В наличии
350 ₽
None
3302-6105150
Ручка двери наружная правая в сборе
Кол-во
0
?
В наличии
350 ₽
под заказ
цена по запросу
None
3302-6105153
Ручка наружная левая
Кол-во
0
?
None
3302-6105152
Ручка наружная правая
Кол-во
0
?
None
3302-6105487
Рычажный механизм замка двери левый
Кол-во
0
?
В наличии
570 ₽
None
201410-П29
Болт М14х1,5-4hх85
Кол-во
0
?
Есть готовая заявка? Отправьте ее нам!
Если у вас уже есть список необходимых запчастей, загрузите файл с ним или укажите артикулы и названия запчастей в поле Комментарий, а также оставьте свои контактные данные. В течение рабочего дня мы оценим вашу заявку и отправим вам коммерческое предложение.
Отдел продаж

Если у вас уже есть готовая заявка на запасные части, то просто прикрепите файл с ней либо в поле «Комментарии» напишите артикулы и названия необходимых вам запчастей и оставьте контактные данные.

В течение рабочего дня мы выполним расчёт по вашей заявке и направим вам коммерческое предложение.

Только один файл.
Ограничение 128 МБ.
Допустимые типы: txt, rtf, pdf, doc, docx, odt, ppt, pptx, odp, xls, xlsx, ods.
пример: 89511234567 или +79511324567
Отправляя форму вы подтверждаете согласие с политикой обработки персональных данных.