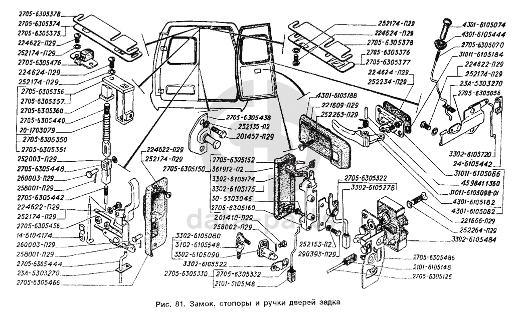
Замок, стопоры и ручки дверей задка ГАЗ-2705 (ГАЗель)

None
20-1703079
Пружина
Кол-во
0
?
None
31011-6105086
Основание привода замка двери
Кол-во
0
?
None
31011-6105184
Прокладка привода замка
Кол-во
0
?
None
30-5303045
Буфер
Кол-во
0
?
None
258002-П29
Шплинт 1,5х16
Кол-во
0
?
None
221609-П29
Винт М6-6gх25
Кол-во
0
?
None
4301-6105444
Втулка наконечника тяги выключения замка
Кол-во
0
?
None
4301-6105074
Наконечник тяги выключения замка двери
Кол-во
0
?
None
3302-6105522
Поводок кулачка с шаровым пальцем правый
Кол-во
0
?
None
4301-6105188
Розетка внутреннего привода правая
Кол-во
0
?
None
3302-6105175
Пружина наружной ручки двери левая
Кол-во
0
?
None
3302-6105174
Пружина наружной ручки двери правая
Кол-во
0
?
None
252234-П29
Шайба 2-6 ОСТ 37.001.146-75
Кол-во
0
?
None
224624-П29
Винт М6-6gх14 ОСТ 37.001.130-81
Кол-во
0
?
None
23А-5303270
Зажим тяги
Кол-во
0
?
None
252263-П29
Шайба 2-6 ОСТ 37.001.147-75
Кол-во
0
?
None
45 9841 1360
Штифт 4х20
Кол-во
0
?
None
24-6105442
Зажим тяги
Кол-во
0
?
None
2101-6105148
Наконечник тяги выключения замка двери
Кол-во
0
?
None
260003-П29
Палец 5х18 ОСТ 37.001.163-97
Кол-во
0
?
None
4301-6105182
Ручка внутреннего привода правая
Кол-во
0
?
None
221666-П29
Винт М6-6gх25
Кол-во
0
?
None
3302-6105484
Запорный механизм замка правый
Кол-во
0
?
None
3102-6105548
Ключи замка двери с кольцом
Кол-во
0
?
None
2705-6305486
Механизм замка боковой и задней дверей рычажный
Кол-во
0
?
В наличии
585 ₽
None
3302-6105278
Наконечник тяги
Кол-во
0
?
None
2705-6305160
Розетка наружной ручки двери
Кол-во
0
?
None
2705-6305152
Ручка двери наружная
Кол-во
0
?
None
2705-6305150
Ручка двери наружная в сборе
Кол-во
0
?
В наличии
250 ₽
В наличии
285 ₽
None
252264-П29
Шайба 2-8 ОСТ 37.001.147-75
Кол-во
0
?
None
4301-6105082
Привод замка двери внутренний правый
Кол-во
0
?
В наличии
290 ₽
None
290393-П29
Болт М5-6gх12
Кол-во
0
?
None
361912-02
Штифт 3х12
Кол-во
0
?
None
252135-П2
Шайба 8Т ОСТ 37.001.115-75
Кол-во
0
?
В наличии
4 ₽
None
224622-П29
Винт М6-6gх10 ОСТ 37.001.130-81
Кол-во
0
?
None
252174-П29
Шайба 2-6 ОСТ 37.001.145-75
Кол-во
0
?
None
258001-П29
Шплинт 1,6х12 ОСТ 37.001.171-93
Кол-во
0
?
None
2705-6305375
Защелка стопора левой двери задка нижняя
Кол-во
0
?
None
2705-6305374
Защелка стопора левой двери задка верхняя
Кол-во
0
?
None
14-6104174
Зажим тяги
Кол-во
0
?
None
2705-6305476
Ограничитель вертикального перемещения
Кол-во
0
?
None
2705-6305438
Защелка замка двери задка
Кол-во
0
?
None
2705-6305351
Стопор двери задка левый
Кол-во
0
?
None
2705-6305350
Стопор двери задка правый
Кол-во
0
?
None
2705-6305330
Тяга выключения привода замка с наконечником
Кол-во
0
?
None
2705-6305322
Кронштейн рычага привода наружной ручки двери
Кол-во
0
?
None
252174-П2
Шайба 6Л
Кол-во
0
?
None
201457-П29
Болт М8-6gх22 ОСТ 37.001.123-96
Кол-во
0
?
None
252003-П29
Шайба 5 ОСТ 37.001.144-96
Кол-во
0
?
В наличии
3 ₽
None
3302-6105080
Выключатель замка с ключами
Кол-во
0
?
None
3302-6105090
Выключатель замка двери
Кол-во
0
?
None
31011-6105098-01
Пружина привода
Кол-во
0
?
None
2705-6305376
Защелка стопора правой двери задка верхняя
Кол-во
0
?
None
2705-6305377
Защелка стопора правой двери задка нижняя
Кол-во
0
?
None
2705-6305378
Пластина регулировочная
Кол-во
0
?
None
252153-П2
Шайба 5Л ОСТ 37.001.115-75
Кол-во
0
?
None
2705-6305360
Ползун стопора
Кол-во
0
?
None
2705-6305056
Рычаг тяг выключения замка двери задка
Кол-во
0
?
None
2705-6305126
Тяга внутреннего привода
Кол-во
0
?
None
2705-6305070
Тяга выключения замка двери задка
Кол-во
0
?
None
3302-6105720
Тяга выключения замка промежуточная правая
Кол-во
0
?
None
2705-6305332
Тяга выключения привода замка
Кол-во
0
?
None
2705-6305356
Корпус стопора правый
Кол-во
0
?
None
2705-6305357
Корпус стопора левый
Кол-во
0
?
None
2705-6305448
Наконечник тяги
Кол-во
0
?
None
2705-6305466
Основание привода стопора левой двери задка
Кол-во
0
?
None
2705-6305456
Привод стопора левой двери задка с ручкой
Кол-во
0
?
None
2705-6305442
Тяга привода стопора на приводе верхняя
Кол-во
0
?
None
2705-6305444
Тяга привода стопора на приводе нижняя
Кол-во
0
?
None
2705-6305440
Тяга привода стопора на стопоре двери
Кол-во
0
?
None
201410-П29
Болт М14х1,5-4hх85
Кол-во
0
?
Есть готовая заявка? Отправьте ее нам!
Если у вас уже есть список необходимых запчастей, загрузите файл с ним или укажите артикулы и названия запчастей в поле Комментарий, а также оставьте свои контактные данные. В течение рабочего дня мы оценим вашу заявку и отправим вам коммерческое предложение.
Отдел продаж

Если у вас уже есть готовая заявка на запасные части, то просто прикрепите файл с ней либо в поле «Комментарии» напишите артикулы и названия необходимых вам запчастей и оставьте контактные данные.

В течение рабочего дня мы выполним расчёт по вашей заявке и направим вам коммерческое предложение.

Только один файл.
Ограничение 128 МБ.
Допустимые типы: txt, rtf, pdf, doc, docx, odt, ppt, pptx, odp, xls, xlsx, ods.
пример: 89511234567 или +79511324567
Отправляя форму вы подтверждаете согласие с политикой обработки персональных данных.