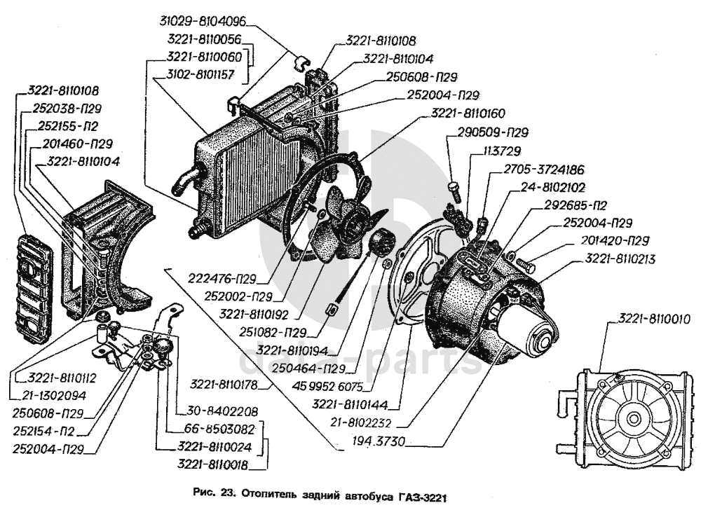
Отопитель задний автобуса ГАЗ-3221 ГАЗ-2705 (ГАЗель)

None
201420-П29
Болт М6-6gх20 ОСТ 37.001.123-96
Кол-во
0
?
None
252002-П29
Шайба 4 ОСТ 37.001.144-96
Кол-во
0
?
None
194.3730
Электродвигатель вентилятора заднего отопителя
Кол-во
0
?
None
252004-П29
Шайба 6 ОСТ 37.001.144-96
Кол-во
0
?
None
251082-П29
Гайка М4-6Н ОСТ 37.001.112-91
Кол-во
0
?
None
250608-П29
Гайка М6-6Н ОСТ 37.001.124-93
Кол-во
0
?
None
252154-П29
Шайба 6Л ОСТ 37.001.115-75
Кол-во
0
?
None
31029-8104096
Скоба переходников отопителя
Кол-во
0
?
None
66-8503082
Буфер
Кол-во
0
?
None
45 9952 6075
Шайба 5,2
Кол-во
0
?
None
21-8102232
Прокладка электродвигателя вентилятора
Кол-во
0
?
None
292685-П2
Гайка М6
Кол-во
0
?
None
290509-П29
Болт М6-6gх25
Кол-во
0
?
None
24-8102102
Прокладка сопротивления
Кол-во
0
?
None
30-8402208
Буфер
Кол-во
0
?
под заказ
цена по запросу
None
252155-П29
Шайба пружинная 8
Кол-во
0
?
None
201460-П29
Болт М8-6gх30 ОСТ 37.001.123-96
Кол-во
0
?
None
21-1302094
Прокладка крепления кронштейна
Кол-во
0
?
None
3221-8110010
Отопитель задний
Кол-во
0
?
None
3221-8110144
Фланец электродвигателя
Кол-во
0
?
None
222476-П29
Винт М4-6gх20 ОСТ 37.001.128-96
Кол-во
0
?
None
252038-П29
Шайба 8 ОСТ 37.001.144-96
Кол-во
0
?
В наличии
2 ₽
None
3102-8101157
Прокладка радиатора отопителя
Кол-во
0
?
None
3221-8110178
Электродвигатель с вентилятором заднего отопителя
Кол-во
0
?
None
11.3729
Сопротивление в электроцепи отопителя (11.3729000)
Кол-во
0
?
None
3221-8110056
Радиатор заднего отопителя с прокладкой
Кол-во
0
?
None
3221-8110060
Радиатор заднего отопителя
Кол-во
0
?
None
3221-8110160
Прокладка фланца
Кол-во
0
?
None
3221-8110108
Крышка кожуха
Кол-во
0
?
None
3221-8110018
Кронштейн заднего отопителя в сборе
Кол-во
0
?
None
3221-8110024
Кронштейн заднего отопителя
Кол-во
0
?
None
3221-8110104
Кожух радиатора
Кол-во
0
?
None
2705-3724186
Жгут 186
Кол-во
0
?
None
250464-П29
Гайка М5-6Н ОСТ 37.001.124-93
Кол-во
0
?
None
3221-8110192
Вентилятор
Кол-во
0
?
None
3221-8110194
Зажим вентилятора
Кол-во
0
?
None
3221-8110213
Колпак воздуховода
Кол-во
0
?
None
3221-8110112
Втулка распорная
Кол-во
0
?
Есть готовая заявка? Отправьте ее нам!
Если у вас уже есть список необходимых запчастей, загрузите файл с ним или укажите артикулы и названия запчастей в поле Комментарий, а также оставьте свои контактные данные. В течение рабочего дня мы оценим вашу заявку и отправим вам коммерческое предложение.
Отдел продаж

Если у вас уже есть готовая заявка на запасные части, то просто прикрепите файл с ней либо в поле «Комментарии» напишите артикулы и названия необходимых вам запчастей и оставьте контактные данные.

В течение рабочего дня мы выполним расчёт по вашей заявке и направим вам коммерческое предложение.

Только один файл.
Ограничение 128 МБ.
Допустимые типы: txt, rtf, pdf, doc, docx, odt, ppt, pptx, odp, xls, xlsx, ods.
пример: 89511234567 или +79511324567
Отправляя форму вы подтверждаете согласие с политикой обработки персональных данных.