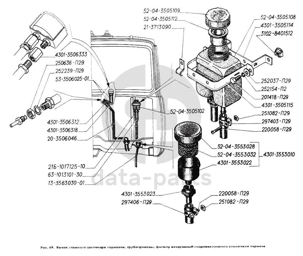
Бачок главного цилиндра тормозов, трубопроводы, фильтр воздушный гидровакуумного усилителя тормоза ГАЗ-4301

None
3102-8401512
Держатель гайки в сборе
Кол-во
0
?
None
252154-П2
Шайба 6Л ОСТ 37.001.115-75
Кол-во
0
?
None
52-04-3505112
Чехол защитный
Кол-во
0
?
None
52-04-3505109
Крышка бачка главного цилиндра тормозов
Кол-во
0
?
None
4301-3553010
Фильтр воздушный гидровакуумного усилителя тормозов в сборе
Кол-во
0
?
None
52-04-3553032
Элемент фильтрующий
Кол-во
0
?
None
52-04-3553028
Крышка воздушного фильтра гидровакуумного усилителя тормозов
Кол-во
0
?
None
21-3713090
Скоба
Кол-во
0
?
None
297406-П29
Хомут 20
Кол-во
0
?
None
252239-П29
Шайба 2-16 ОСТ 37.001.146-75
Кол-во
0
?
None
251082-П29
Гайка М4-6Н ОСТ 37.001.112-91
Кол-во
0
?
None
201418-П29
Болт М6-6gх16 ОСТ 37.001.123-96
Кол-во
0
?
None
220058-П29
Винт М4-6gх25 ОСТ 37.001.127-81
Кол-во
0
?
None
63-1013101-30
Шланг от тройника к редукционному клапану
Кол-во
0
?
None
4301-3553022
Корпус фильтра
Кол-во
0
?
None
13-3563030-01
Рукав с нитяным усилением
Кол-во
0
?
None
21Б-1017125-10
Шланг подогрева дросселя
Кол-во
0
?
None
297403-П29
Хомут 14
Кол-во
0
?
None
4301-3553023
Гайка крепления воздушного фильтра
Кол-во
0
?
None
4301-3506333
Переходник
Кол-во
0
?
None
4301-3505115
Хомут
Кол-во
0
?
None
4301-3506318
Трубка
Кол-во
0
?
None
4301-3506312
Трубка
Кол-во
0
?
None
4301-3505114
Кронштейн
Кол-во
0
?
None
52-04-3505102
Бачок главного цилиндра тормозов
Кол-во
0
?
None
52-04-3505108
Бачок
Кол-во
0
?
None
252037-П29
Шайба 6 ОСТ 37.001.144-96
Кол-во
0
?
None
20-3506046
Втулка защитная
Кол-во
0
?
None
250636-П29
Гайка М16х1,5-6Н ОСТ 37.001.124-93
Кол-во
0
?
None
53-3506025-01
Шланг гибкий
Кол-во
0
?
Есть готовая заявка? Отправьте ее нам!
Если у вас уже есть список необходимых запчастей, загрузите файл с ним или укажите артикулы и названия запчастей в поле Комментарий, а также оставьте свои контактные данные. В течение рабочего дня мы оценим вашу заявку и отправим вам коммерческое предложение.
Отдел продаж

Если у вас уже есть готовая заявка на запасные части, то просто прикрепите файл с ней либо в поле «Комментарии» напишите артикулы и названия необходимых вам запчастей и оставьте контактные данные.

В течение рабочего дня мы выполним расчёт по вашей заявке и направим вам коммерческое предложение.

Только один файл.
Ограничение 128 МБ.
Допустимые типы: txt, rtf, pdf, doc, docx, odt, ppt, pptx, odp, xls, xlsx, ods.
пример: 89511234567 или +79511324567
Отправляя форму вы подтверждаете согласие с политикой обработки персональных данных.