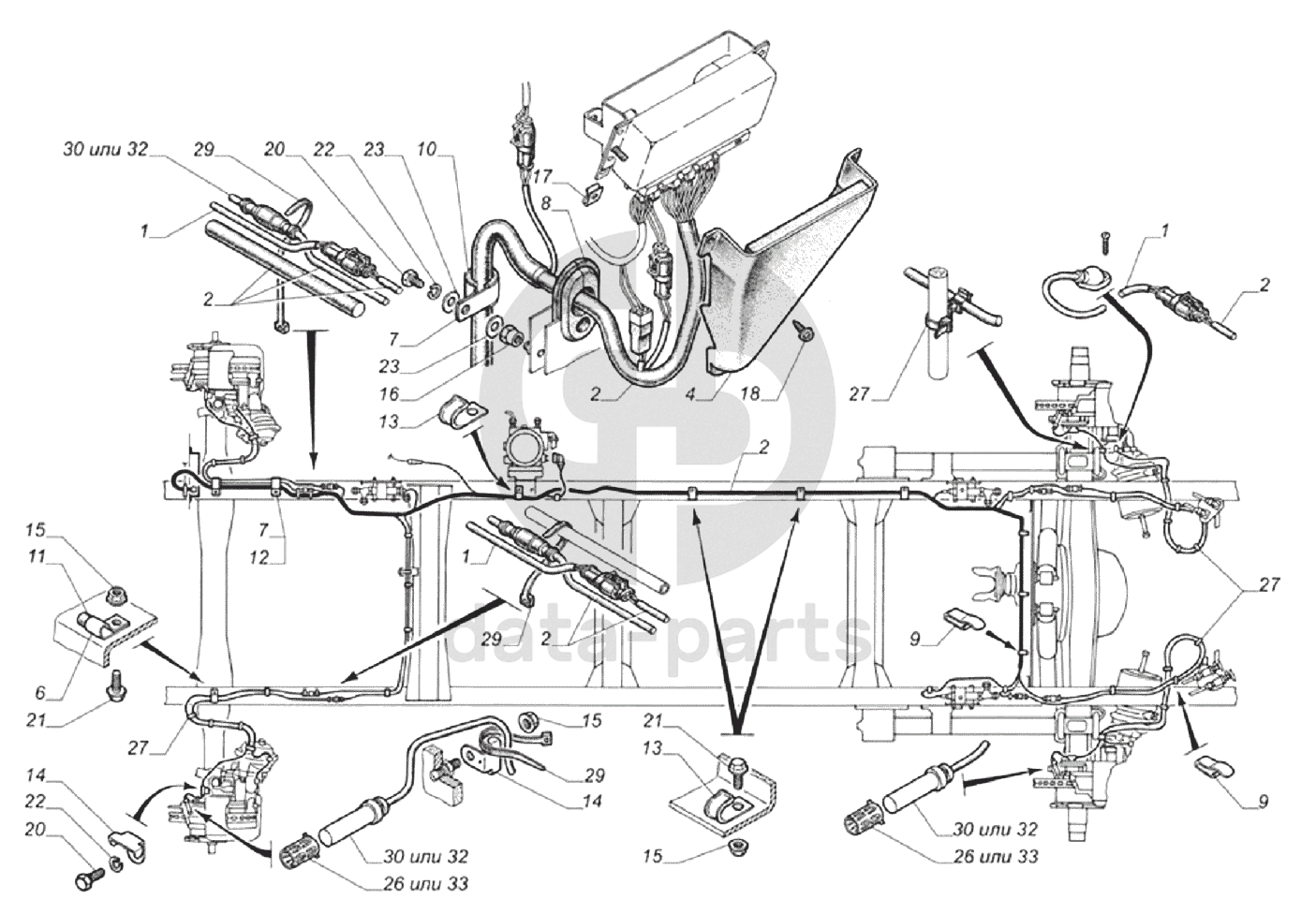
Установка жгутов и датчиков АБС 33104-3862001 ГАЗ-33106 Евро 3

1
33104-3862122
Кабель с разъемом и колодкой к дисковому тормозу
Кол-во
4
?
2
33104-3862150
Жгут АБС
Кол-во
1
?
4
3310-3862060
Кожух с изоляцией
Кол-во
1
?
6
69Ю-3506050
Хомут крепления трубки к заднему мосту
Кол-во
1
?
7
51-3724073-Б
Скоба крепления проводов
Кол-во
4
?
8
4301-3724083
Уплотнитель
Кол-во
1
?
9
53-12-3724093
Скоба крепления проводов к раме
Кол-во
12
?
10
13-03-3724250
Прокладка уплотнительная на правом и левом брызговиках
Кол-во
1
?
11
66-3724250
Прокладка уплотнительная
Кол-во
1
?
12
5903-3724725
Прокладка
Кол-во
3
?
13
20-3802041
Скоба
Кол-во
5
?
14
33104-3862276
Поддержка кабеля
Кол-во
7
?
15
45 9953 1819
Гайка М8
Кол-во
11
?
16
292754-П29
Гайка М8-5Н6Н
Кол-во
1
?
17
3302-5325316
Гайка
Кол-во
2
?
В наличии
9 ₽
18
3302-5325400
Винт самонарезающий для металла и пластмассы
Кол-во
2
?
под заказ
цена по запросу
20
201452-П29
Болт М8-6gх12 ОСТ 37.001.123-96
Кол-во
3
?
21
45 9376 1119
Болт М8-6gх20 крепления регулятора давления тормозов к кронштейну и кронштейна регулятора давления тормозов к кузову
Кол-во
6
?
22
252155-П2
Шайба 8Л ОСТ 37.001.115-75
Кол-во
3
?
23
252005-П29
Шайба 8 ОСТ 37.001.144-96
Кол-во
2
?
26
II16774
Втулка обжимная
Кол-во
4
?
27
081588.800.070
Поясок
Кол-во
18
?
29
4-160997-2
Поясок
Кол-во
27
?
30
0486001066
Датчик АБС прямой
Кол-во
4
?
32
АДЮИ.407111.007
Датчик частоты вращения колеса ДЧВК
Кол-во
4
?
33
АДЮИ.753621.002
Пружина
Кол-во
4
?
Есть готовая заявка? Отправьте ее нам!
Если у вас уже есть список необходимых запчастей, загрузите файл с ним или укажите артикулы и названия запчастей в поле Комментарий, а также оставьте свои контактные данные. В течение рабочего дня мы оценим вашу заявку и отправим вам коммерческое предложение.
Отдел продаж

Если у вас уже есть готовая заявка на запасные части, то просто прикрепите файл с ней либо в поле «Комментарии» напишите артикулы и названия необходимых вам запчастей и оставьте контактные данные.

В течение рабочего дня мы выполним расчёт по вашей заявке и направим вам коммерческое предложение.

Только один файл.
Ограничение 128 МБ.
Допустимые типы: txt, rtf, pdf, doc, docx, odt, ppt, pptx, odp, xls, xlsx, ods.
пример: 89511234567 или +79511324567
Отправляя форму вы подтверждаете согласие с политикой обработки персональных данных.