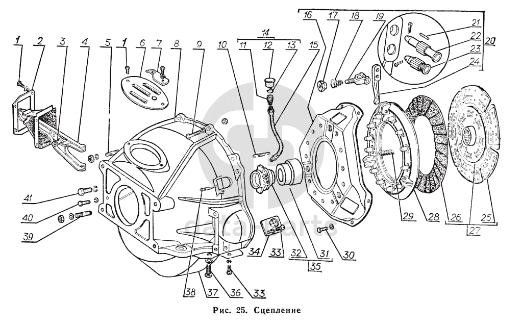
Сцепление ГАЗ-66

1
201416-П8
Болт М6-6gх12
Кол-во
6
?
2
52-1601048
Рамка чехла вилки подшипника выключения сцепления
Кол-во
1
?
3
11-7576
Опора шаровая вилки подшипника выключения сцепления
Кол-во
1
?
4
52-1601201
Вилка подшипника выключения сцепления с чехлом в сборе
Кол-во
1
?
5
216257-П8
Шпилька М10х1-4hх22
Кол-во
1
?
6
52-1601022
Крышка люка картера сцепления
Кол-во
1
?
7
52-1601260-А
Кронштейн масленки муфты выключения сцепления в сборе
Кол-во
1
?
8
66-1601015-11
Картер сцепления, верхняя часть
Кол-во
1
?
9
291498-П8
Болт М10-6gх45
Кол-во
4
?
10
11-7562
Пружина оттяжная муфты подшипника выключения сцепления
Кол-во
1
?
11
51-1601252
Корпус масленки подшипника выключения сцепления в сборе
Кол-во
1
?
12
М-7559
Крышка масленки
Кол-во
1
?
13
М-7553
Пружина стопорная крышки масленки подшипника выключения сцепления
Кол-во
1
?
14
51-1601250
Масленка в сборе
Кол-во
1
?
15
52-1601230
Шланг смазки подшипника выключения сцепления в сборе
Кол-во
1
?
16
53-1601125-02
Кожух сцепления
Кол-во
1
?
17
53-1601178
Гайка регулировочная
Кол-во
3
?
18
53-1601105-А
Пружина вилки оттяжного рычага
Кол-во
3
?
19
53-1601108
Вилка опорная оттяжного рычага нажимного диска сцепления
Кол-во
3
?
20
53-1601090-10
Нажимной диск сцепления с кожухом в сборе
Кол-во
1
?
21
53-1601109
Ролик игольчатый подшипника оттяжного рычага нажимного диска сцепления 1,6х11,8
Кол-во
114
?
22
53-1601110
Палец игольчатого подшипника оттяжного рычага нажимного диска сцепления
Кол-во
3
?
23
53-1601112
Палец вилки
Кол-во
3
?
24
53-1601095-А
Рычаг оттяжной нажимного диска сцепления
Кол-во
3
?
25
53-1601135-01
Пластина пружинная фрикционной накладки ведомого диска сцепления
Кол-во
6
?
26
53-1601138-20
Накладка фрикционная ведомого диска сцепления
Кол-во
2
?
27
53-1601130-12
Диск сцепления ведомый в сборе
Кол-во
1
?
28
53-1601093
Диск сцепления нажимной
Кол-во
1
?
29
53А-1601115
Пружина
Кол-во
12
?
30
290656-П2
Болт М8х1,25х30
Кол-во
6
?
31
588911
Подшипник в сборе (М-7580)
Кол-во
1
?
32
53-11-1601185
Муфта выключения сцепления
Кол-во
1
?
33
220101-П8
Винт М6-6gх8
Кол-во
1
?
34
66-1601035-20
Крышка люка установки зажигания
Кол-во
1
?
35
52-1601180
Муфта выключения сцепления в сборе
Кол-во
1
?
36
201454-П8
Болт М8-6gх16
Кол-во
3
?
37
66-1601018
Картер сцепления, нижняя часть
Кол-во
1
?
38
295350-П8
Штифт установки зажигания
Кол-во
1
?
39
216298-П2
Шпилька М14х1,5-4hх32
Кол-во
4
?
40
201521-П8
Болт М10х1-6gх32
Кол-во
1
?
41
291506-П8
Болт М10-6gх125
Кол-во
1
?
Есть готовая заявка? Отправьте ее нам!
Если у вас уже есть список необходимых запчастей, загрузите файл с ним или укажите артикулы и названия запчастей в поле Комментарий, а также оставьте свои контактные данные. В течение рабочего дня мы оценим вашу заявку и отправим вам коммерческое предложение.
Отдел продаж

Если у вас уже есть готовая заявка на запасные части, то просто прикрепите файл с ней либо в поле «Комментарии» напишите артикулы и названия необходимых вам запчастей и оставьте контактные данные.

В течение рабочего дня мы выполним расчёт по вашей заявке и направим вам коммерческое предложение.

Только один файл.
Ограничение 128 МБ.
Допустимые типы: txt, rtf, pdf, doc, docx, odt, ppt, pptx, odp, xls, xlsx, ods.
пример: 89511234567 или +79511324567
Отправляя форму вы подтверждаете согласие с политикой обработки персональных данных.