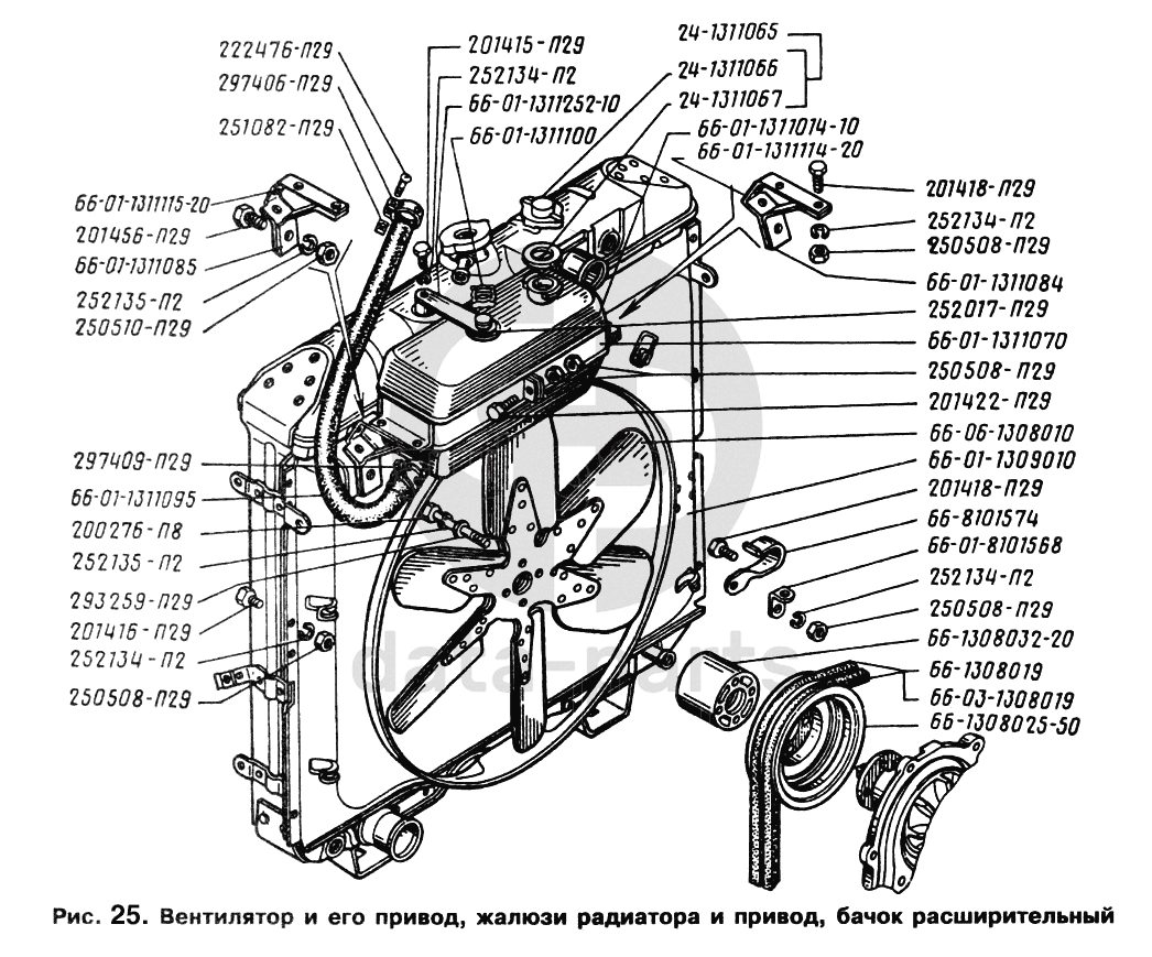
Вентилятор и его привод, жалюзи радиатора и привод, бачок расширительный ГАЗ-66

None
252135-П29
Шайба 8Т
Кол-во
0
?
None
66-01-1311014-10
Бачок расширительный
Кол-во
0
?
None
293259-П29
Шайба 8,5
Кол-во
0
?
None
252017-П29
Шайба 16 ОСТ 37.001.144-96
Кол-во
0
?
None
201415-П29
Болт М6-6gх10 ОСТ 37.001.123-96
Кол-во
0
?
None
200276-П8
Болт М8-6gх85
Кол-во
0
?
None
250508-П29
Гайка М6-6Н ОСТ 37.001.124-93
Кол-во
0
?
None
201422-П29
Болт М6-6gх25 ОСТ 37.001.123-96
Кол-во
0
?
None
24-1311065
Пробка расширительного бачка в сборе
Кол-во
0
?
None
24-1311066
Корпус пробки расширительного бачка
Кол-во
0
?
None
24-1311067
Клапан пробки расширительного бачка
Кол-во
0
?
None
201416-П29
Болт М6-6gх12 ОСТ 37.001.123-96
Кол-во
0
?
В наличии
5 ₽
None
297406-П29
Хомут 20
Кол-во
0
?
None
297409-П29
Хомут 24
Кол-во
0
?
None
251082-П29
Гайка М4-6Н ОСТ 37.001.112-91
Кол-во
0
?
None
201418-П29
Болт М6-6gх16 ОСТ 37.001.123-96
Кол-во
0
?
None
252134-П29
Шайба 6
Кол-во
0
?
None
66-01-1309010
Кожух в сборе
Кол-во
0
?
None
66-1308032-20
Кольцо распорное
Кол-во
0
?
None
66-01-1311100
Гайка
Кол-во
0
?
None
222476-П29
Винт М4-6gх20 ОСТ 37.001.128-96
Кол-во
0
?
None
201456-П29
Болт М8-6gх20 ОСТ 37.001.123-96
Кол-во
0
?
None
66-8101574
Скоба крепления выпускного шланга
Кол-во
0
?
None
66-01-8101568
Держатель тяги сливного краника отопителя
Кол-во
0
?
None
66-1308019
Ремень привода вентилятора (комплект)
Кол-во
0
?
None
66-06-1308010
Вентилятор в сборе
Кол-во
0
?
None
66-1308025-50
Шкив привода вентилятора
Кол-во
0
?
None
66-01-1311070
Хомут в сборе
Кол-во
0
?
None
66-01-1311095
Трубка к радиатору
Кол-во
0
?
None
66-01-1311252-10
Стяжка
Кол-во
0
?
None
66-03-1308019
Ремень привода вентилятора (комплект)
Кол-во
0
?
None
66-01-1311085
Растяжка
Кол-во
0
?
None
66-01-1311084
Растяжка
Кол-во
0
?
None
66-01-13111115-20
Кронштейн
Кол-во
0
?
None
66-01-1311114-20
Кронштейн
Кол-во
0
?
None
250510-П29
Гайка М8-6Н ОСТ 37.001.124-93
Кол-во
0
?
Есть готовая заявка? Отправьте ее нам!
Если у вас уже есть список необходимых запчастей, загрузите файл с ним или укажите артикулы и названия запчастей в поле Комментарий, а также оставьте свои контактные данные. В течение рабочего дня мы оценим вашу заявку и отправим вам коммерческое предложение.
Отдел продаж

Если у вас уже есть готовая заявка на запасные части, то просто прикрепите файл с ней либо в поле «Комментарии» напишите артикулы и названия необходимых вам запчастей и оставьте контактные данные.

В течение рабочего дня мы выполним расчёт по вашей заявке и направим вам коммерческое предложение.

Только один файл.
Ограничение 128 МБ.
Допустимые типы: txt, rtf, pdf, doc, docx, odt, ppt, pptx, odp, xls, xlsx, ods.
пример: 89511234567 или +79511324567
Отправляя форму вы подтверждаете согласие с политикой обработки персональных данных.