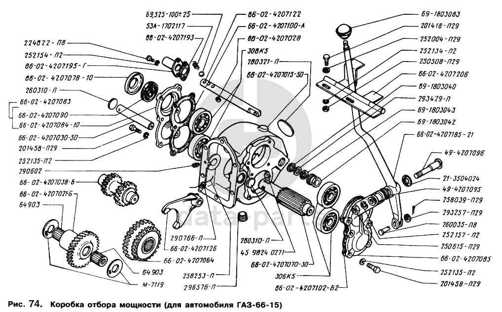
Коробка отбора мощности (для автомобиля ГАЗ-66-15) ГАЗ-66

None
224622-П8
Винт М6х1х10
Кол-во
0
?
None
260035-П8
Палец 8х28 рычага
Кол-во
0
?
None
Б9,525-100+/-25
Шарик
Кол-во
0
?
None
69-1803083
Рукоятка в сборе
Кол-во
0
?
None
М-7119
Шайба упорная блока шестерен промежуточного вала коробки передач - неподвижная
Кол-во
0
?
None
66-02-4207064
Блок шестерен прямого и обратного хода вторичного хода
Кол-во
0
?
None
66-02-4207126
Вилка включения передач
Кол-во
0
?
None
290766-П
Винт М10х1-6hх17,5
Кол-во
0
?
None
66-02-4207070-30
Вал вторичный коробки
Кол-во
0
?
None
66-02-4207102-Б2
Прокладка крышки подшипника
Кол-во
0
?
None
66-02-4207085
Крышка подшипников задняя
Кол-во
0
?
None
49-4207095
Втулка
Кол-во
0
?
None
45 9824 0271
Шпонка 8Х13
Кол-во
0
?
None
66-02-4207185-21
Рычаг
Кол-во
0
?
None
201458-П29
Болт М8-6gх25 ОСТ 37.001.123-96
Кол-во
0
?
В наличии
10 ₽
None
258039-П29
Шплинт 3,2х20 ОСТ 37.001.171-93
Кол-во
0
?
None
293257-П29
Шайба 8
Кол-во
0
?
None
250615-П29
Гайка М12х1,25-6Н ОСТ 37.001.124-93
Кол-во
0
?
None
252157-П29
Шайба 12 пружинная
Кол-во
0
?
None
252134-П29
Шайба 6
Кол-во
0
?
None
201418-П29
Болт М6-6gх16 ОСТ 37.001.123-96
Кол-во
0
?
None
252154-П29
Шайба 6Л ОСТ 37.001.115-75
Кол-во
0
?
None
252004-П29
Шайба 6 ОСТ 37.001.144-96
Кол-во
0
?
None
250508-П29
Гайка М6-6Н ОСТ 37.001.124-93
Кол-во
0
?
None
296576-П29
Пробка КГ1/2"
Кол-во
0
?
None
21-3504024
Шайба упорная
Кол-во
0
?
None
49-4207096
Ось рычага переключения
Кол-во
0
?
None
69-1803042
Гайка сальника штоков
Кол-во
0
?
None
66-02-4207078-10
Кольцо защитное
Кол-во
0
?
None
260310-П
Заглушка 26 ОСТ 37.001.173-82
Кол-во
0
?
None
66-02-4207090
Манжета с пружиной в сборе
Кол-во
0
?
None
66-02-4207084-10
Крышка подшипников коробки отбора мощности передняя
Кол-во
0
?
None
66-02-4207083
Крышка в сборе
Кол-во
0
?
None
66-02-4207030-50
Ось ведущей шестерни
Кол-во
0
?
None
290602
Винт М8х1-6hх15
Кол-во
0
?
None
66-02-4207038-Б
Блок шестерен промежуточного вала коробки отбора мощности
Кол-во
0
?
None
66-02-4207021-Б
Шестерня ведущая коробки отбора мощности
Кол-во
0
?
None
64903
Подшипник в сборе ГОСТ 520-71
Кол-во
0
?
None
258253-П
Шплинт 1,2х175 ОСТ 37.001.172-92
Кол-во
0
?
None
66-02-4207195-Г
Колпак защитный штока
Кол-во
0
?
None
66-02-4207193
Прокладка защитного колпака штока
Кол-во
0
?
None
69-1803043
Кольцо уплотнительное сальника штоков
Кол-во
0
?
None
293429-П
Шайба 16,5
Кол-во
0
?
None
69-1803040
Сальник штоков
Кол-во
0
?
None
66-02-4207206
Упор рычага переключения коробки отбора мощности в сборе
Кол-во
0
?
None
66-02-4207015-50
Картер коробки отбора мощности
Кол-во
0
?
None
260321-П
Заглушка 52 ОСТ 37.001.173-82
Кол-во
0
?
None
306К5
Подшипник в сборе ГОСТ 520-71
Кол-во
0
?
None
66-02-4207028
Заглушка отверстия фиксатора штока
Кол-во
0
?
None
66-02-4207100-А
Прокладка крышки подшипника
Кол-во
0
?
None
66-02-4207122
Шток вилки включения передач
Кол-во
0
?
None
53А-1702117
Пружина фиксатора
Кол-во
0
?
None
252135-П29
Шайба 8Т
Кол-во
0
?
Есть готовая заявка? Отправьте ее нам!
Если у вас уже есть список необходимых запчастей, загрузите файл с ним или укажите артикулы и названия запчастей в поле Комментарий, а также оставьте свои контактные данные. В течение рабочего дня мы оценим вашу заявку и отправим вам коммерческое предложение.
Отдел продаж

Если у вас уже есть готовая заявка на запасные части, то просто прикрепите файл с ней либо в поле «Комментарии» напишите артикулы и названия необходимых вам запчастей и оставьте контактные данные.

В течение рабочего дня мы выполним расчёт по вашей заявке и направим вам коммерческое предложение.

Только один файл.
Ограничение 128 МБ.
Допустимые типы: txt, rtf, pdf, doc, docx, odt, ppt, pptx, odp, xls, xlsx, ods.
пример: 89511234567 или +79511324567
Отправляя форму вы подтверждаете согласие с политикой обработки персональных данных.