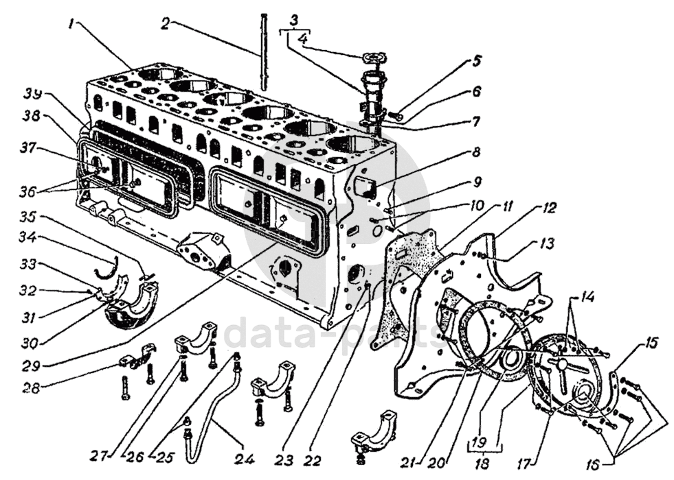
Блок цилиндров ГАЗ-51 (63, 63А)

1
51-1002010-В
Блок цилиндров в сборе
Кол-во
1
?
2
70-6748
Трубка указателя уровня масла
Кол-во
1
?
3
63-1002130-А
Патрубок маслоналивной с крышкой в сборе
Кол-во
1
?
4
51-1002145-А2
Крышка маслоналивного патрубка с цепочкой в сборе
Кол-во
1
?
5
222527-П8
Винт М6х20
Кол-во
1
?
6
51-1002165-Б
Хомут крепления маслоналивного патрубка
Кол-во
1
?
7
51-1002161-Г
Кронштейн крепления маслоналивного патрубка
Кол-во
1
?
8
12-1002032-Б3
Труба блока цилиндров водораспределительная
Кол-во
1
?
9
216232-П
Шпилька М8х1х16
Кол-во
1
?
10
216234-П
Шпилька М8х1х20
Кол-во
2
?
11
12-1002050
Прокладка пластины крышки распределительных шестерен к блоку
Кол-во
1
?
12
51-1002045
Пластина крышки распределительных шестерен
Кол-во
1
?
13
250511-П8
Гайка М8х1
Кол-во
0
?
В наличии
10 ₽
14
250511-П8
Гайка М8х1
Кол-во
0
?
В наличии
10 ₽
15
1512411
Усилитель крышки распределительных шестерен
Кол-во
1
?
16
201458-П8
Болт М8х1,25х25
Кол-во
4
?
17
201476-П8
Болт М8х1х20
Кол-во
3
?
18
51-1002058
Крышка распределительных шестерен в сборе
Кол-во
1
?
19
51-1005034-А
Сальник передний коленчатого вала в сборе
Кол-во
1
?
20
70-6020
Прокладка крышки распределительных шестерен
Кол-во
1
?
21
201456-П8
Болт М8х1,25х20
Кол-во
4
?
22
1532499
Хомут трубки смазки распределительных шестерен
Кол-во
1
?
23
1532134
Трубка смазки распределительных шестерен
Кол-во
1
?
24
1735208
Трубка масляного насоса нагнетательная в сборе
Кол-во
1
?
25
1736304
Штуцер нагнетательной трубки масляного насоса
Кол-во
2
?
26
291058-П
Болт М14х2х75
Кол-во
6
?
27
293398-П18
Шайба 15
Кол-во
8
?
28
1621983
Пластина болтов крепления заднего подшипника коленчатого вала запорная, в сборе
Кол-во
1
?
29
12-1002110-Б1
Крышка клапанной коробки передняя в сборе
Кол-во
1
?
30
11-6335-Б
Прокладка уплотнительная крышки заднего подшипника коленчатого вала правая
Кол-во
1
?
31
252174-П8
Шайба 6 пружинная
Кол-во
0
?
32
290489-П
Болт М6-6gх12
Кол-во
0
?
33
1753105
Держатель сальника заднего подшипника коленчатого вала
Кол-во
2
?
34
11-6702-А2
Набивка сальника
Кол-во
2
?
35
11-6336-Б
Прокладка уплотнительная крышки заднего подшипника коленчатого вала левая
Кол-во
1
?
36
290702-П8
Болт М8х78
Кол-во
4
?
37
293264-П
Шайба 8
Кол-во
6
?
38
12-1002111Е
Крышка клапанной коробки задняя в сборе
Кол-во
1
?
39
1688092
Прокладка крышки клапанной коробки
Кол-во
2
?
Есть готовая заявка? Отправьте ее нам!
Если у вас уже есть список необходимых запчастей, загрузите файл с ним или укажите артикулы и названия запчастей в поле Комментарий, а также оставьте свои контактные данные. В течение рабочего дня мы оценим вашу заявку и отправим вам коммерческое предложение.
Отдел продаж

Если у вас уже есть готовая заявка на запасные части, то просто прикрепите файл с ней либо в поле «Комментарии» напишите артикулы и названия необходимых вам запчастей и оставьте контактные данные.

В течение рабочего дня мы выполним расчёт по вашей заявке и направим вам коммерческое предложение.

Только один файл.
Ограничение 128 МБ.
Допустимые типы: txt, rtf, pdf, doc, docx, odt, ppt, pptx, odp, xls, xlsx, ods.
пример: 89511234567 или +79511324567
Отправляя форму вы подтверждаете согласие с политикой обработки персональных данных.