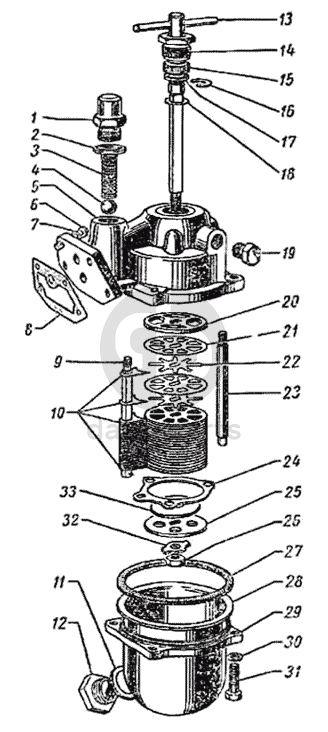
Масляный фильтр грубой очистки ГАЗ-51 (63, 63А)

1
296499-П8
Пробка М18х1,5
Кол-во
1
?
2
293469-П
Шайба 18
Кол-во
1
?
3
202-6092
Пружина перепускного клапана масляного радиатора
Кол-во
1
?
4
353087-S
Шарик диаметром 11,9 мм
Кол-во
1
?
5
МФ1-1012015
Корпус масляного фильтра грубой очистки
Кол-во
1
?
6
201458-П8
Болт М8х1,25х25
Кол-во
4
?
7
252135-П2
Шайба 8Т ОСТ 37.001.115-75
Кол-во
4
?
В наличии
4 ₽
8
12-1012080-Б
Прокладка корпуса масляного фильтра
Кол-во
1
?
9
МФ1-1012027
Стержень счищающих пластин
Кол-во
1
?
10
МФ1-1012053
Пластина счищающая масляного фильтра
Кол-во
171
?
11
297248-П
Прокладка диаметром 18 пробки в сборе
Кол-во
1
?
12
296495-П
Пробка 1М18х1,5
Кол-во
1
?
13
МФ1-1012030
Валик фильтра в сборе
Кол-во
1
?
14
МФ1-1012039
Гайка сальника масляного фильтра
Кол-во
1
?
15
МФ1-1012038
Сальник валика масляного фильтра грубой очистки
Кол-во
1
?
16
МФ1-1012036
Шайба замковая
Кол-во
1
?
17
МФ1-1012037
Шайба сальника масляного фильтра грубой очистки
Кол-во
1
?
18
293346-П2
Шайба 12 упорная
Кол-во
1
?
19
353052-88
Пробка 1/4-18 корпуса масляного фильтра коническая
Кол-во
1
?
20
МФ1-1012055-А
Шайба упорная фильтрующего элемента масляного фильтра
Кол-во
1
?
21
МФ1-1012051
Пластина фильтрующая масляного фильтра грубой очистки
Кол-во
172
?
22
МФ1-1012052
Пластина промежуточная масляного фильтра грубой очистки
Кол-во
171
?
23
МФ1-1012026
Стойка фильтрующего элемента масляного фильтра грубой очистки
Кол-во
3
?
24
МФ1-1012059
Пластина опорная фильтрующего элемента масляного фильтра
Кол-во
1
?
25
МФ1-1012056
Шайба зажимная фильтрующего элемента масляного фильтра грубой очистки
Кол-во
1
?
26
250765-П2
Гайка 1М8х1
Кол-во
1
?
27
МФ1-1012068
Прокладка отстойника масляного фильтра грубой очистки
Кол-во
1
?
28
МФ1-1012062
Отстойник масляного фильтра грубой очистки в сборе
Кол-во
1
?
29
МФ1-1012067
Фланец отстойника масляного фильтра грубой очистки
Кол-во
1
?
30
293271-П8
Шайба 8
Кол-во
4
?
31
201460-П8
Болт М8-6gх30
Кол-во
4
?
32
МФ1-1012058
Шайба стопорная
Кол-во
1
?
33
МФ1-1012054
Шайба направляющая
Кол-во
1
?
Есть готовая заявка? Отправьте ее нам!
Если у вас уже есть список необходимых запчастей, загрузите файл с ним или укажите артикулы и названия запчастей в поле Комментарий, а также оставьте свои контактные данные. В течение рабочего дня мы оценим вашу заявку и отправим вам коммерческое предложение.
Отдел продаж

Если у вас уже есть готовая заявка на запасные части, то просто прикрепите файл с ней либо в поле «Комментарии» напишите артикулы и названия необходимых вам запчастей и оставьте контактные данные.

В течение рабочего дня мы выполним расчёт по вашей заявке и направим вам коммерческое предложение.

Только один файл.
Ограничение 128 МБ.
Допустимые типы: txt, rtf, pdf, doc, docx, odt, ppt, pptx, odp, xls, xlsx, ods.
пример: 89511234567 или +79511324567
Отправляя форму вы подтверждаете согласие с политикой обработки персональных данных.