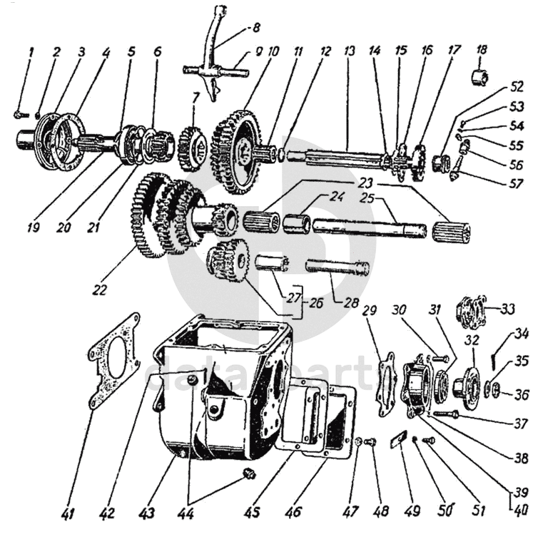
Коробка передач ГАЗ-51 (63, 63А)

1
201458-П8
Болт М8х1,25х25
Кол-во
4
?
2
252155-П2
Шайба 8Л ОСТ 37.001.115-75
Кол-во
4
?
3
51-7050-Б
Крышка подшипника
Кол-во
1
?
4
51-7051
Прокладка крышки подшипника
Кол-во
1
?
5
АА-7045
Кольцо упорное подшипника ведущего вала
Кол-во
1
?
6
АА-7043
Маслоотражатель подшипника ведущего вала
Кол-во
1
?
7
51-1701114
Шестерня третьей и четвертой передач
Кол-во
1
?
8
АА-7243
Вилка переключения заднего хода
Кол-во
1
?
9
АА-7244
Ось вилки
Кол-во
1
?
10
51-1701112
Блок шестерен первой и второй передач
Кол-во
1
?
11
АА-7120-А2
Подшипник переднего конца вторичного вала коробки передач роликовый
Кол-во
1
?
12
АА-7063
Кольцо установочное роликового подшипника
Кол-во
1
?
13
51-7061-Б
Вторичный вал
Кол-во
1
?
14
АА-7062
Кольцо упорное
Кол-во
1
?
15
АА-7080
Маслоотражатель подшипника
Кол-во
1
?
16
АА-7070
Кольцо стопорное шайбы приставной
Кол-во
1
?
17
АА-7065
Подшипник вторичного вала коробки передач шариковый задний
Кол-во
1
?
18
63-1701076-Б
Кольцо подшипника вторичного вала коробки передач распорное
Кол-во
1
?
19
51-7017
Вал ведущий
Кол-во
1
?
20
АА-7025
Подшипник ведущего вала коробки передач шариковый
Кол-во
1
?
21
АА-7030
Кольцо стопорное
Кол-во
1
?
22
51-1701050
Блок шестерен промежуточного вала
Кол-во
1
?
23
АА-7118-А2
Подшипник промежуточного вала коробки передач роликовый
Кол-во
2
?
24
АА-7115-А2
Втулка распорная
Кол-во
1
?
25
51-7111-А
Ось блока шестерен промежуточного вала
Кол-во
1
?
26
АА-7141
Блок шестерен заднего хода коробки передач в сборе
Кол-во
1
?
27
АА-7143
Втулка блока шестерен заднего хода коробки передач
Кол-во
1
?
28
АА-7140-А
Ось блока
Кол-во
1
?
29
63-1701203
Прокладка крышки заднего подшипника вторичного вала коробки передач
Кол-во
1
?
30
201458-П8
Болт М8х1,25х25
Кол-во
4
?
31
51-1701210-А2
Сальник крышки заднего подшипника вторичного вала коробки передач
Кол-во
1
?
32
51-1701240-В
Фланец вторичного вала коробки передач
Кол-во
1
?
33
63-1802043-Б
Муфта фланца вторичного вала коробки передач в сборе
Кол-во
1
?
34
258055-П
Шплинт 3,6х36
Кол-во
1
?
35
51-2402064
Шайба специальная
Кол-во
1
?
36
292940-П8
Гайка 1М22х1,5 крепления фланца вторичного вала коробки передач
Кол-во
1
?
37
201466-П8
Болт М8-6gх45
Кол-во
1
?
38
252135-П2
Шайба 8Т ОСТ 37.001.115-75
Кол-во
5
?
В наличии
4 ₽
39
51-1701205
Крышка заднего подшипника главного вала коробки передач
Кол-во
1
?
40
63-1701205-Б
Крышка коробки передач задняя
Кол-во
1
?
41
51-7620
Прокладка между картером коробки передач и картером сцепления
Кол-во
1
?
42
258041-П8
Шплинт оси вилки переключения заднего хода стопорный
Кол-во
1
?
43
51-1701015-Б
Картер коробки передач
Кол-во
1
?
44
262513-П
Пробка КГ 3/4"
Кол-во
2
?
45
АА-7166-А
Прокладка крышки люка
Кол-во
1
?
46
АА-7165
Крышка люка
Кол-во
1
?
47
252136-П2
Шайба 10 ОТ ОСТ 37.001.115-75
Кол-во
6
?
48
201495-П8
Болт М10-6gх20
Кол-во
6
?
49
АА-7155
Стопор осей шестерен промежуточного вала и заднего хода
Кол-во
1
?
50
252136-П2
Шайба 10 ОТ ОСТ 37.001.115-75
Кол-во
1
?
51
201495-П8
Болт М10-6gх20
Кол-во
1
?
52
51-3802033
Шестерня привода спидометра ведущая
Кол-во
1
?
53
290490-П8
Болт М6-6gх12
Кол-во
1
?
54
252154-П2
Шайба 6Л ОСТ 37.001.115-75
Кол-во
1
?
55
51-2802031
Стопор штуцера ведомой шестерни спидометра
Кол-во
1
?
56
51-3802030
Штуцер гибкого вала
Кол-во
1
?
57
51-3802034
Шестерня привода к спидометру ведомая
Кол-во
1
?
Есть готовая заявка? Отправьте ее нам!
Если у вас уже есть список необходимых запчастей, загрузите файл с ним или укажите артикулы и названия запчастей в поле Комментарий, а также оставьте свои контактные данные. В течение рабочего дня мы оценим вашу заявку и отправим вам коммерческое предложение.
Отдел продаж

Если у вас уже есть готовая заявка на запасные части, то просто прикрепите файл с ней либо в поле «Комментарии» напишите артикулы и названия необходимых вам запчастей и оставьте контактные данные.

В течение рабочего дня мы выполним расчёт по вашей заявке и направим вам коммерческое предложение.

Только один файл.
Ограничение 128 МБ.
Допустимые типы: txt, rtf, pdf, doc, docx, odt, ppt, pptx, odp, xls, xlsx, ods.
пример: 89511234567 или +79511324567
Отправляя форму вы подтверждаете согласие с политикой обработки персональных данных.