Аккумуляторная батарея ГАЗ-51 (63, 63А)

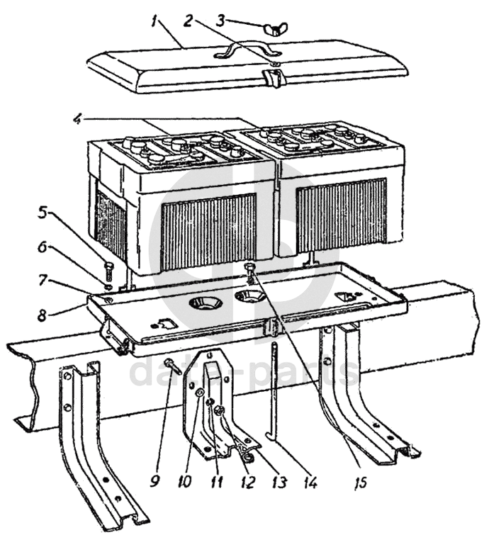
1
2
3
4
5
6
7
8
9
10
11
12
13
14
15
%
1
51-3703035-Б
Крышка крепления аккумуляторной батареи в сборе
Кол-во
1
?
2
252005-П8
Шайба 8
Кол-во
3
?
3
292741-П8
Гайка-барашек М8х1,25
Кол-во
3
?
4
3-СТ-70-ПД
Батарея аккумуляторов (без электролита незаряженная) в сборе
Кол-во
2
?
5
201456-П8
Болт М8х1,25х20
Кол-во
4
?
6
252135-П2
Шайба 8Т ОСТ 37.001.115-75
Кол-во
6
?
В наличии
4 ₽
7
252005-П8
Шайба 8
Кол-во
0
?
8
51-3703025
Основание крепления аккумуляторной батареи в сборе
Кол-во
1
?
9
201457-П8
Болт М8-6gх22
Кол-во
3
?
10
252005-П8
Шайба 8
Кол-во
0
?
11
252135-П2
Шайба 8Т ОСТ 37.001.115-75
Кол-во
0
?
В наличии
4 ₽
12
250765-П8
Гайка М8х1,25х32
Кол-во
3
?
13
51-3703068
Кронштейн основания аккумуляторной батареи
Кол-во
1
?
14
51-3703038-Б
Стяжка крышки крепления аккумуляторной батареи к основанию
Кол-во
3
?
15
201454-П8
Болт М8-6gх16
Кол-во
2
?
Есть готовая заявка? Отправьте ее нам!
Если у вас уже есть список необходимых запчастей, загрузите файл с ним или укажите артикулы и названия запчастей в поле Комментарий, а также оставьте свои контактные данные. В течение рабочего дня мы оценим вашу заявку и отправим вам коммерческое предложение.
Отдел продаж

Если у вас уже есть готовая заявка на запасные части, то просто прикрепите файл с ней либо в поле «Комментарии» напишите артикулы и названия необходимых вам запчастей и оставьте контактные данные.

В течение рабочего дня мы выполним расчёт по вашей заявке и направим вам коммерческое предложение.

Только один файл.
Ограничение 128 МБ.
Допустимые типы: txt, rtf, pdf, doc, docx, odt, ppt, pptx, odp, xls, xlsx, ods.
пример: 89511234567 или +79511324567
Отправляя форму вы подтверждаете согласие с политикой обработки персональных данных.