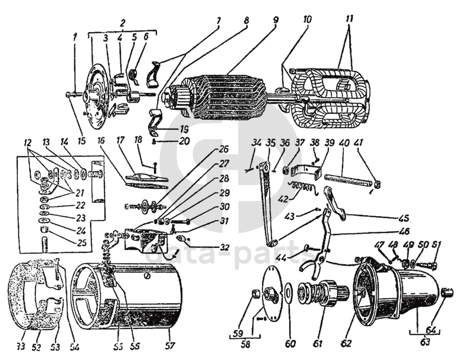
Стартер ГАЗ-51 (63, 63А)

1
Х-1482
Шайба 6Т пружинная
Кол-во
2
?
2
60328
Крышка со стороны коллектора в сборе
Кол-во
1
?
3
1-МЗ-43А
Прокладка изоляционная
Кол-во
2
?
4
1-МЗ-16
Щеткодержатель
Кол-во
4
?
5
1-МЗ-40А
Втулка крышки со стороны коллектора
Кол-во
1
?
6
1-МЗ-19
Пружина щетки стартера
Кол-во
4
?
7
1-МАФ-13
Щетка стартера в сборе на массу
Кол-во
2
?
8
ХЗ-9411
Шайба якоря стартера упорная передняя
Кол-во
1
?
9
СТ06200-А
Якорь стартера в сборе
Кол-во
1
?
10
1-МАФ-12
Щетка стартера в сборе изолированная
Кол-во
2
?
11
СТ20-3708110
Катушка возбуждения в сборе
Кол-во
1
?
12
МХ-0246
Шайба 8 пружинная
Кол-во
4
?
13
1-МЮ-37
Шайба контактного болта
Кол-во
2
?
14
1-МАБ-31
Шайба контактного болта изолирующая
Кол-во
2
?
15
1-МВВ-20-Б
Винт корпуса стартера стяжной
Кол-во
2
?
16
ВК14-3708045
Прокладка крышки включателя
Кол-во
1
?
17
ВК14-3708041
Крышка включателя стартера
Кол-во
1
?
18
МХ-0278
Винт
Кол-во
2
?
19
8Х-1531
Гайка М5
Кол-во
2
?
20
8Х-1580
Винт крепления щетки
Кол-во
2
?
21
8Х-1537
Гайка М8
Кол-во
1
?
22
МХ-0246
Шайба 8 пружинная
Кол-во
0
?
23
1-МЮ-37
Шайба контактного болта
Кол-во
0
?
24
СТ8-3708091
Шина соединительная
Кол-во
1
?
25
1-МАБ-85
Втулка контактного болта
Кол-во
1
?
26
ВК14-3708060
Плунжер с дисками в сборе
Кол-во
1
?
27
1-МЮ-52
Шайба контактного болта изолирующая
Кол-во
4
?
28
ВК14-3708005
Втулка контактного болта
Кол-во
2
?
29
ВК14-3708046
Прокладка контактного болта
Кол-во
2
?
30
ВК14-3708047
Болт контактный включателя
Кол-во
2
?
31
ВК14-3708053
Скоба клеммы включателя стартера
Кол-во
2
?
32
ВК14-3708030
Фланец с фильцем в сборе
Кол-во
1
?
33
МАФ-10-1358
Прокладка
Кол-во
1
?
34
201460-П8
Болт М8-6gх30
Кол-во
1
?
35
51-3708014
Рычаг валика педали включения стартера в сборе
Кол-во
1
?
36
260411-П
Шпонка сегментная 3х16
Кол-во
1
?
37
51-3708045
Шайба валика педали включения стартера уплотнительная
Кол-во
1
?
38
201454-П8
Болт М8-6gх16
Кол-во
2
?
39
51-3708022-Б
Кронштейн валика педали включения стартера
Кол-во
1
?
40
51-3708016-Б
Валик педали включения стартера
Кол-во
1
?
41
51-3708034-Б
Кольцо валика педали включения стартера упорное
Кол-во
1
?
42
51-3708020-Б1
Пружина педали включения стартера возвратная
Кол-во
1
?
43
260031-П8
Палец соединительного звена рычага включения привода стартера
Кол-во
1
?
44
СТ8-3708080
Штифт
Кол-во
1
?
45
51-3708018-Б
Педаль включения стартера
Кол-во
1
?
46
СТ8-3708020
Рычаг включения привода стартера в сборе
Кол-во
1
?
47
М11-90118
Гайка М5
Кол-во
1
?
48
М11-40991
Винт ограничения хода рычага включения привода стартера
Кол-во
1
?
49
СТ8-3708016
Пружина оси рычага
Кол-во
1
?
50
СТ8-3708015
Седло пружины оси рычага
Кол-во
1
?
51
СТ8-3708014
Ось рычага включения привода стартера
Кол-во
1
?
52
СЛ-8534
Лента защитная
Кол-во
1
?
53
Х-1531
Гайка М6
Кол-во
1
?
54
МХ-0139
Винт М5
Кол-во
1
?
55
1-МЮ-28
Болт контактный
Кол-во
1
?
56
1-МЮ-39
Шайба изоляционная контактного болта
Кол-во
1
?
57
СТ8-3708100
Корпус стартера в сборе
Кол-во
1
?
58
СТ8-3708050
Подшипник промежуточный в сборе
Кол-во
1
?
59
СТ8-3708052
Втулка промежуточного подшипника
Кол-во
1
?
60
СТ06005
Шайба упорная привода стартера
Кол-во
1
?
61
СТ20-3708600
Привод стартера в сборе
Кол-во
1
?
62
1-МЮ-54
Шайба упорная якоря стартера задняя
Кол-во
1
?
63
СТ8-3708400
Крышка со стороны привода в сборе
Кол-во
1
?
64
СЛ-138-88
Втулка крышки со стороны привода
Кол-во
1
?
Есть готовая заявка? Отправьте ее нам!
Если у вас уже есть список необходимых запчастей, загрузите файл с ним или укажите артикулы и названия запчастей в поле Комментарий, а также оставьте свои контактные данные. В течение рабочего дня мы оценим вашу заявку и отправим вам коммерческое предложение.
Отдел продаж

Если у вас уже есть готовая заявка на запасные части, то просто прикрепите файл с ней либо в поле «Комментарии» напишите артикулы и названия необходимых вам запчастей и оставьте контактные данные.

В течение рабочего дня мы выполним расчёт по вашей заявке и направим вам коммерческое предложение.

Только один файл.
Ограничение 128 МБ.
Допустимые типы: txt, rtf, pdf, doc, docx, odt, ppt, pptx, odp, xls, xlsx, ods.
пример: 89511234567 или +79511324567
Отправляя форму вы подтверждаете согласие с политикой обработки персональных данных.