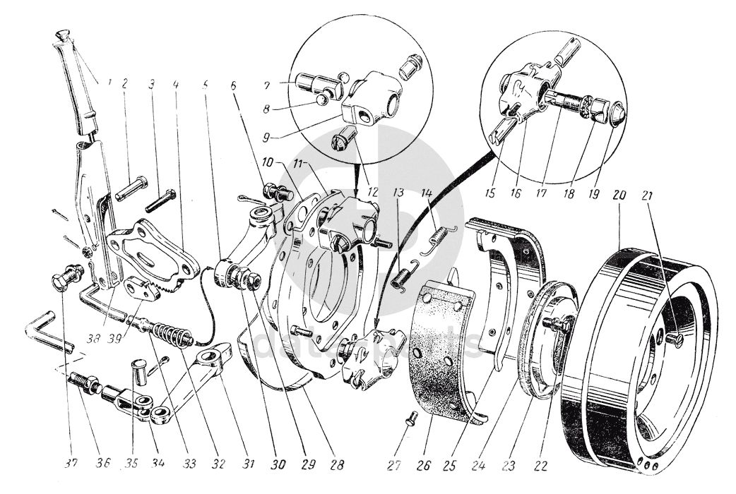
Ручной тормоз и управление им ГАЗ-51 (63, 93)

1
А-2791-С
Головка тяги собачки рычага центрального тормоза
Кол-во
1
?
2
260060-П8
Палец 10х35 крепления рычага центрального тормоза к сектору
Кол-во
1
?
3
205424-П8
Болт М8х1х35
Кол-во
1
?
4
51-3508048
Сектор рычага центрального тормоза
Кол-во
1
?
5
51-3508050
Рычаг привода
Кол-во
1
?
6
201496-П8
Болт М10-6gх22
Кол-во
2
?
7
51-3507072
Корпус шариков разжимного механизма центрального тормоза
Кол-во
1
?
8
353087-5
Шарик ГОСТ 3722-81 Б11,906-60
Кол-во
2
?
9
51-3507070
Корпус разжимного механизма
Кол-во
1
?
10
51-3507073
Ограничитель хода корпуса шариков разжимного механизма центрального тормоза
Кол-во
1
?
11
51-3507011
Щит стояночного тормоза в сборе
Кол-во
1
?
12
51-3507074
Толкатель разжимного механизма центрального тормоза
Кол-во
2
?
13
51-3507048-Б
Пружина первичной колодки центрального тормоза стяжная
Кол-во
2
?
14
51-3507049
Пружина стяжная вторичной колодки
Кол-во
2
?
15
51-3507083
Опора колодок центрального тормоза
Кол-во
2
?
16
51-3507080
Корпус регулировочного механизма центрального тормоза
Кол-во
1
?
17
11-2108
Винт регулировочный в сборе
Кол-во
1
?
18
11-2041
Сухарь разжимной колодок центрального тормоза
Кол-во
1
?
19
А-24460-В
Колпак корпуса регулировочного механизма центрального тормоза
Кол-во
1
?
20
51-3507052-Г
Барабан центрального тормоза
Кол-во
1
?
21
224682-П8
Винт М8-6gх16
Кол-во
2
?
22
201497-П8
Болт М10х25
Кол-во
4
?
23
51-3507062
Маслоотражатель стояночного тормоза
Кол-во
1
?
24
51-3507063
Прокладка маслоотражателя центрального тормоза
Кол-во
1
?
25
51-3507014
Колодка стояночного тормоза с фрикционной накладной в сборе
Кол-во
2
?
26
51-3507020-Б
Накладка центрального тормоза фрикционная
Кол-во
2
?
27
294108-П
Заклепка 5х10
Кол-во
16
?
28
51-3507065
Отражатель щита стояночного тормоза
Кол-во
1
?
29
250612-П8
Гайка М10
Кол-во
1
?
30
292774-П8
Гайка сферическая тяги привода
Кол-во
1
?
31
63-3508050
Рычаг привода центрального тормоза
Кол-во
1
?
32
51-1017028
Пружина распорная масляного фильтра тонкой очистки
Кол-во
1
?
34
060-142642
Вилка привода ручного тормоза регулировочная
Кол-во
1
?
35
260057-П8
Палец 10х28
Кол-во
1
?
36
63-3508042-Б1
Тяга привода центрального тормоза в сборе
Кол-во
1
?
37
201540-П8
Болт М12х1,75х30
Кол-во
2
?
38
51-3508028
Тяга собачки рычага центрального тормоза
Кол-во
1
?
39
51-3508030
Собачка рычага центрального тормоза
Кол-во
1
?
Есть готовая заявка? Отправьте ее нам!
Если у вас уже есть список необходимых запчастей, загрузите файл с ним или укажите артикулы и названия запчастей в поле Комментарий, а также оставьте свои контактные данные. В течение рабочего дня мы оценим вашу заявку и отправим вам коммерческое предложение.
Отдел продаж

Если у вас уже есть готовая заявка на запасные части, то просто прикрепите файл с ней либо в поле «Комментарии» напишите артикулы и названия необходимых вам запчастей и оставьте контактные данные.

В течение рабочего дня мы выполним расчёт по вашей заявке и направим вам коммерческое предложение.

Только один файл.
Ограничение 128 МБ.
Допустимые типы: txt, rtf, pdf, doc, docx, odt, ppt, pptx, odp, xls, xlsx, ods.
пример: 89511234567 или +79511324567
Отправляя форму вы подтверждаете согласие с политикой обработки персональных данных.