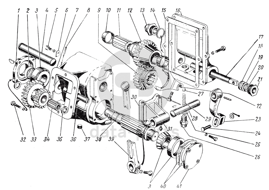
Коробка отбора мощности ГАЗ-51 (63, 93)

1
63А-4207084-Б
Крышка подшипника вторичного вала коробки отбора мощности передняя
Кол-во
1
?
2
20-3401023-Б
Манжета в сборе
Кол-во
1
?
3
63А-4207075
Подшипник роликовый конический ведомого вала раздаточной коробки в сборе
Кол-во
2
?
4
63А-4207050-Б
Вал коробки отбора мощности промежуточный
Кол-во
1
?
5
290489-П8
Болт М6х12
Кол-во
1
?
6
51-3802031
Стопор
Кол-во
1
?
7
63А-4207015-Б
Картер коробки отбора мощности
Кол-во
1
?
8
258951-П
Штифт стопорный 5х36 оси ведущей шестерни
Кол-во
1
?
9
63А-4207064
Шестерня коробки отбора мощности скользящая
Кол-во
1
?
10
63А-4207033
Кольцо подшипника промежуточного вала распорное
Кол-во
2
?
11
АА-7118-А2
Подшипник промежуточного вала коробки передач роликовый
Кол-во
1
?
12
63А-4207038-Б
Шестерня коробки отбора мощности промежуточная
Кол-во
1
?
13
63А-4207128-В
Гайка штока включения передачи коробки передач
Кол-во
1
?
14
297365-П
Прокладка гайки штока включения передач коробки отбора мощности
Кол-во
1
?
15
63А-4207140
Прокладка между картером и крышкой картера коробки отбора мощности
Кол-во
1
?
16
63А-4207112-Б
Крышка картера коробки отбора мощности
Кол-во
1
?
17
63А-4207122-Б
Шток вилки включения передач коробки отбора мощности
Кол-во
1
?
18
63-1802160
Сальник штоков переключения раздаточной коробки
Кол-во
1
?
19
293510-П
Шайба диаметром 20,5 мм сальника штоков переключения раздаточной коробки
Кол-во
1
?
20
63-1802157-Б
Кольцо уплотнительное
Кол-во
1
?
21
63-1802158-Б
Гайка сальника штоков переключения раздаточной коробки
Кол-во
1
?
22
63А-4207126
Вилка включения передач коробки отбора мощности
Кол-во
1
?
23
63А-4207165
Рычаг штока включения передач коробки отбора мощности
Кол-во
1
?
24
260057-П8
Палец 10х28
Кол-во
1
?
25
51-1015064
Прокладка пробки наливной трубы пускового подогревателя
Кол-во
2
?
26
63А-4207130
Штуцер фиксатора передач коробки отбора мощности
Кол-во
2
?
27
353087-5
Шарик ГОСТ 3722-81 Б11,906-60
Кол-во
2
?
27
353087-S
Шарик диаметром 11,9 мм
Кол-во
2
?
28
63А-4207162
Вал рычага включения передач коробки отбора мощности
Кол-во
1
?
29
63А-4207132
Пружина
Кол-во
2
?
30
63А-4207175
Прокладка кронштейна вала рычага включения передач
Кол-во
1
?
31
63А-4207155
Кронштейн вала рычага включения передач коробки отбора мощности
Кол-во
1
?
32
201243-П8
Болт М8х25 крепления нагнетательной трубки к блоку
Кол-во
0
?
33
63А-4207020-А
Блок шестерен ведущий коробки отбора мощности
Кол-во
1
?
34
М-7121
Подшипник роликовый блока шестерен промежуточного вала коробки передач длинный (ГПЗ-64904)
Кол-во
2
?
35
63А-4207026
Кольцо роликового подшипника распорное
Кол-во
1
?
36
63А-4207030
Ось блока ведущих шестерен коробки отбора мощности
Кол-во
1
?
37
А-24457
Пробка КГ1/2"
Кол-во
1
?
38
63А-4207070-Б
Вал коробки, отбора мощности вторичный
Кол-во
1
?
39
63-1803020-А
Рычаг включения переднего моста раздаточной коробки
Кол-во
1
?
39
63-1803020
Рычаг включения переднего моста раздаточной коробки
Кол-во
1
?
40
63А-4207101
Прокладка крышки подшипника вторичного вала коробки отбора мощности
Кол-во
0
?
41
63А-4207085
Крышка подшипника вторичного вала задняя
Кол-во
1
?
None
63Д-4207010
Коробка отбора мощности в сборе
Кол-во
0
?
None
63А-4207010-Б
Коробка отбора мощности в сборе
Кол-во
0
?
Есть готовая заявка? Отправьте ее нам!
Если у вас уже есть список необходимых запчастей, загрузите файл с ним или укажите артикулы и названия запчастей в поле Комментарий, а также оставьте свои контактные данные. В течение рабочего дня мы оценим вашу заявку и отправим вам коммерческое предложение.
Отдел продаж

Если у вас уже есть готовая заявка на запасные части, то просто прикрепите файл с ней либо в поле «Комментарии» напишите артикулы и названия необходимых вам запчастей и оставьте контактные данные.

В течение рабочего дня мы выполним расчёт по вашей заявке и направим вам коммерческое предложение.

Только один файл.
Ограничение 128 МБ.
Допустимые типы: txt, rtf, pdf, doc, docx, odt, ppt, pptx, odp, xls, xlsx, ods.
пример: 89511234567 или +79511324567
Отправляя форму вы подтверждаете согласие с политикой обработки персональных данных.