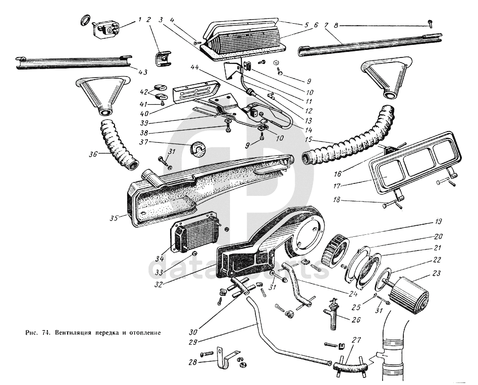
Вентиляция передка и отопление ГАЗ-52-01

1
51-3713300-Б
Переключатель электродвигателя обдува ветрового стекла, либо 51-3713300-Б1
Кол-во
1
?
2
52-8102082
Накладка распределителя обдува ветрового стекла
Кол-во
1
?
3
13-5304030
Уплотнитель крышки вентиляции передка
Кол-во
1
?
4
240818-П8
Винт 4х12
Кол-во
3
?
5
13-5304012
Крышка вентиляции передка в сборе
Кол-во
1
?
6
13-5304022
Сетка крышки вентиляции передка в сборе
Кол-во
1
?
7
52-8102073
Распределитель обдува ветрового стекла левый
Кол-во
1
?
8
240623-П8
Винт 4х30 крепления накладки
Кол-во
5
?
9
290377-П8
Болт М5х0,8х9
Кол-во
2
?
10
21-5304198
Зажим оболочки
Кол-во
2
?
11
52-5304202
Тяга привода крышки вентиляции передка
Кол-во
1
?
12
52-5304200
Оболочка тяги крышки вентиляции передка
Кол-во
1
?
13
13-8104192
Пружина тяги крышки вентиляции передка
Кол-во
1
?
14
52-8104190
Тяга привода вентиляции передка
Кол-во
1
?
15
52-8102060
Шланг обдува ветрового стекла длинный
Кол-во
1
?
16
52-8104194
Скоба тяги привода крышки вентиляции передка
Кол-во
1
?
17
13-8104196
Крышка вентиляции кузова с уплотнителем в сборе
Кол-во
1
?
18
260018-П8
Палец 6х35
Кол-во
2
?
19
52-8102030
Ротор обдува ветрового стекла в сборе
Кол-во
1
?
20
13-8102240
Прокладка диска электродвигателя заднего отопителя
Кол-во
1
?
21
13-8102238
Диск электродвигателя заднего отопителя
Кол-во
1
?
22
21-8102232
Прокладка электродвигателя вентилятора
Кол-во
1
?
23
52-8102080
Электродвигатель обдува ветрового стекла в сборе (МЭ211)
Кол-во
1
?
24
52-8101036
Шланг радиатора отопителя впускной
Кол-во
1
?
25
252234-П8
Шайба 6 пружинная
Кол-во
0
?
26
30-8101020-А
Краник запорный отопителя в сборе
Кол-во
1
?
27
21-1014076
Шланг выпускной трубы отопителя
Кол-во
2
?
28
297507-П8
Скоба крепления выпускной трубы отопителя
Кол-во
1
?
29
52-8101032
Труба радиатора отопителя выпускная
Кол-во
1
?
30
297584-П8
Лента 10х235
Кол-во
2
?
31
290509-П8
Болт М6х25
Кол-во
9
?
32
52-8101098
Кожух радиатора отопителя в сборе
Кол-во
1
?
33
13-8101170
Уплотнитель трубок радиатора отопления
Кол-во
2
?
34
52-8101060
Радиатор отопителя в сборе
Кол-во
1
?
35
52-8101250
Распределитель отопителя кабины в сборе
Кол-во
1
?
36
52-8102062
Шланг обдува ветрового стекла короткий
Кол-во
1
?
37
52-8101152
Клапан слива
Кол-во
1
?
38
201416-П8
Болт М6-6gх12
Кол-во
2
?
39
52-5304032
Привод вентиляции передка в сборе
Кол-во
1
?
40
52-5304189
Облицовка привода вентиляции передка
Кол-во
1
?
41
222964-П8
Винт М3х10 крепления ручки привода
Кол-во
2
?
42
52-5304186
Ручка привода вентиляции передка
Кол-во
2
?
43
52-8102072
Распределитель обдува ветрового стекла правый
Кол-во
1
?
44
А-17523
Втулка
Кол-во
1
?
Есть готовая заявка? Отправьте ее нам!
Если у вас уже есть список необходимых запчастей, загрузите файл с ним или укажите артикулы и названия запчастей в поле Комментарий, а также оставьте свои контактные данные. В течение рабочего дня мы оценим вашу заявку и отправим вам коммерческое предложение.
Отдел продаж

Если у вас уже есть готовая заявка на запасные части, то просто прикрепите файл с ней либо в поле «Комментарии» напишите артикулы и названия необходимых вам запчастей и оставьте контактные данные.

В течение рабочего дня мы выполним расчёт по вашей заявке и направим вам коммерческое предложение.

Только один файл.
Ограничение 128 МБ.
Допустимые типы: txt, rtf, pdf, doc, docx, odt, ppt, pptx, odp, xls, xlsx, ods.
пример: 89511234567 или +79511324567
Отправляя форму вы подтверждаете согласие с политикой обработки персональных данных.