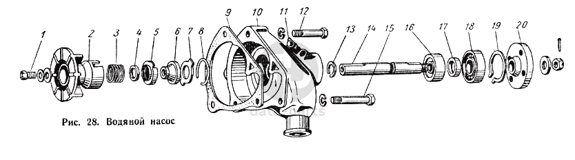
Водяной насос ГАЗ-52-01

1
2
3
4
5
6
7
8
9
10
11
12
13
14
15
16
17
18
19
20
%
1
201238-П8
Болт М8-4hх14
Кол-во
1
?
2
12-1307032-Б1
Крыльчатка водяного насоса
Кол-во
1
?
3
12-1307034-А2
Пружина
Кол-во
1
?
4
11-8528-Б
Кольцо
Кол-во
1
?
5
12-1307052-Б
Обойма сальника крыльчатки водяного насоса
Кол-во
1
?
6
11-8515-А3
Манжета
Кол-во
1
?
7
12-1307041-А3
Шайба сальника водяного насоса уплотняющая
Кол-во
1
?
8
12-1307042
Кольцо стопорное
Кол-во
1
?
9
12-1307048
Прокладка корпуса водяного насоса
Кол-во
1
?
10
12-1307015-Д
Корпус водяного насоса
Кол-во
1
?
11
264030-П8
Пресс-масленка 2.3.45.Ц6
Кол-во
1
?
12
201290-П8
Болт М10х45
Кол-во
2
?
13
52-1307029
Кольцо стопорное
Кол-во
1
?
14
13-1307023-Б
Валик водяного насоса
Кол-во
1
?
15
201295-П8
Болт М10х65
Кол-во
1
?
16
12-1307027
Подшипник водяного насоса
Кол-во
1
?
17
12-1307025
Втулка распорная подшипника водяного насоса
Кол-во
1
?
18
53-1307027
Подшипник водяного насоса передний
Кол-во
1
?
19
66-1307028
Кольцо стопорное
Кол-во
1
?
20
12-1307024-В
Ступица шкива водяного насоса и вентилятора
Кол-во
1
?
Есть готовая заявка? Отправьте ее нам!
Если у вас уже есть список необходимых запчастей, загрузите файл с ним или укажите артикулы и названия запчастей в поле Комментарий, а также оставьте свои контактные данные. В течение рабочего дня мы оценим вашу заявку и отправим вам коммерческое предложение.
Отдел продаж

Если у вас уже есть готовая заявка на запасные части, то просто прикрепите файл с ней либо в поле «Комментарии» напишите артикулы и названия необходимых вам запчастей и оставьте контактные данные.

В течение рабочего дня мы выполним расчёт по вашей заявке и направим вам коммерческое предложение.

Только один файл.
Ограничение 128 МБ.
Допустимые типы: txt, rtf, pdf, doc, docx, odt, ppt, pptx, odp, xls, xlsx, ods.
пример: 89511234567 или +79511324567
Отправляя форму вы подтверждаете согласие с политикой обработки персональных данных.