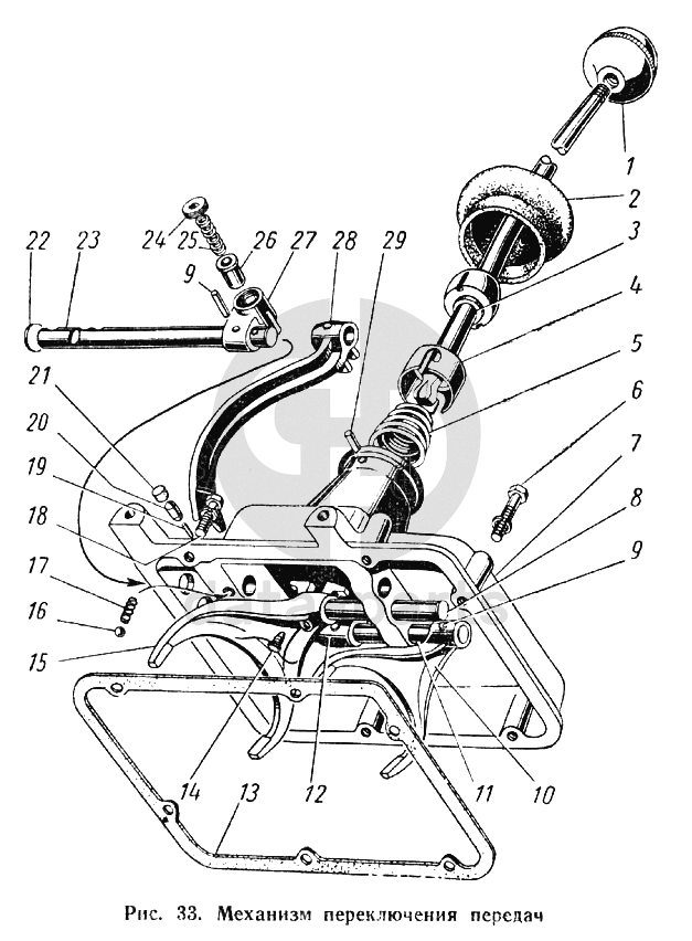
Механизм переключения передач ГАЗ-52-01

1
51-1703088
Рукоятка в сборе
Кол-во
1
?
2
52-1702128
Колпак верхней крышки коробки передач защитный
Кол-во
1
?
3
52-1702120
Рычаг переключения передач коробки передач
Кол-во
1
?
4
52-1702126
Колпак рычага переключения передач
Кол-во
1
?
5
52-1702122
Пружина рычага переключения передач
Кол-во
1
?
6
201505-П8
Болт М10-6gх45
Кол-во
5
?
7
52-1702015
Верхняя крышка коробки передач
Кол-во
1
?
8
53-1702041
Шток переключения третьей и четвертой передач
Кол-во
1
?
В наличии
225 ₽
9
258948-П8
Штифт 5х25
Кол-во
3
?
10
53-1702024
Вилка переключения первой и второй передач коробки передач
Кол-во
1
?
11
53-1702060
Шток переключения первой и второй передач
Кол-во
1
?
12
52-1702025
Головка штока переключения первой и второй передач коробки передач
Кол-во
1
?
13
52-1702016
Прокладка верхней крышки коробки передач
Кол-во
1
?
14
290766-П
Винт М10х1-6hх17,5
Кол-во
2
?
15
53-1702027
Вилка переключения третьей и четвертой передач коробки передач
Кол-во
1
?
16
263014-П
Шарик диаметром 9,5 мм фиксатора механизма переключения передач
Кол-во
3
?
17
ААА-7234
Пружина стопорного шарика механизма переключения передач
Кол-во
3
?
18
201497-П8
Болт М10х25
Кол-во
1
?
19
52-1702075
Палец штока переключения третьей и четвертой передач стопорный
Кол-во
1
?
20
52-1702080
Плунжер стопорный штоков переключения передач
Кол-во
2
?
В наличии
30 ₽
21
52-1702089
Заглушка отверстия плунжеров штока переключения передач
Кол-во
1
?
22
260307-П
Заглушка 20
Кол-во
3
?
23
52-1702042
Шток переключения заднего хода
Кол-во
1
?
24
52-1702099
Стопор пружины
Кол-во
1
?
25
52-1702098
Пружина предохранителя включения заднего хода коробки передач
Кол-во
1
?
26
52-1702097
Предохранитель включений первой и второй передач и заднего хода
Кол-во
1
?
27
52-1702095
Головка штока заднего хода коробки передач
Кол-во
1
?
28
52-1702092
Вилка включения заднего хода коробки передач
Кол-во
1
?
29
258639-П18
Штифт 6х16 установочный рычага переключения передач
Кол-во
2
?
Есть готовая заявка? Отправьте ее нам!
Если у вас уже есть список необходимых запчастей, загрузите файл с ним или укажите артикулы и названия запчастей в поле Комментарий, а также оставьте свои контактные данные. В течение рабочего дня мы оценим вашу заявку и отправим вам коммерческое предложение.
Отдел продаж

Если у вас уже есть готовая заявка на запасные части, то просто прикрепите файл с ней либо в поле «Комментарии» напишите артикулы и названия необходимых вам запчастей и оставьте контактные данные.

В течение рабочего дня мы выполним расчёт по вашей заявке и направим вам коммерческое предложение.

Только один файл.
Ограничение 128 МБ.
Допустимые типы: txt, rtf, pdf, doc, docx, odt, ppt, pptx, odp, xls, xlsx, ods.
пример: 89511234567 или +79511324567
Отправляя форму вы подтверждаете согласие с политикой обработки персональных данных.