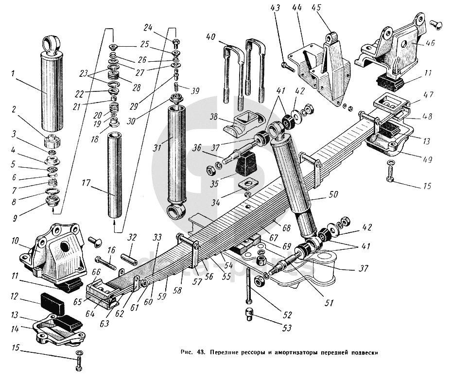
Передние рессоры и амортизаторы передней подвески ГАЗ-52-01

1
52-2905605
Шток амортизатора передней подвески с проушиной в сборе
Кол-во
2
?
2
13-2905610
Гайка резервуара амортизатора передней подвески
Кол-во
2
?
3
13-2905614
Сальник штока амортизатора передней подвески
Кол-во
2
?
4
13-2905615
Обойма сальника амортизатора передней подвески
Кол-во
2
?
5
13-2905616
Сальник штока амортизатора передней подвески
Кол-во
2
?
6
13-2905617
Шайба сальника амортизатора передней подвески
Кол-во
2
?
7
49-2905618
Пружина поджимная шайбы сальника амортизатора передней подвески
Кол-во
2
?
8
13-2905613-А
Кольцо уплотнительное
Кол-во
2
?
9
49-2905619
Направляющая штока амортизатора передней подвески
Кол-во
2
?
10
52-2902445
Кронштейн передней рессоры передний левый
Кол-во
1
?
11
52-2902431
Опора рессоры верхняя
Кол-во
4
?
В наличии
55 ₽
12
53-2902433-А
Упор рессоры
Кол-во
2
?
В наличии
255 ₽
13
52-2902432
Опора передней рессоры нижняя
Кол-во
4
?
14
52-2902450
Крышка
Кол-во
2
?
15
290775-П8
Болт М10х40
Кол-во
6
?
16
200277-П2
Болт М8-6gх90 ОСТ 37.001.122-96
Кол-во
8
?
17
52-2905625
Цилиндр амортизатора
Кол-во
2
?
18
13-2905644
Гайка клапана отдачи амортизатора передней подвески (454512094)
Кол-во
2
?
19
293375-П
Шайба 12
Кол-во
0
?
20
13-2905642
Пружина
Кол-во
2
?
21
13-2905643
Втулка штока амортизатора передней подвески
Кол-во
2
?
22
13-2905640-А
Тарелка клапана отдачи
Кол-во
2
?
23
13-2905636
Кольцо поршневое
Кол-во
4
?
24
13-2905665
Гайка клапана сжатия
Кол-во
2
?
25
52-2905628
Тарелка ограничительная перепускного клапана
Кол-во
2
?
26
52-2905630
Пружина перепускного клапана амортизатора
Кол-во
2
?
27
52-2905631
Тарелка клапана сжатия
Кол-во
2
?
28
52-2905635
Поршень амортизатора передней подвески
Кол-во
2
?
29
13-2905664
Стержень клапана сжатия амортизатора передней подвески
Кол-во
2
?
30
52-2905654
Корпус клапана сжатия амортизатора передней подвески
Кол-во
2
?
31
52-2905670
Резервуар амортизатора передней подвески в сборе
Кол-во
2
?
32
51-2902068
Втулка распорная хомута рессоры
Кол-во
8
?
33
53-2902015
Лист № 1 передней рессоры с чашками в сборе
Кол-во
2
?
34
51-2902632
Вкладыш
Кол-во
2
?
35
64-5640
Буфер передней рессоры
Кол-во
2
?
36
52-2905418
Палец крепления амортизатора передней подвески верхний
Кол-во
2
?
37
293496-П8
Шайба 19,5
Кол-во
4
?
38
51-2902412-А
Накладка передней рессоры
Кол-во
2
?
39
13-2905661
Пружина
Кол-во
2
?
40
53Ф-2902408
Стремянка передней рессоры
Кол-во
4
?
41
52-2905486
Втулка проушины амортизатора передней подвески
Кол-во
8
?
42
293378-П8
Шайба 12,5 пальца амортизатора
Кол-во
4
?
43
201500-П8
Болт М10х1,5х32
Кол-во
10
?
44
52-2905554
Усилитель кронштейна амортизатора
Кол-во
2
?
45
53-2905541
Кронштейн амортизатора верхний левый
Кол-во
1
?
46
52-2902447
Кронштейн передней рессоры задний левый
Кол-во
1
?
47
52-2902034
Чашка заднего конца передней рессоры верхняя
Кол-во
2
?
48
52-2902035
Чашка заднего конца передней рессоры нижняя
Кол-во
2
?
49
52-2902452
Крышка заднего кронштейна передней рессоры
Кол-во
2
?
50
53-2905006
Амортизатор передней подвески в сборе
Кол-во
2
?
51
52-2905472
Палец крепления амортизатора передней подвески нижний
Кол-во
2
?
52
290950-П2
Болт М12х1,25х88 листов передней рессоры
Кол-во
2
?
53
295169-П
Штифт специальный
Кол-во
2
?
54
53-2902110.А
Лист № 10 передней рессоры
Кол-во
2
?
55
53-2902109-А
Лист № 9 передней рессоры
Кол-во
2
?
56
53-2902052-А
Лист № 8 передней рессоры с хомутами в сборе
Кол-во
2
?
57
51-2912062-А
Хомут восьмого листа передней рессоры
Кол-во
4
?
58
53-2902107-А
Лист № 7 передней рессоры
Кол-во
2
?
59
53-2902106-А
Лист № 6 передней рессоры
Кол-во
2
?
60
53-2902105-А
Лист № 5 передней рессоры
Кол-во
2
?
61
53-2902051-А
Лист № 4 передней рессоры с хомутами в сборе
Кол-во
2
?
62
51-2902061-Б
Хомут четвертого листа передней рессоры
Кол-во
4
?
63
53-2902103-А
Лист № 3 передней рессоры
Кол-во
2
?
64
53-2902016
Лист № 2 передней рессоры с чашками в сборе
Кол-во
2
?
65
52-2902037
Чашка переднего конца передней рессоры нижняя
Кол-во
2
?
66
52-2902036
Чашка переднего конца передней, рессоры верхняя
Кол-во
2
?
67
53-2902111-А
Лист № 11 передней рессоры
Кол-во
2
?
68
52-2902112-А
Лист № 12 передней рессоры
Кол-во
2
?
69
53Ф-2902422
Подкладка передней рессоры
Кол-во
2
?
Есть готовая заявка? Отправьте ее нам!
Если у вас уже есть список необходимых запчастей, загрузите файл с ним или укажите артикулы и названия запчастей в поле Комментарий, а также оставьте свои контактные данные. В течение рабочего дня мы оценим вашу заявку и отправим вам коммерческое предложение.
Отдел продаж

Если у вас уже есть готовая заявка на запасные части, то просто прикрепите файл с ней либо в поле «Комментарии» напишите артикулы и названия необходимых вам запчастей и оставьте контактные данные.

В течение рабочего дня мы выполним расчёт по вашей заявке и направим вам коммерческое предложение.

Только один файл.
Ограничение 128 МБ.
Допустимые типы: txt, rtf, pdf, doc, docx, odt, ppt, pptx, odp, xls, xlsx, ods.
пример: 89511234567 или +79511324567
Отправляя форму вы подтверждаете согласие с политикой обработки персональных данных.