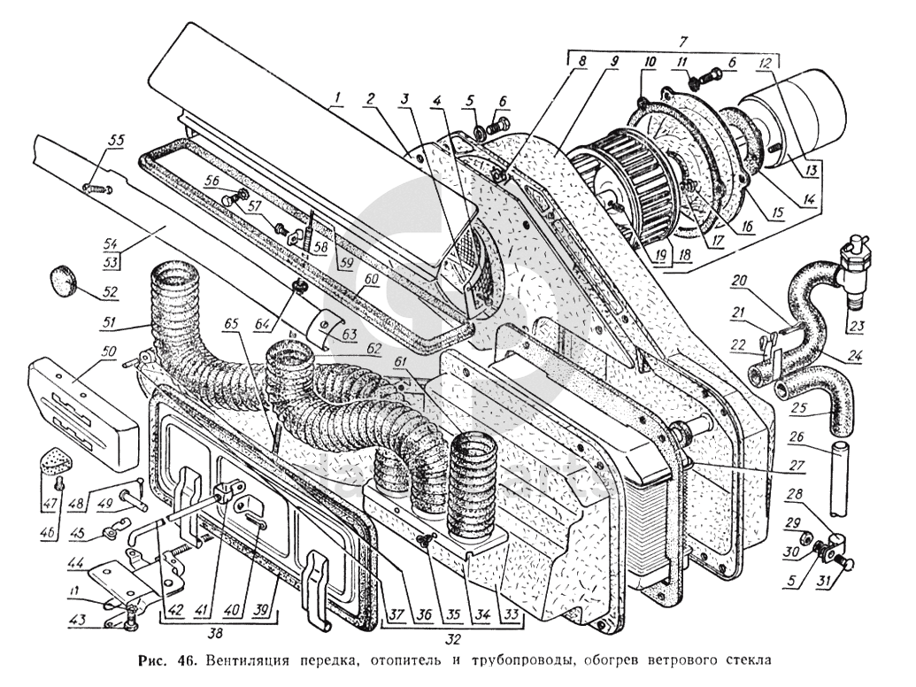
Вентиляция передка, отопитель и трубопроводы, обогрев ветрового стекла ГАЗ-52-02

1
13-5304012
Крышка вентиляции передка в сборе
Кол-во
1
?
2
53-8101114
Прокладка кожуха радиатора отопления
Кол-во
1
?
3
13-5304022-01
Сетка крышки вентилятора передка в сборе
Кол-во
1
?
4
240818-П29
Винт 4х12 ОСТ 37.001.188-81
Кол-во
3
?
5
252004-П29
Шайба 6 ОСТ 37.001.144-96
Кол-во
1
?
6
290509-П8
Болт М6х25
Кол-во
9
?
7
53-70-8101098
Кожух радиатора отопления в сборе
Кол-во
1
?
8
292685-П
Гайка М6 специальная
Кол-во
3
?
9
53-8101100
Кожух радиатора отопления
Кол-во
1
?
10
13-8102240
Прокладка диска электродвигателя заднего отопителя
Кол-во
1
?
11
252234-П29
Шайба 2-6 ОСТ 37.001.146-75
Кол-во
1
?
12
52-70-8102078
Электродвигатель с ротором обогрева ветрового стекла в сборе
Кол-во
1
?
13
13-8102080
Электродвигатель в сборе МЭ211Э
Кол-во
1
?
14
21-8102232
Прокладка электродвигателя вентилятора
Кол-во
1
?
15
13-8102238
Диск электродвигателя заднего отопителя
Кол-во
1
?
16
252173-П29
Шайба 2-5 ОСТ 37.001.145-75
Кол-во
2
?
17
250464-П8
Ганка М5 крепления электродвигателя
Кол-во
2
?
18
52-8102030
Ротор обдува ветрового стекла в сборе
Кол-во
1
?
19
242471-П8
Винт М5х12
Кол-во
1
?
20
297575-П29
Шплинт 5,6х22
Кол-во
2
?
21
297580-П29
Пряжка
Кол-во
2
?
22
297584-П29
Лента 10х235
Кол-во
2
?
23
Г-21Л-8101020
Краник запорный отопления в сборе КР-29
Кол-во
1
?
24
51-1014075-А
Шланг соединительный вентиляции картера
Кол-во
1
?
25
21-1014076
Шланг выпускной трубы отопителя
Кол-во
2
?
26
52-8101032-Б
Труба выпускного радиатора отопления
Кол-во
1
?
27
53-8101056
Радиатор отопления с прокладками в сборе
Кол-во
1
?
28
297507-П8
Скоба крепления выпускной трубы отопителя
Кол-во
1
?
29
250508-П29
Гайка М6-6Н ОСТ 37.001.124-93
Кол-во
1
?
30
252134-П2
Шайба 6Т ОСТ 37.001.115-75
Кол-во
1
?
31
290502-П29
Болт М6-6gх14
Кол-во
1
?
32
53-8101250
Распределитель отопления кузова в сборе
Кол-во
1
?
33
53-8101252
Распределитель отопления кузова
Кол-во
1
?
34
53А-8101236
Фланец распределителя отопления в сборе
Кол-во
1
?
35
298318-П2
Пистон
Кол-во
4
?
36
53-8101264
Заслонка распределителя отопления
Кол-во
1
?
37
258363-П
Ось заслонки (штифт) 3х16
Кол-во
2
?
38
52-8104195
Крышка вентиляции кузова с тягой в сборе
Кол-во
1
?
39
13-8104196
Крышка вентиляции кузова с уплотнителем в сборе
Кол-во
1
?
40
258024-П2
Шплинт 2,2х16
Кол-во
1
?
41
52-8104194
Скоба тяги привода крышки вентиляции передка
Кол-во
1
?
42
52-8104190
Тяга привода вентиляции передка
Кол-во
1
?
43
201416-П29
Болт М6-6gх12 ОСТ 37.001.123-96
Кол-во
2
?
В наличии
5 ₽
44
52-5304032
Привод вентиляции передка в сборе
Кол-во
1
?
45
13-8104192
Пружина тяги крышки вентиляции передка
Кол-во
1
?
46
222964-П29
Винт М3-6gх10
Кол-во
2
?
47
52-5304186
Ручка привода вентиляции передка
Кол-во
2
?
48
258011-П
Шплинт 2х10
Кол-во
2
?
49
260018-П8
Палец 6х35
Кол-во
2
?
50
52-5304189
Облицовка привода вентиляции передка
Кол-во
1
?
51
52-8101436-01
Шланг
Кол-во
1
?
52
52-8101152
Клапан слива
Кол-во
1
?
53
52-8102072
Распределитель обдува ветрового стекла правый
Кол-во
1
?
54
52-8102073
Распределитель обдува ветрового стекла левый
Кол-во
1
?
55
240623-П29
Винт М4х30
Кол-во
5
?
56
252233-П29
Шайба 2-5 ОСТ 37.001.146-75
Кол-во
3
?
57
290377-П29
Болт М5-6gх9
Кол-во
3
?
57
290377-П8
Болт М5х0,8х9
Кол-во
2
?
58
21-5304198
Зажим оболочки
Кол-во
2
?
59
52-5304202
Тяга привода крышки вентиляции передка
Кол-во
1
?
60
13-5304030
Уплотнитель крышки вентиляции передка
Кол-во
1
?
61
30-8102062
Шланг трубопровода вентилятора короткий
Кол-во
1
?
62
52-8102060
Шланг обдува ветрового стекла длинный
Кол-во
1
?
63
52-8102082
Накладка распределителя обдува ветрового стекла
Кол-во
1
?
64
А-17523
Втулка
Кол-во
1
?
65
52-5304200-А2
Оболочка тяги крышки вентиляции передка
Кол-во
1
?
Есть готовая заявка? Отправьте ее нам!
Если у вас уже есть список необходимых запчастей, загрузите файл с ним или укажите артикулы и названия запчастей в поле Комментарий, а также оставьте свои контактные данные. В течение рабочего дня мы оценим вашу заявку и отправим вам коммерческое предложение.
Отдел продаж

Если у вас уже есть готовая заявка на запасные части, то просто прикрепите файл с ней либо в поле «Комментарии» напишите артикулы и названия необходимых вам запчастей и оставьте контактные данные.

В течение рабочего дня мы выполним расчёт по вашей заявке и направим вам коммерческое предложение.

Только один файл.
Ограничение 128 МБ.
Допустимые типы: txt, rtf, pdf, doc, docx, odt, ppt, pptx, odp, xls, xlsx, ods.
пример: 89511234567 или +79511324567
Отправляя форму вы подтверждаете согласие с политикой обработки персональных данных.