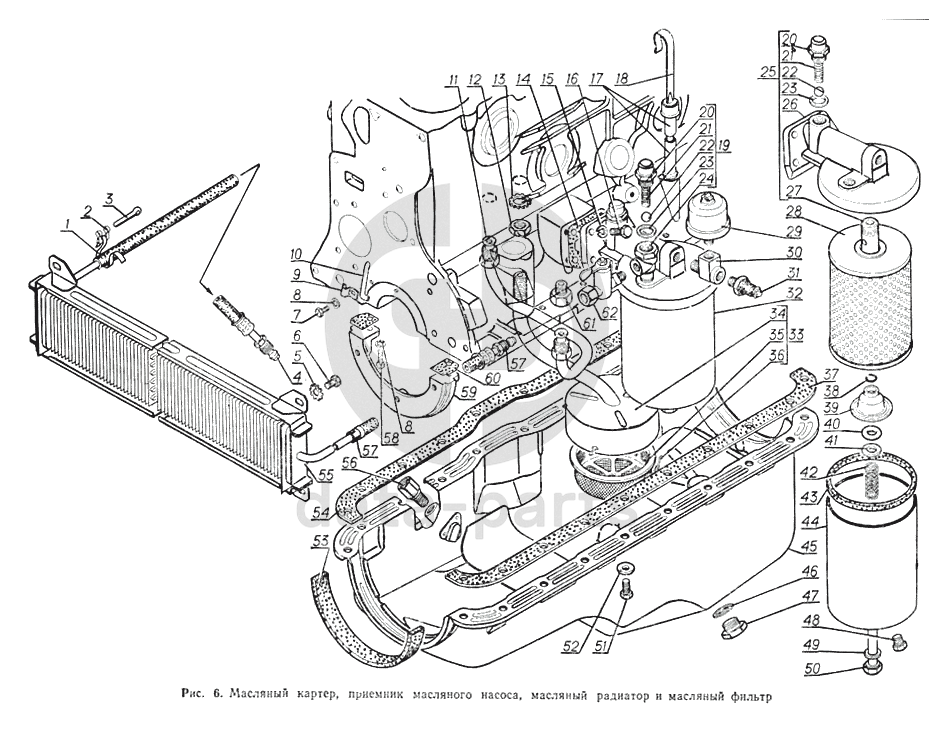
Масляный картер, приемник масляного насоса, масляный радиатор и масляный фильтр ГАЗ-52-02

1
297581-П29
Лента 10х160
Кол-во
2
?
2
297580-П29
Пряжка
Кол-во
2
?
3
297575-П29
Шплинт 5,6х22
Кол-во
2
?
4
63Ю-1013100-01
Шланг масляного радиатора в сборе
Кол-во
1
?
5
293270-П8
Шайба 8 пружинная зубчатая
Кол-во
4
?
6
201452-П8
Болт М8х1,25х12
Кол-во
4
?
7
290489-П
Болт М6-6gх12
Кол-во
1
?
8
253174-П8
Шайба 6,2
Кол-во
1
?
8
252174-П8
Шайба 6 пружинная
Кол-во
2
?
9
12-1006267
Скоба
Кол-во
1
?
10
49-1006049
Трубка смазки распределительных шестерен
Кол-во
1
?
11
11-6650
Трубка нагнетательная масляного насоса в сборе
Кол-во
1
?
12
250636-П8
Гайка М16х1,5
Кол-во
1
?
13
252239-П8
Шайба 16 пружинная
Кол-во
1
?
14
12-1012080-Б
Прокладка корпуса масляного фильтра
Кол-во
1
?
15
252135-П2
Шайба 8Т ОСТ 37.001.115-75
Кол-во
4
?
В наличии
4 ₽
16
201458-П8
Болт М8х1,25х25
Кол-во
4
?
17
70-6748
Трубка указателя уровня масла
Кол-во
1
?
18
51-1009050-Б2
Указатель уровня масла в сборе
Кол-во
1
?
19
63-1013095
Клапан масляного радиатора в сборе
Кол-во
1
?
20
296499-П8
Пробка М18х1,5
Кол-во
1
?
21
202-6092
Пружина перепускного клапана масляного радиатора
Кол-во
1
?
22
Б IV 11,906 мм П ГОСТ 3722—60
Шарик (353087-S)
Кол-во
1
?
23
297248-П
Прокладка диаметром 18 пробки в сборе
Кол-во
1
?
24
63-1013097
Корпус клапана масляного радиатора
Кол-во
1
?
25
52-04-1017015
Корпус масляного фильтра в сборе
Кол-во
1
?
26
52-04-1017020
Корпус
Кол-во
1
?
27
52-04-1017022
Втулка
Кол-во
1
?
28
МФ4-1017140
Элемент фильтрующий (52-04-1017140)
Кол-во
1
?
29
52-04-3810600
Датчик давления масла в двигателе ММ358
Кол-во
1
?
30
298456-П
Штуцер К1/4" датчиков давления масла
Кол-во
1
?
32
52-04-1017010
Фильтр масляный в сборе
Кол-во
1
?
33
51А-1010010-Б
Маслоприемник в сборе
Кол-во
1
?
34
51А-1010048-Б
Трубка приемная масляного насоса с наконечником и корпусом в сборе
Кол-во
1
?
35
53-1010045
Сетка маслоприемника с каркасом в сборе
Кол-во
1
?
36
53-1010040
Пружина
Кол-во
1
?
37
11-6711
Прокладка масляного картера левая
Кол-во
1
?
38
13Б-5606178
Кольцо стопорное
Кол-во
1
?
39
52-04-1017098
Чашка опорная фильтрующего элемента
Кол-во
1
?
40
52-04-1017062
Кольцо уплотнительное болта
Кол-во
1
?
41
252007-П8
Шайба 12,5
Кол-во
1
?
42
13-3407130
Пружина
Кол-во
1
?
43
52-04-1017065
Прокладка корпуса фильтра
Кол-во
1
?
44
52-04-1017056
Отстойник в сборе
Кол-во
1
?
45
51-1009010-33
Картер масляный в сборе
Кол-во
1
?
46
297282-П
Прокладка диаметром 22 пробки в сборе
Кол-во
1
?
47
296507-П8
Пробка М22х1,5х10
Кол-во
1
?
48
353052-П8
Пробка КГ 1/4"
Кол-во
1
?
49
52-04-1017033
Шайба уплотнительная
Кол-во
1
?
50
291577-П8
Болт М12х 1,25х110
Кол-во
1
?
51
201454-П8
Болт М8-6gх16
Кол-во
20
?
52
293277-П8
Шайба 8
Кол-во
20
?
53
11-6701
Прокладка масляного картера передняя и задняя
Кол-во
2
?
54
11-6710
Прокладка масляного картера правая
Кол-во
1
?
55
52-01-1013010
Радиатор масляный в сборе
Кол-во
1
?
56
298339-П29
Штуцер КГ 1/4"
Кол-во
1
?
57
13Ю-1714100-01
Шланг в сборе
Кол-во
1
?
58
222527-П
Винт М6х20
Кол-во
2
?
59
51-1009065-А2
Скоба уплотнительная
Кол-во
1
?
60
51-1009066
Прокладка скобы уплотнения передней части масляного картера
Кол-во
2
?
61
11-6653
Штуцер нагнетательной трубки масляного насоса
Кол-во
2
?
62
Г-51-1013140-02
Краник ПП6-1
Кол-во
1
?
Есть готовая заявка? Отправьте ее нам!
Если у вас уже есть список необходимых запчастей, загрузите файл с ним или укажите артикулы и названия запчастей в поле Комментарий, а также оставьте свои контактные данные. В течение рабочего дня мы оценим вашу заявку и отправим вам коммерческое предложение.
Отдел продаж

Если у вас уже есть готовая заявка на запасные части, то просто прикрепите файл с ней либо в поле «Комментарии» напишите артикулы и названия необходимых вам запчастей и оставьте контактные данные.

В течение рабочего дня мы выполним расчёт по вашей заявке и направим вам коммерческое предложение.

Только один файл.
Ограничение 128 МБ.
Допустимые типы: txt, rtf, pdf, doc, docx, odt, ppt, pptx, odp, xls, xlsx, ods.
пример: 89511234567 или +79511324567
Отправляя форму вы подтверждаете согласие с политикой обработки персональных данных.