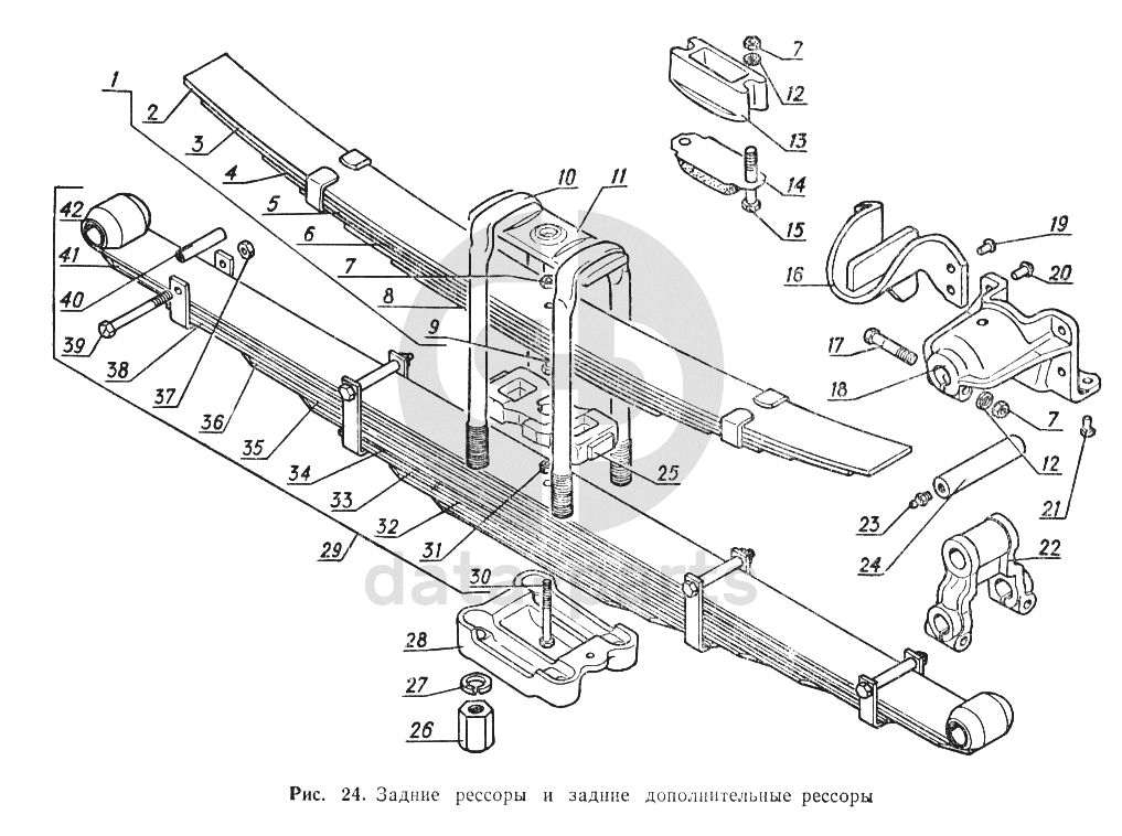
Задние рессоры и задние дополнительные рессоры ГАЗ-52-02

1
51-2913012-42
Рессора задняя дополнительная в сборе
Кол-во
2
?
2
51А-2913101
Лист № 1
Кол-во
2
?
3
51А-2913102
Лист № 2
Кол-во
2
?
4
51А-2913103
Лист № 3
Кол-во
2
?
5
51А-2913051
Лист № 4 рессоры с хомутами в сборе
Кол-во
2
?
6
51А-2913105
Лист № 5
Кол-во
2
?
7
250513-П8
Гайка М10х1-6Н
Кол-во
2
?
8
51А-2913106
Лист № 6
Кол-во
2
?
9
290825-П2
Болт М10х1х58
Кол-во
2
?
10
66-2912408-02
Стремянка
Кол-во
4
?
11
53-2912412
Накладка задней рессоры
Кол-во
2
?
12
252136-П2
Шайба 10 ОТ ОСТ 37.001.115-75
Кол-во
4
?
13
51-2912630
Подкладка буфера задней рессоры
Кол-во
2
?
14
51-2912622
Буфер задней рессоры в сборе
Кол-во
2
?
В наличии
215 ₽
15
201532-П8
Болт М10Х1Х70 крепления буфера
Кол-во
4
?
16
51-2913444-Б
Кронштейн
Кол-во
4
?
17
290825-П8
Болт М10х1х58
Кол-во
8
?
18
51-2912444-А1
Кронштейн
Кол-во
4
?
19
294434-П
Заклепка 10х32
Кол-во
16
?
20
294435-П
Заклепка 10х34
Кол-во
12
?
21
294436-П
Заклепка 10х37
Кол-во
12
?
22
51-2912462-А
Серьга с втулками в сборе
Кол-во
2
?
23
264020-П8
Пресс-масленка К 1/8"
Кол-во
6
?
24
51-2902478
Палец
Кол-во
6
?
25
51-2913420-Б
Подкладка задней дополнительной рессоры
Кол-во
4
?
26
292931-П8
Гайка М20х1,5-4Н5Н
Кол-во
8
?
27
252141-П2
Шайба 20.ОТ ОСТ 37.001.115-75
Кол-во
8
?
28
53-2912418-01
Подкладка стремянок
Кол-во
2
?
29
51-2912012-24
Рессора задняя в сборе
Кол-во
2
?
30
290973-П2
Болт М12х1,25-6gх95
Кол-во
2
?
В наличии
75 ₽
31
251815-П2
Гайка М12х1,25
Кол-во
2
?
32
51-2912108
Лист № 8
Кол-во
2
?
33
51А-2912107
Лист № 7
Кол-во
2
?
34
51А-2912052
Лист № 6 с хомутами в сборе
Кол-во
2
?
35
51А-2912105
Лист № 5
Кол-во
2
?
36
51А-2912104
Лист № 4
Кол-во
2
?
37
250510-П2
Гайка М8-6Н ОСТ 37.001.124-93
Кол-во
8
?
38
51А-2912051
Лист № 3 с хомутами в сборе
Кол-во
2
?
39
200277-П2
Болт М8-6gх90 ОСТ 37.001.122-96
Кол-во
8
?
40
51-2902068
Втулка распорная хомута рессоры
Кол-во
8
?
41
51А-2912102
Лист № 2
Кол-во
2
?
42
51А-2912015
Лист № 1 с втулками в сборе
Кол-во
2
?
Есть готовая заявка? Отправьте ее нам!
Если у вас уже есть список необходимых запчастей, загрузите файл с ним или укажите артикулы и названия запчастей в поле Комментарий, а также оставьте свои контактные данные. В течение рабочего дня мы оценим вашу заявку и отправим вам коммерческое предложение.
Отдел продаж

Если у вас уже есть готовая заявка на запасные части, то просто прикрепите файл с ней либо в поле «Комментарии» напишите артикулы и названия необходимых вам запчастей и оставьте контактные данные.

В течение рабочего дня мы выполним расчёт по вашей заявке и направим вам коммерческое предложение.

Только один файл.
Ограничение 128 МБ.
Допустимые типы: txt, rtf, pdf, doc, docx, odt, ppt, pptx, odp, xls, xlsx, ods.
пример: 89511234567 или +79511324567
Отправляя форму вы подтверждаете согласие с политикой обработки персональных данных.