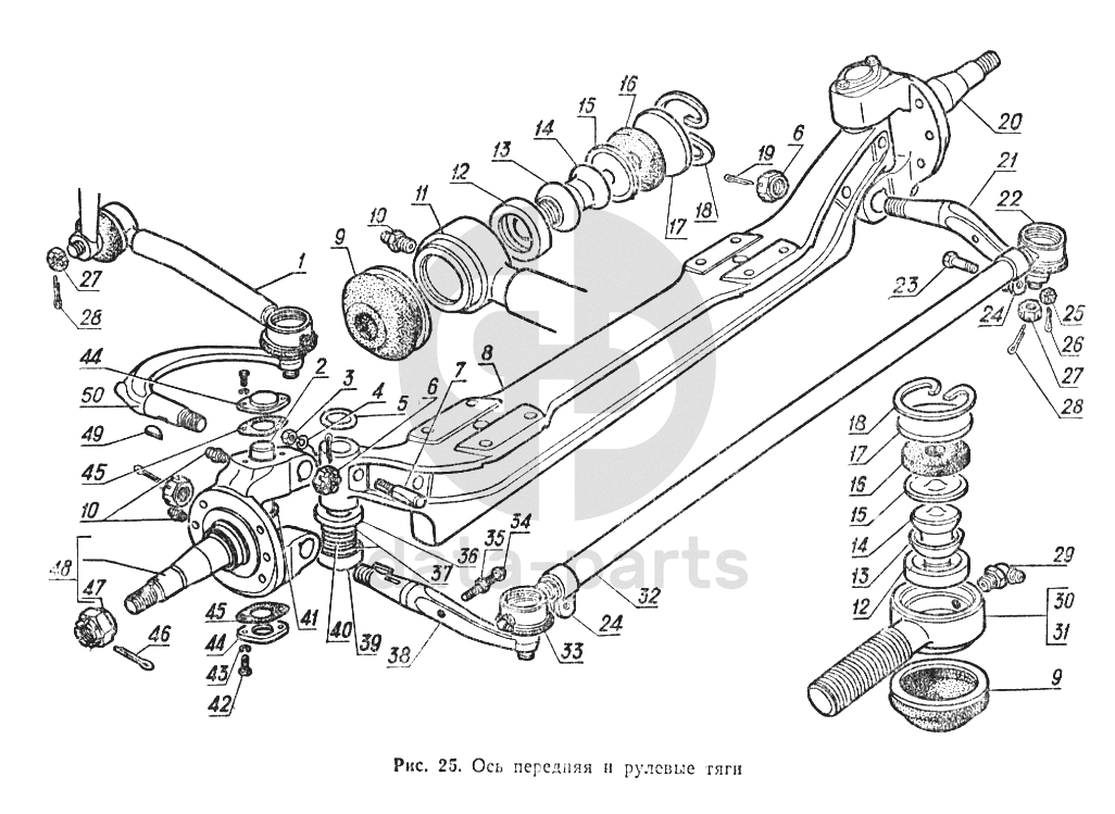
Ось передняя и рулевые тяги ГАЗ-52-02

1
53А-3003010-01
Тяга продольная рулевая в сборе
Кол-во
1
?
2
53А-3001019
Шкворень поворотного кулака
Кол-во
2
?
3
250507-П29
Гайка М12х1,25-6Н
Кол-во
2
?
4
252137-П2
Шайба 12.ОТ ОСТ 37.001.115-75
Кол-во
2
?
5
51-3001022
Шайба регулировочная
Кол-во
2
?
6
251016-П8
Гайка М22х1,5
Кол-во
1
?
7
51-3001025-02
Штифт стопорный шкворня поворотного кулака
Кол-во
2
?
В наличии
45 ₽
8
53-3001010
Балка передней оси
Кол-во
1
?
9
53А-3003162
Уплотнитель наконечника рулевой тяги с обоймой в сборе
Кол-во
2
?
10
264020-П8
Пресс-масленка К 1/8"
Кол-во
2
?
11
53А-3003014
Тяга продольная рулевая
Кол-во
1
?
12
53А-3003067
Вкладыш наконечника рулевой тяги
Кол-во
2
?
13
52-3003066
Сухарь пальца
Кол-во
2
?
14
52-3003065-А
Палец наконечника поперечной рулевой тяги
Кол-во
2
?
15
53А-3003068-10
Пята опорная пальца
Кол-во
2
?
16
52-3003074-11
Буфер опорной пяты
Кол-во
2
?
17
53А-3003106-02
Крышка наконечника рулевой тяги
Кол-во
2
?
18
53А-3003071
Кольцо стопорное заглушки наконечника
Кол-во
2
?
19
258069-П8
Шплинт 5х36
Кол-во
2
?
20
53А-3001012
Кулак поворотный правый в сборе
Кол-во
1
?
21
53-3001030
Рычаг рулевой трапеции правый
Кол-во
0
?
22
53А-3003056
Наконечник поперечной рулевой тяги правый в сборе
Кол-во
1
?
23
205441-П8
Болт М10х1х38
Кол-во
2
?
24
53А-3003078-01
Хомут стяжной
Кол-во
2
?
25
250868-П29
Гайка М10х1-6Н
Кол-во
2
?
26
258025-П8
Шплинт 2,5х20
Кол-во
2
?
27
250979-П8
Гайка М16х1,5
Кол-во
2
?
28
258054-П8
Шплинт 3,6х32
Кол-во
2
?
29
264040-П8
Пресс-масленка К 1/8"
Кол-во
2
?
30
53А-3003062
Наконечник поперечной рулевой тяги правый
Кол-во
1
?
31
53А-3003063
Корпус наконечника
Кол-во
1
?
32
53А-3003054
Тяга поперечная рулевая
Кол-во
1
?
33
53А-3003057-01
Наконечник поперечной рулевой тяги левый в сборе
Кол-во
1
?
34
290811-П8
Болт М10х1-6gх35
Кол-во
2
?
35
250613-П29
Гайка 10х1-6Н
Кол-во
2
?
36
51-3001021
Кулак защитный упорного подшипника шкворня
Кол-во
2
?
37
52-3001029
Шайба шкворня поворотного кулака упорная
Кол-во
4
?
38
53-3001031
Рычаг рулевой трапеции левый
Кол-во
0
?
39
52-3001027
Обойма подшипника шкворня
Кол-во
2
?
40
52-3001028
Шайба шкворня поворотного кулака упорная средняя
Кол-во
2
?
41
53А-3001023
Кольцо уплотнительное
Кол-во
4
?
42
201415-П8
Болт М6-6gх10
Кол-во
8
?
43
252154-П2
Шайба 6Л ОСТ 37.001.115-75
Кол-во
8
?
44
53-3001040-А
Крышка шкворня
Кол-во
4
?
45
53-3001052-А
Прокладка крышки шкворня
Кол-во
4
?
46
258070-П8
Шплинт 5х40 ОСТ 37.001.171-93
Кол-во
2
?
47
292961-П8
Гайка М24х1,5-5Н6Н
Кол-во
2
?
48
53А-3001013
Кулак поворотный левый в сборе
Кол-во
1
?
49
260417-П
Шпонка 5х22
Кол-во
1
?
50
53-3001035
Рычаг поворотного кулака
Кол-во
0
?
Есть готовая заявка? Отправьте ее нам!
Если у вас уже есть список необходимых запчастей, загрузите файл с ним или укажите артикулы и названия запчастей в поле Комментарий, а также оставьте свои контактные данные. В течение рабочего дня мы оценим вашу заявку и отправим вам коммерческое предложение.
Отдел продаж

Если у вас уже есть готовая заявка на запасные части, то просто прикрепите файл с ней либо в поле «Комментарии» напишите артикулы и названия необходимых вам запчастей и оставьте контактные данные.

В течение рабочего дня мы выполним расчёт по вашей заявке и направим вам коммерческое предложение.

Только один файл.
Ограничение 128 МБ.
Допустимые типы: txt, rtf, pdf, doc, docx, odt, ppt, pptx, odp, xls, xlsx, ods.
пример: 89511234567 или +79511324567
Отправляя форму вы подтверждаете согласие с политикой обработки персональных данных.