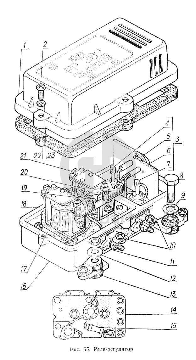
Реле-регулятор ГАЗ-52-02

%
1
РР362-3702003-А
Крышка
Кол-во
1
?
2
8Х-1549
Винт крепления крышки
Кол-во
5
?
3
РР362-3702800
Блок полупроводниковый
Кол-во
1
?
4
КД-202-В (УЖЗ.362.036 ТУ)
Диод
Кол-во
1
?
5
П-217 (СИ3.365.017 ТУ)
Транзистор
Кол-во
1
?
6
РР362-3702810-А2
Теплоотвод с панелью в сборе
Кол-во
1
?
7
Д-242 (А-0336.206 ТУ)
Диод
Кол-во
1
?
8
201422-П8
Болт М6-6gх25
Кол-во
3
?
9
252174-П29
Шайба 2-6 ОСТ 37.001.145-75
Кол-во
1
?
10
ВК14-3708053
Скоба клеммы включателя стартера
Кол-во
2
?
11
252154-П2
Шайба 6Л ОСТ 37.001.115-75
Кол-во
2
?
12
252004-П8
Шайба 6
Кол-во
2
?
13
РР24-3702006
Амортизатор в сборе
Кол-во
3
?
14
РР362-3702510-Ж
Панель с сопротивлениями в сборе
Кол-во
1
?
15
МЛТ-2-62-Ом±5%
Резистор ГОС-Т-7113-77
Кол-во
1
?
16
РР362-3702101-А
Основание
Кол-во
1
?
17
РР362-3702100
Основание с выводами и клеммами в сборе
Кол-во
1
?
18
РР352-3702400-Е
Регулятор напряжения в сборе
Кол-во
1
?
19
МЛТ-0,5-240-Ом±5%
Резистор ГОС-Т-7113-77
Кол-во
1
?
20
РР362-3702600-Е
Реле защиты в сборе
Кол-во
1
?
21
РР24-3702418
Пружина
Кол-во
2
?
22
РР362-3702008
Прокладка уплотнительная
Кол-во
1
?
23
4-082
Шайба
Кол-во
5
?
Есть готовая заявка? Отправьте ее нам!
Если у вас уже есть список необходимых запчастей, загрузите файл с ним или укажите артикулы и названия запчастей в поле Комментарий, а также оставьте свои контактные данные. В течение рабочего дня мы оценим вашу заявку и отправим вам коммерческое предложение.
Отдел продаж

Если у вас уже есть готовая заявка на запасные части, то просто прикрепите файл с ней либо в поле «Комментарии» напишите артикулы и названия необходимых вам запчастей и оставьте контактные данные.

В течение рабочего дня мы выполним расчёт по вашей заявке и направим вам коммерческое предложение.

Только один файл.
Ограничение 128 МБ.
Допустимые типы: txt, rtf, pdf, doc, docx, odt, ppt, pptx, odp, xls, xlsx, ods.
пример: 89511234567 или +79511324567
Отправляя форму вы подтверждаете согласие с политикой обработки персональных данных.