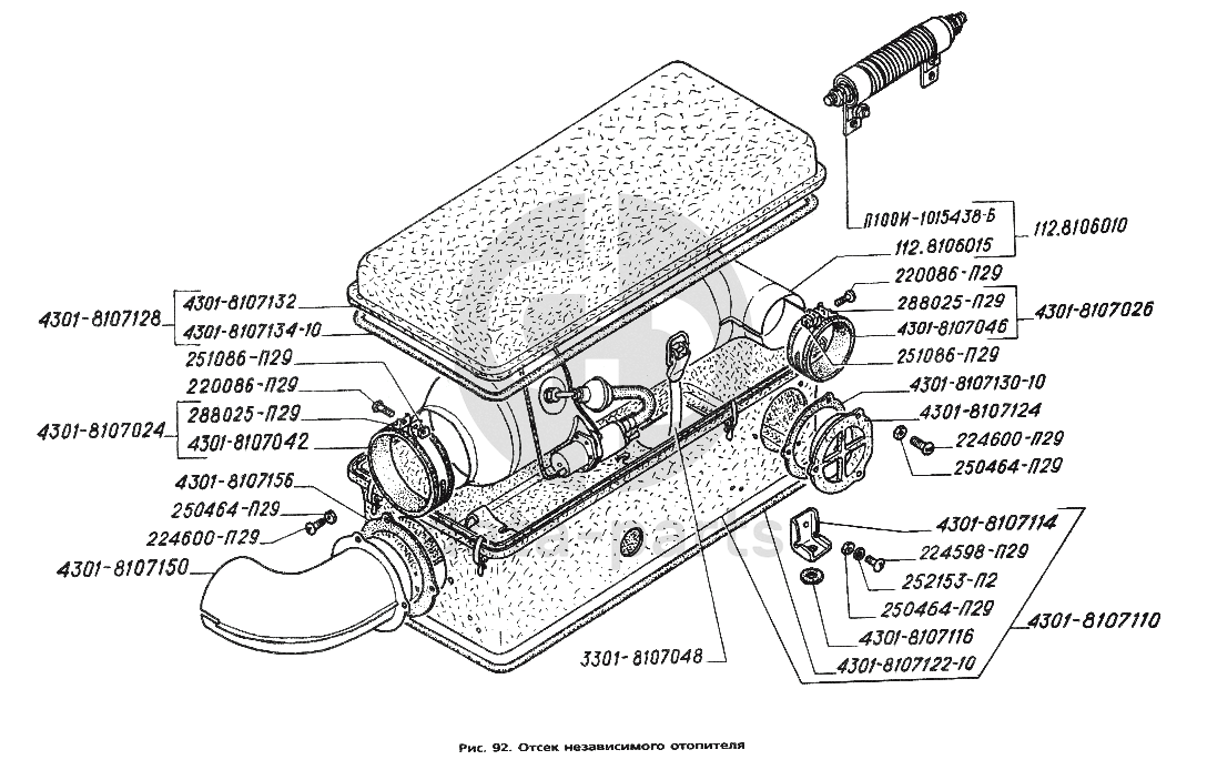
Отсек независимого отопителя ГАЗ-3306

None
288025-П29
Хомут 80
Кол-во
0
?
None
4301-8107042
Лента уплотнительная
Кол-во
0
?
None
3301-8107048
Лента стяжная
Кол-во
0
?
None
4301-8107128
Крышка отсека с уплотнителем
Кол-во
0
?
None
4301-8107132
Крышка отсека
Кол-во
0
?
None
4301-8107114
Кронштейн
Кол-во
0
?
None
250464-П29
Гайка М5-6Н ОСТ 37.001.124-93
Кол-во
0
?
None
252153-П2
Шайба 5Л ОСТ 37.001.115-75
Кол-во
0
?
None
4301-8107134-10
Уплотнитель
Кол-во
0
?
None
224600-П29
Винт М5-6gх16
Кол-во
0
?
None
224598-П29
Винт М5-6gх12 ОСТ 37.001.130-81
Кол-во
0
?
None
220086-П29
Винт М5-6gх30 ОСТ 37.001.127-81
Кол-во
0
?
None
4301-8107046
Лента уплотнительная
Кол-во
0
?
None
112-8106015
Отопитель
Кол-во
0
?
None
П100И-1015438-Б
Электросопротивление
Кол-во
0
?
None
4301-8107026
Хомут
Кол-во
0
?
None
4301-8107024
Хомут
Кол-во
0
?
None
4301-8107122-10
Прокладка
Кол-во
0
?
None
4301-8107156
Прокладка патрубка
Кол-во
0
?
None
4301-8107130-10
Прокладка впускного патрубка
Кол-во
0
?
None
4301-8107116
Прокладка
Кол-во
0
?
None
4301-8107124
Патрубок выпускной
Кол-во
0
?
None
4301-8107150
Патрубок впускной
Кол-во
0
?
None
4301-8107110
Отсек независимого отопителя
Кол-во
0
?
None
112-8106010
Отопительно-вентиляционная установка
Кол-во
0
?
None
251086-П29
Гайка М5-6Н ОСТ 37.001.112-91
Кол-во
0
?
Есть готовая заявка? Отправьте ее нам!
Если у вас уже есть список необходимых запчастей, загрузите файл с ним или укажите артикулы и названия запчастей в поле Комментарий, а также оставьте свои контактные данные. В течение рабочего дня мы оценим вашу заявку и отправим вам коммерческое предложение.
Отдел продаж

Если у вас уже есть готовая заявка на запасные части, то просто прикрепите файл с ней либо в поле «Комментарии» напишите артикулы и названия необходимых вам запчастей и оставьте контактные данные.

В течение рабочего дня мы выполним расчёт по вашей заявке и направим вам коммерческое предложение.

Только один файл.
Ограничение 128 МБ.
Допустимые типы: txt, rtf, pdf, doc, docx, odt, ppt, pptx, odp, xls, xlsx, ods.
пример: 89511234567 или +79511324567
Отправляя форму вы подтверждаете согласие с политикой обработки персональных данных.