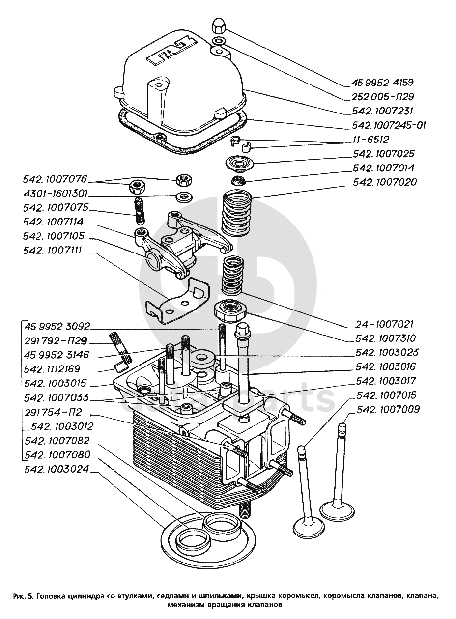
Головка цилиндра с втулками, седлами и шпильками, крышка коромысел, коромысла клапанов, клапана, механизм вращения клапанов ГАЗ-3306

None
291792-П29
Шпилька М10х1-4hх28
Кол-во
0
?
None
542.1007114
Коромысло клапана
Кол-во
0
?
None
542.1007014
Колпачок
Кол-во
0
?
None
542.1007015
Клапан выпускной
Кол-во
0
?
None
542.1007009
Клапан впускной
Кол-во
0
?
None
542.1007076
Гайка
Кол-во
0
?
None
542.1007033
Втулка направляющая клапана
Кол-во
0
?
None
542.1007075
Винт регулировочный
Кол-во
0
?
None
542.1003016
Болт
Кол-во
0
?
None
291781-П2
Шпилька М10Х1Х65
Кол-во
0
?
None
24-1007021
Пружина
Кол-во
0
?
None
542.1003012
Головка цилиндра со втулками, седлами и шпильками
Кол-во
0
?
None
542.1003015
Головка цилиндра
Кол-во
0
?
None
45 9952 3092
Шпилька М8х1-4hх75
Кол-во
0
?
None
11-6512
Сухарь клапана
Кол-во
0
?
None
542.1007231
Крышка коромысел
Кол-во
0
?
None
542.1007310
Механизм вращения клапана
Кол-во
0
?
None
4301-1601301
Шайба 10х20 коническая
Кол-во
0
?
None
45 9952 4159
Гайка М8х1-5Н6Н
Кол-во
0
?
None
291754-П2
Шпилька М8х1-4hх42
Кол-во
0
?
None
542.1003023
Шайба
Кол-во
0
?
None
542.1003017
Шайба
Кол-во
0
?
None
542.1007111
Фиксатор
Кол-во
0
?
None
542.1007025
Тарелка пружин клапана
Кол-во
0
?
None
542.1007105
Стойка коромысел
Кол-во
0
?
None
542.1007080
Седло вставное выпускного клапана
Кол-во
0
?
None
542.1007082
Седло вставное выпускного клапана
Кол-во
0
?
None
542.1007020
Пружина клапана наружная
Кол-во
0
?
None
542.1003024
Прокладка толщина 2,5 мм
Кол-во
0
?
None
542.1007245-01
Прокладка крышки коромысел
Кол-во
0
?
None
542.1112169
Опора скобы
Кол-во
0
?
None
252005-П29
Шайба 8 ОСТ 37.001.144-96
Кол-во
0
?
Есть готовая заявка? Отправьте ее нам!
Если у вас уже есть список необходимых запчастей, загрузите файл с ним или укажите артикулы и названия запчастей в поле Комментарий, а также оставьте свои контактные данные. В течение рабочего дня мы оценим вашу заявку и отправим вам коммерческое предложение.
Отдел продаж

Если у вас уже есть готовая заявка на запасные части, то просто прикрепите файл с ней либо в поле «Комментарии» напишите артикулы и названия необходимых вам запчастей и оставьте контактные данные.

В течение рабочего дня мы выполним расчёт по вашей заявке и направим вам коммерческое предложение.

Только один файл.
Ограничение 128 МБ.
Допустимые типы: txt, rtf, pdf, doc, docx, odt, ppt, pptx, odp, xls, xlsx, ods.
пример: 89511234567 или +79511324567
Отправляя форму вы подтверждаете согласие с политикой обработки персональных данных.