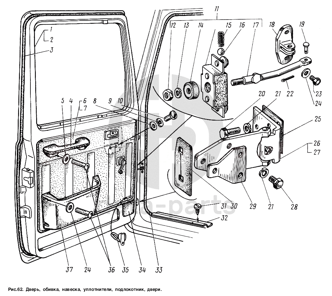
Дверь, обивка, навеска, уплотнители, подлокотник двери ГАЗ-3307

1
4301-6100018
Дверь правая (бондеризованная, грунтованная)
Кол-во
1
?
2
4301-6100019
Дверь левая (бондеризованная, грунтованная)
Кол-во
1
?
3
4301-6107020
Уплотнитель
Кол-во
2
?
4
4301-6114010
Подлокотник двери в сборе
Кол-во
2
?
5
252269-П29
Шайба 6 ОСТ 37.001.145-75
Кол-во
4
?
6
4301-6102012
Обивка двери правая в сборе
Кол-во
1
?
7
4301-6102013
Обивка двери левая в сборе
Кол-во
1
?
8
252004-П29
Шайба 6 ОСТ 37.001.144-96
Кол-во
4
?
9
252154-П2
Шайба 6Л ОСТ 37.001.115-75
Кол-во
4
?
10
224624-П29
Винт М6-6gх14 ОСТ 37.001.130-81
Кол-во
4
?
11
4301-6106082
Ограничитель двери в сборе
Кол-во
2
?
12
250610-П29
Гайка М8-6Н ОСТ 37.001.124-93
Кол-во
2
?
13
252135-П2
Шайба 8Т ОСТ 37.001.115-75
Кол-во
2
?
В наличии
4 ₽
14
4301-6106086
Буфер ограничителя двери в сборе
Кол-во
1
?
15
4301-6106188
Пружина стопора ограничителя
Кол-во
1
?
16
Б9.525-200
Шарик ГОСТ3722-81
Кол-во
4
?
17
4301-6106090
Рычаг ограничителя
Кол-во
1
?
18
24-6106088
Кронштейн ограничителя
Кол-во
2
?
19
260009-П29
Палец 6х14 ОСТ 37.001.163-97
Кол-во
2
?
В наличии
40 ₽
20
290754-П8
Болт М10х1-6gх28
Кол-во
12
?
21
252156-П2
Шайба 10Л ОСТ 37.001.115-75
Кол-во
24
?
22
258011-П29
Шплинт 2х10 ОСТ 37.001.171-93
Кол-во
2
?
23
201415-П29
Болт М6-6gх10 ОСТ 37.001.123-96
Кол-во
4
?
24
252174-П29
Шайба 2-6 ОСТ 37.001.145-75
Кол-во
4
?
25
4301-6106046
Прокладка
Кол-во
4
?
26
4301-6106010
Петля правая
Кол-во
2
?
27
4301-6106011
Петля левая
Кол-во
2
?
28
290749-П8
Болт М10х1-6gх18
Кол-во
12
?
29
24-6106016-01
Пластина крепления петли к двери
Кол-во
2
?
30
3102-6206364
Уплотнитель петли
Кол-во
2
?
31
240818-П29
Винт 4х12 ОСТ 37.001.188-81
Кол-во
8
?
32
4301-6101560
Облицовка порога
Кол-во
2
?
33
4301-6107126
Кант проема двери в сборе
Кол-во
2
?
34
4301-6101462
Крышка петельного люка
Кол-во
2
?
35
21-6102080
Пистон крепления обивки в сборе
Кол-во
5
?
36
220109-П29
Винт М6-6gх25 ОСТ 37.001.127-81
Кол-во
8
?
37
4301-3912406
Ящик аптечки
Кол-во
1
?
под заказ
цена по запросу
Есть готовая заявка? Отправьте ее нам!
Если у вас уже есть список необходимых запчастей, загрузите файл с ним или укажите артикулы и названия запчастей в поле Комментарий, а также оставьте свои контактные данные. В течение рабочего дня мы оценим вашу заявку и отправим вам коммерческое предложение.
Отдел продаж

Если у вас уже есть готовая заявка на запасные части, то просто прикрепите файл с ней либо в поле «Комментарии» напишите артикулы и названия необходимых вам запчастей и оставьте контактные данные.

В течение рабочего дня мы выполним расчёт по вашей заявке и направим вам коммерческое предложение.

Только один файл.
Ограничение 128 МБ.
Допустимые типы: txt, rtf, pdf, doc, docx, odt, ppt, pptx, odp, xls, xlsx, ods.
пример: 89511234567 или +79511324567
Отправляя форму вы подтверждаете согласие с политикой обработки персональных данных.