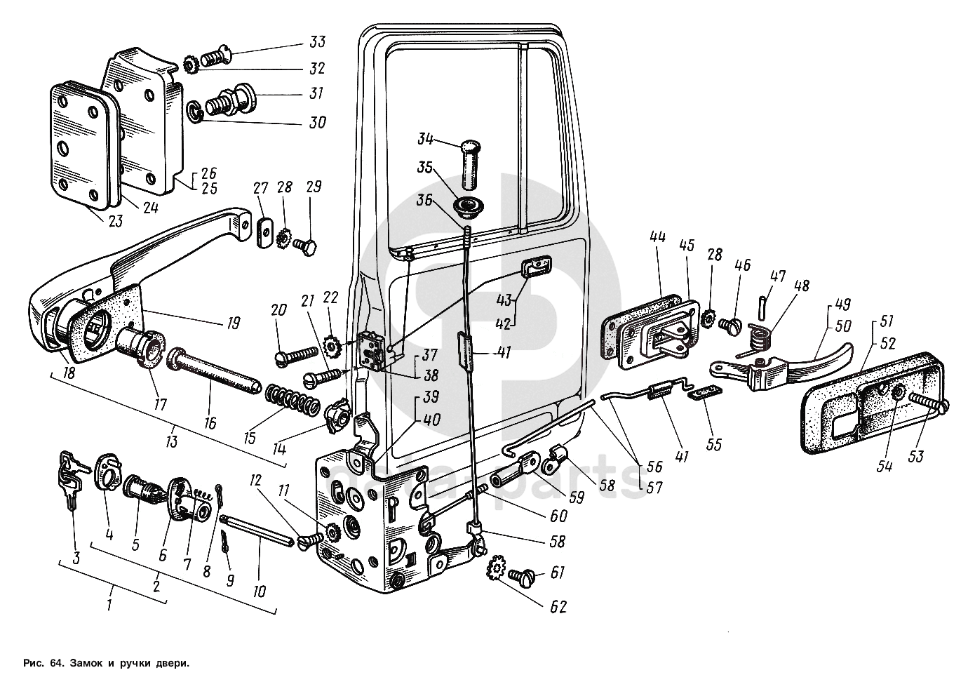
Замок и ручки двери ГАЗ-3307

1
4301-6105080
Выключатель замка двери с ключами
Кол-во
1
?
2
4301-6105090
Выключатель замка двери
Кол-во
2
?
3
3102-6105548
Ключи замка двери с кольцом
Кол-во
1
?
4
4301-6105432
Заслонка выключателя замка двери
Кол-во
1
?
5
4301-6105420
Цилиндр выключателя замка двери в сборе
Кол-во
1
?
6
4301-6105122
Корпус выключателя
Кол-во
1
?
7
24-6105434
Пружина заслонки
Кол-во
1
?
8
258000-П29
Шплинт 1,6х10 ОСТ 37.001.171-93
Кол-во
2
?
9
258002-П29
Шплинт 1,5х16
Кол-во
2
?
10
24-02-6305134
Стержень выключателя
Кол-во
1
?
11
252263-П29
Шайба 2-6 ОСТ 37.001.147-75
Кол-во
2
?
12
221603-П29
Винт М6-6gх12 ОСТ 37.001.125-81
Кол-во
2
?
13
4301-6105150
Ручка двери наружная в сборе
Кол-во
2
?
14
4301-6105294
Направляющая кнопки наружной ручки двери
Кол-во
1
?
15
21-6105290-Б
Пружина кнопки
Кол-во
1
?
16
4301-6105304
Толкатель кнопки наружной ручки двери
Кол-во
1
?
17
4301-6105286
Кнопка наружной ручки двери
Кол-во
1
?
18
4301-6105152
Ручка двери наружная
Кол-во
1
?
19
4301-6105270
Прокладка ручки двери большая
Кол-во
1
?
20
224631-П29
Винт М6-6gх30 ОСТ 37.001.130-81
Кол-во
8
?
21
222503-П29
Винт М5-6gх22 ОСТ 37.001.128-96
Кол-во
2
?
22
252274-П29
Шайба 6 ОСТ 37.001.146-75
Кол-во
8
?
23
4301-6106220
Прокладка регулировочная
Кол-во
2
?
24
4301-6106222
Прокладка регулировочная
Кол-во
2
?
25
4301-6106110
Фиксатор замка двери правый
Кол-во
1
?
26
4301-6106111
Фиксатор замка двери левый
Кол-во
1
?
27
4301-6105274
Прокладка ручки двери малая
Кол-во
1
?
28
252273-П29
Шайба 5 ОСТ 37.001.146-75
Кол-во
6
?
29
290377-П29
Болт М5-6gх9
Кол-во
6
?
30
252156-П2
Шайба 10Л ОСТ 37.001.115-75
Кол-во
2
?
31
4301-6106114
Шип фиксатора
Кол-во
2
?
32
252214-П29
Шайба 6
Кол-во
8
?
33
221607-П29
Винт М6-6gх20
Кол-во
8
?
34
4301-6105074
Наконечник тяги выключения замка двери
Кол-во
2
?
35
4301-6105444
Втулка наконечника тяги выключения замка
Кол-во
2
?
36
4301-6105070
Тяга выключения замка двери
Кол-во
2
?
37
4301-6105484
Механизм запорный замка правый
Кол-во
1
?
38
4301-6105485
Механизм запорный замка левый
Кол-во
1
?
39
4301-6105486
Механизм рычажный замка правый
Кол-во
1
?
40
4301-6105487
Механизм рычажный замка левый
Кол-во
1
?
41
24-6105101
Чехол тяги
Кол-во
2
?
42
4301-6105082
Привод замка двери внутренний правый
Кол-во
1
?
В наличии
290 ₽
43
4301-6105083
Привод замка двери внутренний левый
Кол-во
1
?
В наличии
405 ₽
44
31011-6105184
Прокладка привода замка
Кол-во
1
?
45
31011-6105086
Основание привода замка двери
Кол-во
1
?
46
224597-П29
Винт М5-6gх10 ОСТ 37.001.130-81
Кол-во
4
?
47
45 9841 1360
Штифт 4х20
Кол-во
2
?
48
31011-6105098
Пружина привода
Кол-во
1
?
49
4301-6105182
Ручка внутреннего привода правая
Кол-во
1
?
50
4301-6105183
Ручка внутреннего привода левая
Кол-во
1
?
51
4301-6105188
Розетка внутреннего привода правая
Кол-во
1
?
52
4301-6105189
Розетка внутреннего привода левая
Кол-во
1
?
53
223044-П29
Винт М5-6gх25 ОСТ 37.001.126-81
Кол-во
2
?
54
252262-П29
Шайба 2-5 ОСТ 37.001.147-75
Кол-во
2
?
55
23А-5303270
Зажим тяги
Кол-во
4
?
56
4301-6105102
Тяга привода замка двери правая
Кол-во
1
?
57
4301-6105103
Тяга привода замка двери левая
Кол-во
1
?
58
14-8109266
Держатель тяги
Кол-во
2
?
59
31011-6105402
Втулка регулировочная
Кол-во
2
?
60
3102-6105104
Тяга привода замка
Кол-во
2
?
61
224622-П29
Винт М6-6gх10 ОСТ 37.001.130-81
Кол-во
4
?
62
293226-П29
Шайба 6,5
Кол-во
4
?
Есть готовая заявка? Отправьте ее нам!
Если у вас уже есть список необходимых запчастей, загрузите файл с ним или укажите артикулы и названия запчастей в поле Комментарий, а также оставьте свои контактные данные. В течение рабочего дня мы оценим вашу заявку и отправим вам коммерческое предложение.
Отдел продаж

Если у вас уже есть готовая заявка на запасные части, то просто прикрепите файл с ней либо в поле «Комментарии» напишите артикулы и названия необходимых вам запчастей и оставьте контактные данные.

В течение рабочего дня мы выполним расчёт по вашей заявке и направим вам коммерческое предложение.

Только один файл.
Ограничение 128 МБ.
Допустимые типы: txt, rtf, pdf, doc, docx, odt, ppt, pptx, odp, xls, xlsx, ods.
пример: 89511234567 или +79511324567
Отправляя форму вы подтверждаете согласие с политикой обработки персональных данных.