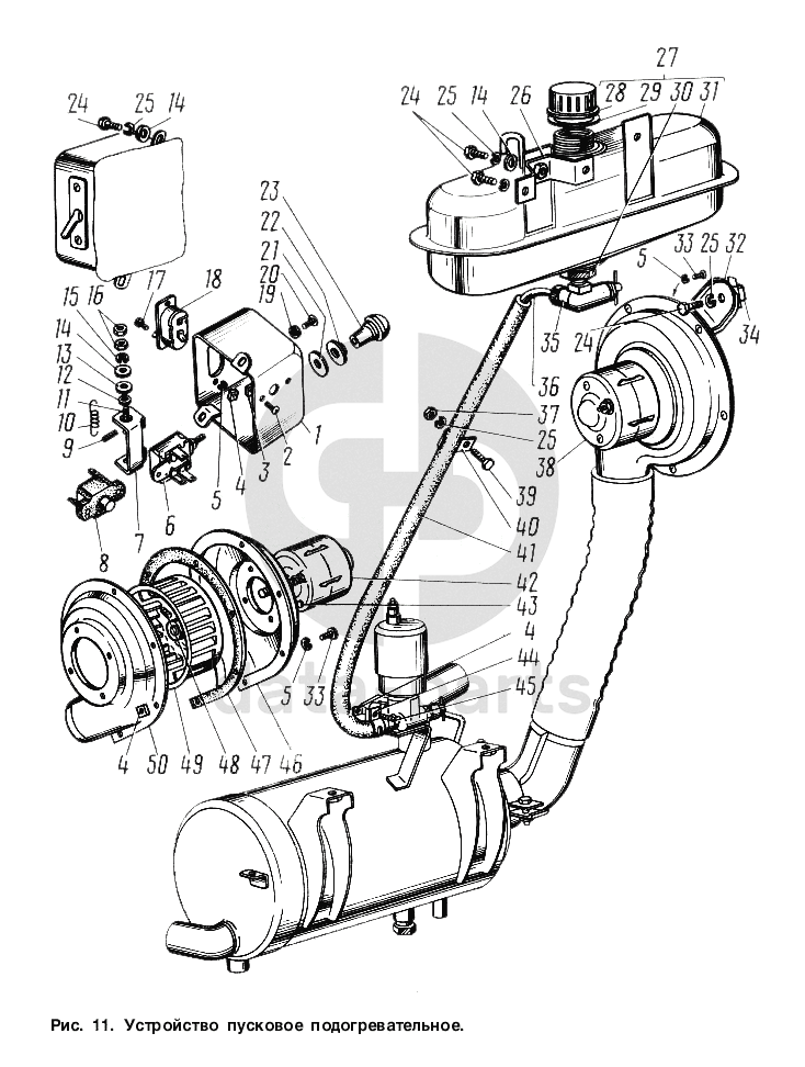
Устройство пусковое подогревательное ГАЗ-3307

1
53-1015575-01
Корпус пульта управления пусковым подогревателем в сборе
Кол-во
1
?
2
220081-П29
Винт М5-6gх18 ОСТ 37.001.127-81
Кол-во
2
?
3
251086-П29
Гайка М5-6Н ОСТ 37.001.112-91
Кол-во
2
?
4
251082-П29
Гайка М4-6Н ОСТ 37.001.112-91
Кол-во
2
?
5
252152-П2
Шайба 4Л ОСТ 37.001.115-75
Кол-во
6
?
5
252152-ПК
Шайба 4Л
Кол-во
4
?
6
20-3709010-Б2
Переключатель электровентилятора и электромагнитного клапана в сборе П305
Кол-во
1
?
7
53-1015585
Корпус контрольной спирали пульта управления
Кол-во
1
?
8
12-3722220
Предохранитель ПР2Б (покупное изделие)
Кол-во
1
?
9
242469-П29
Винт М5-6gх8
Кол-во
2
?
10
53-1015590
Спираль контрольная пульта управления
Кол-во
1
?
11
53-1015593
Болт крепления контрольной спирали
Кол-во
2
?
12
53-1015599
Шайба изолирующая малая
Кол-во
2
?
13
53-1015597
Шайба изолирующая
Кол-во
4
?
14
252004-П29
Шайба 6 ОСТ 37.001.144-96
Кол-во
2
?
15
252154-П2
Шайба 6Л ОСТ 37.001.115-75
Кол-во
2
?
16
250608-П29
Гайка М6-6Н ОСТ 37.001.124-93
Кол-во
4
?
17
220051-П29
Винт М4-6gх10 ОСТ 37.001.127-81
Кол-во
2
?
18
4602.3710
Выключатель
Кол-во
1
?
19
252002-П29
Шайба 4 ОСТ 37.001.144-96
Кол-во
2
?
20
220048-П29
Винт М4-6gх6
Кол-во
2
?
21
21-3709038
Шайба прокладочная
Кол-во
1
?
22
21-3709030
Гайка
Кол-во
1
?
23
51-3709051-Б
Ручка
Кол-во
1
?
24
201418-П29
Болт М6-6gх16 ОСТ 37.001.123-96
Кол-во
2
?
25
252134-П2
Шайба 6Т ОСТ 37.001.115-75
Кол-во
1
?
26
3307-1015496
Кронштейн переходный топливного бачка
Кол-во
2
?
27
53А-1015450
Бачок топливный пускового подогревателя с пробкой в сборе
Кол-во
1
?
28
53-1015468
Пробка топливного бачка подогревателя
Кол-во
1
?
29
53-1015479-А
Прокладка пробки топливного бачка подогревателя
Кол-во
1
?
30
53-1015480-А
Фильтр бачка со штуцером в сборе
Кол-во
1
?
31
53А-1015455
Бачок топливный подогревателя в сборе
Кол-во
1
?
32
3307-1015555
Кронштейн крепления электровентилятора
Кол-во
1
?
33
224570-П29
Винт М4-6gх8 ОСТ 37.001.130-81
Кол-во
4
?
34
3102-8401512
Держатель гайки в сборе
Кол-во
1
?
35
ВП5
Краник топливного бачка подогревателя
Кол-во
1
?
36
49Б-1015410
Трубка топливного бачка пускового подогревателя
Кол-во
1
?
37
250508-П29
Гайка М6-6Н ОСТ 37.001.124-93
Кол-во
1
?
38
3307-1015550
Электровентилятор подогревателя в сборе
Кол-во
1
?
39
201416-П29
Болт М6-6gх12 ОСТ 37.001.123-96
Кол-во
1
?
В наличии
5 ₽
40
А-14598
Скоба
Кол-во
1
?
41
63-1013101-30
Шланг от тройника к редукционному клапану
Кол-во
1
?
42
66-8102080
Электромотор вентилятора пускового подогревателя МЭ202
Кол-во
1
?
43
30-5303045
Буфер
Кол-во
2
?
44
297403-П29
Хомут 14
Кол-во
2
?
45
222476-П29
Винт М4-6gх20 ОСТ 37.001.128-96
Кол-во
2
?
46
30-8102016
Корпус вентилятора
Кол-во
1
?
47
30-8102026
Прокладка
Кол-во
1
?
48
242471-П29
Винт М5-6gх12 ОСТ 37.001.132-82
Кол-во
1
?
49
81Ю-8102030
Ротор в сборе
Кол-во
1
?
50
41-8102020
Крышка корпуса в сборе
Кол-во
1
?
Есть готовая заявка? Отправьте ее нам!
Если у вас уже есть список необходимых запчастей, загрузите файл с ним или укажите артикулы и названия запчастей в поле Комментарий, а также оставьте свои контактные данные. В течение рабочего дня мы оценим вашу заявку и отправим вам коммерческое предложение.
Отдел продаж

Если у вас уже есть готовая заявка на запасные части, то просто прикрепите файл с ней либо в поле «Комментарии» напишите артикулы и названия необходимых вам запчастей и оставьте контактные данные.

В течение рабочего дня мы выполним расчёт по вашей заявке и направим вам коммерческое предложение.

Только один файл.
Ограничение 128 МБ.
Допустимые типы: txt, rtf, pdf, doc, docx, odt, ppt, pptx, odp, xls, xlsx, ods.
пример: 89511234567 или +79511324567
Отправляя форму вы подтверждаете согласие с политикой обработки персональных данных.