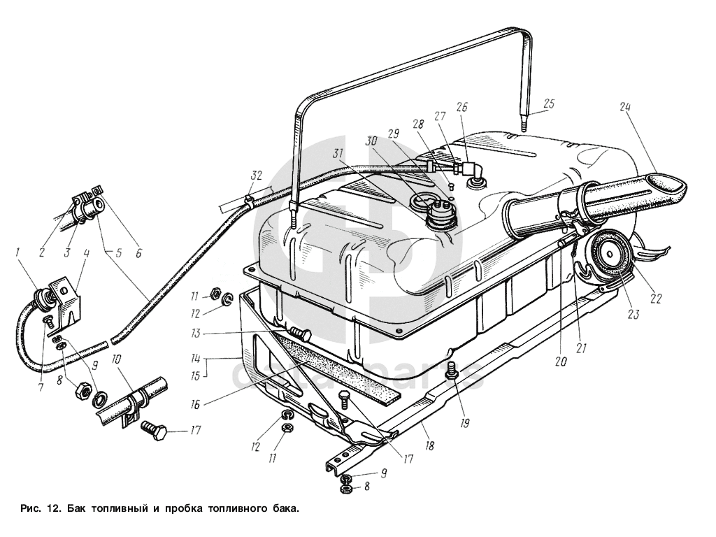
Бак топливный и пробка топливного бака ГАЗ-3307

1
66-01-1101281
Клапан топливного бака в сборе
Кол-во
1
?
2
222476-П29
Винт М4-6gх20 ОСТ 37.001.128-96
Кол-во
2
?
3
297402-П29
Хомут 12
Кол-во
2
?
4
3307-1101372
Кронштейн крепления клапана в сборе
Кол-во
1
?
5
3307-1101079
Трубка воздушная
Кол-во
1
?
6
251082-П29
Гайка М4-6Н ОСТ 37.001.112-91
Кол-во
2
?
7
201452-П29
Болт М8-6gх12 ОСТ 37.001.123-96
Кол-во
2
?
8
250510-П29
Гайка М8-6Н ОСТ 37.001.124-93
Кол-во
1
?
9
252155-П2
Шайба 8Л ОСТ 37.001.115-75
Кол-во
1
?
10
66-1104147
Скоба
Кол-во
2
?
11
250512-П29
Гайка М10-6Н ОСТ 37.001.124-93
Кол-во
4
?
В наличии
10 ₽
12
252136-П2
Шайба 10 ОТ ОСТ 37.001.115-75
Кол-во
4
?
13
201497-П29
Болт М10-6gх25 ОСТ 37.001.123-96
Кол-во
6
?
В наличии
20 ₽
14
4301-1101117
Кронштейн крепления бака передний
Кол-во
1
?
15
4301-1101102
Кронштейн крепления бака задний
Кол-во
1
?
16
51П-1102120-Б
Прокладка
Кол-во
2
?
17
201454-П29
Болт М8-6gх16 ОСТ 37.001.123-96
Кол-во
1
?
18
51П-1102107-Б
Планка защитная
Кол-во
2
?
19
4301-1101370
Пробка сливная
Кол-во
1
?
20
260021-П29
Палец 6х42 ОСТ 37.001.163-97
Кол-во
1
?
21
258013-П29
Шплинт 2х16 ОСТ 37.001.171-93
Кол-во
1
?
22
66-11-1103010-10
Пробка топливного бака в сборе
Кол-во
1
?
23
66-01-1103075
Прокладка пробки бензинового бака
Кол-во
1
?
24
4301-1101240
Труба выдвижная в сборе
Кол-во
1
?
25
51П-1102110-Б
Хомут в сборе
Кол-во
2
?
26
3102-1101281-01
Клапан
Кол-во
1
?
27
4301-1101278
Трубка в сборе
Кол-во
1
?
28
224598-П29
Винт М5-6gх12 ОСТ 37.001.130-81
Кол-во
5
?
29
293196-П
Шайба 5,5 ГОСТ 11371-78
Кол-во
5
?
30
16.3827600
Датчик указателя уровня топлива в сборе
Кол-во
1
?
31
12-1104022
Прокладка датчика и фланца
Кол-во
1
?
В наличии
2 ₽
32
49-3724527
Поясок крепления жгута проводов
Кол-во
1
?
Есть готовая заявка? Отправьте ее нам!
Если у вас уже есть список необходимых запчастей, загрузите файл с ним или укажите артикулы и названия запчастей в поле Комментарий, а также оставьте свои контактные данные. В течение рабочего дня мы оценим вашу заявку и отправим вам коммерческое предложение.
Отдел продаж

Если у вас уже есть готовая заявка на запасные части, то просто прикрепите файл с ней либо в поле «Комментарии» напишите артикулы и названия необходимых вам запчастей и оставьте контактные данные.

В течение рабочего дня мы выполним расчёт по вашей заявке и направим вам коммерческое предложение.

Только один файл.
Ограничение 128 МБ.
Допустимые типы: txt, rtf, pdf, doc, docx, odt, ppt, pptx, odp, xls, xlsx, ods.
пример: 89511234567 или +79511324567
Отправляя форму вы подтверждаете согласие с политикой обработки персональных данных.