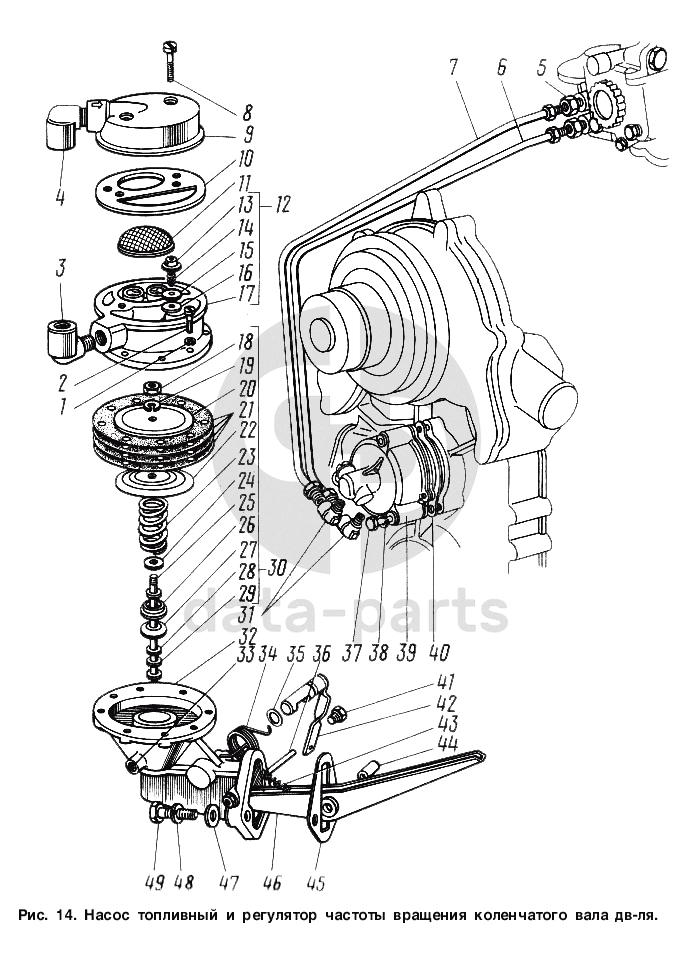
Насос топливный и регулятор частоты вращения коленчатого вала двигателя ГАЗ-3307

1
252134-П29
Шайба 6
Кол-во
8
?
2
222525-П29
Винт М6-6gх16 ОСТ 37.001.128-96
Кол-во
8
?
3
298348
Штуцер КГ 1/4" выходной
Кол-во
1
?
4
298349
Штуцер КГ 1/4" входной
Кол-во
1
?
5
298452-П29
Штуцер К1/8"
Кол-во
2
?
6
66-1110540-20
Трубка соединительная в сборе
Кол-во
1
?
7
66-1110535-20
Трубка соединительная разгрузочная в сборе
Кол-во
1
?
8
222528-П29
Винт М6-6gх22
Кол-во
2
?
9
51А-1106055-Б
Крышка головки бензинового насоса
Кол-во
1
?
10
13-1106058
Прокладка крышки насоса
Кол-во
1
?
11
51А-1106045
Фильтр бензинового насоса в сборе
Кол-во
1
?
12
51А-1106016
Головка топливного насоса с клапанами в сборе
Кол-во
1
?
13
51А-1106026
Обойма клапана
Кол-во
3
?
14
51А-1106027
Пружина
Кол-во
3
?
15
51А-1106023
Пластина клапана
Кол-во
3
?
16
13-1106022-Б
Клапан топливного насоса
Кол-во
3
?
17
51А-1106018
Головка насоса
Кол-во
1
?
18
250464-П29
Гайка М5-6Н ОСТ 37.001.124-93
Кол-во
1
?
19
252133-П2
Шайба 5Т ОСТ 37.001.115-75
Кол-во
1
?
20
51А-1106147
Шайба диафрагмы верхняя
Кол-во
1
?
21
13-1106142
Диафрагма топливного насоса
Кол-во
4
?
Производитель:
ШААЗ
В наличии
35 ₽
22
51А-1106146
Шайба нижняя
Кол-во
1
?
23
51А-1106150
Пружина
Кол-во
1
?
24
51А-1106149
Шайба уплотнительная
Кол-во
1
?
25
51А-1106144
Тяга диафрагмы
Кол-во
1
?
26
51А-1106153
Держатель
Кол-во
1
?
27
51А-1106154
Уплотнитель тяги диафрагмы
Кол-во
1
?
28
51А-1106156
Шайба рычага топливного насоса верхняя
Кол-во
1
?
29
51А-1106158
Шайба упорная
Кол-во
1
?
30
51А-1106140
Диафрагма топливного насоса в сборе
Кол-во
1
?
31
40П-4228043-01
Штуцер угловой К1/8"
Кол-во
2
?
32
13-1106094
Корпус топливного насоса
Кол-во
1
?
33
К37-43
Сетка корпуса
Кол-во
1
?
34
51А-1106175
Пружина рычага ручного привода
Кол-во
1
?
35
51А-1106100
Уплотнитель
Кол-во
1
?
36
51А-1106128
Валик рычага
Кол-во
1
?
37
200220-П29
Болт М6-6gх55
Кол-во
3
?
38
252154-П2
Шайба 6Л ОСТ 37.001.115-75
Кол-во
3
?
39
130-1110920-А2
Датчик центробежный пневмоцентробежного ограничителя оборотов (Г-53-1110530-01)
Кол-во
1
?
40
66-1110532-Б
Прокладка центробежного датчика
Кол-во
1
?
41
51А-1106127
Заглушка
Кол-во
2
?
42
51А-1106095
Валик ручного привода бензинового насоса с рычагом в сборе
Кол-во
1
?
43
51А-1106118
Пружина рычага
Кол-во
1
?
44
13-1106124-Б
Втулка рычага
Кол-во
1
?
45
13-1106170-01
Прокладка
Кол-во
1
?
46
13-1106108
Рычаг привода насоса
Кол-во
1
?
47
252006-П8
Шайба 10
Кол-во
2
?
48
252156-П2
Шайба 10Л ОСТ 37.001.115-75
Кол-во
2
?
49
874013-П29
Болт М10-6gх32
Кол-во
2
?
Есть готовая заявка? Отправьте ее нам!
Если у вас уже есть список необходимых запчастей, загрузите файл с ним или укажите артикулы и названия запчастей в поле Комментарий, а также оставьте свои контактные данные. В течение рабочего дня мы оценим вашу заявку и отправим вам коммерческое предложение.
Отдел продаж

Если у вас уже есть готовая заявка на запасные части, то просто прикрепите файл с ней либо в поле «Комментарии» напишите артикулы и названия необходимых вам запчастей и оставьте контактные данные.

В течение рабочего дня мы выполним расчёт по вашей заявке и направим вам коммерческое предложение.

Только один файл.
Ограничение 128 МБ.
Допустимые типы: txt, rtf, pdf, doc, docx, odt, ppt, pptx, odp, xls, xlsx, ods.
пример: 89511234567 или +79511324567
Отправляя форму вы подтверждаете согласие с политикой обработки персональных данных.