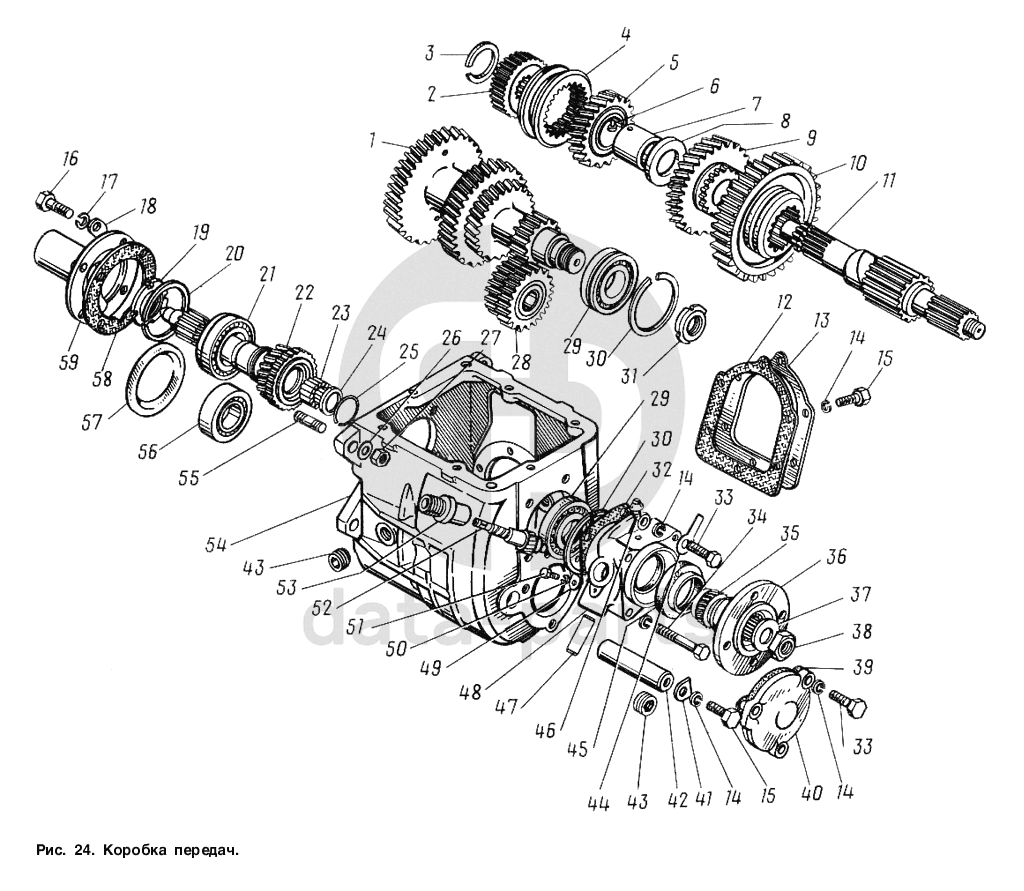
Коробка передач ГАЗ-3307

1
52-1701050-10
Блок шестерен промежуточного вала коробки передач в сборе
Кол-во
1
?
2
52-1701119-20
Ступица муфты
Кол-во
1
?
3
53-12-1701192
Кольцо
Кол-во
1
?
4
52-1701118-40
Муфта
Кол-во
1
?
5
52-1701113-10
Шестерня 3-й передачи в сборе
Кол-во
1
?
В наличии
2 170 ₽
6
52-1701120
Стопор втулки шестерни третьей передачи
Кол-во
1
?
7
52-1701115
Втулка распорная шестерни третьей передачи
Кол-во
1
?
В наличии
330 ₽
8
52-1701104
Шайба шестерни второй передачи вторичного вала упорная
Кол-во
1
?
9
52-1701111
Шестерня второй передачи вторичного вала в сборе
Кол-во
1
?
под заказ
цена по запросу
В наличии
2 955 ₽
10
52-1701110-31
Шестерня скользящая первой передачи и заднего хода
Кол-во
1
?
под заказ
цена по запросу
11
53-12-1701105
Вал вторичный
Кол-во
1
?
12
52-1701021
Прокладка крышки люка отбора мощности коробки передач
Кол-во
1
?
13
52-1701020
Крышка люка отбора мощности коробки передач
Кол-во
1
?
В наличии
90 ₽
14
252136-П2
Шайба 10 ОТ ОСТ 37.001.115-75
Кол-во
1
?
15
201495-П8
Болт М10-6gх20
Кол-во
1
?
16
201457-П29
Болт М8-6gх22 ОСТ 37.001.123-96
Кол-во
4
?
17
252155-П2
Шайба 8Л ОСТ 37.001.115-75
Кол-во
4
?
18
51-1601190-А
Скоба оттяжной пружины муфты подшипника выключения сцепления
Кол-во
1
?
19
52-1701034
Гайка подшипника первичного вала
Кол-во
1
?
В наличии
95 ₽
20
52-1701033
Кольцо упорное
Кол-во
1
?
21
52-1701032-02
Подшипник 50209А
Кол-во
1
?
22
52-1701030-20
Вал первичный
Кол-во
1
?
23
52-1701182-Б
Ролик переднего подшипника вторичного вала 7х17 № 35374 (покупное изделие)
Кол-во
14
?
24
52-1701188
Шайба упорная
Кол-во
1
?
25
52-1701189
Кольцо стопорное
Кол-во
1
?
26
252178-П29
Шайба 2-14 ОСТ 37.001.145-75
Кол-во
4
?
27
250551-П29
Гайка М14х1,5-4Н5Н
Кол-во
4
?
28
52-1701080-22
Блок шестерен заднего хода в сборе
Кол-во
1
?
под заказ
цена по запросу
29
52-1701073-02
Подшипник в сборе 50307А (покупное изделие)
Кол-во
2
?
30
20-1701034
Кольцо стопорное подшипника
Кол-во
2
?
31
52-1701079
Гайка стопорная
Кол-во
1
?
32
52-1701203
Прокладка крышки заднего подшипника вторичного вала коробки передач
Кол-во
1
?
33
201497-П29
Болт М10-6gх25 ОСТ 37.001.123-96
Кол-во
3
?
В наличии
20 ₽
34
201510-П8
Болт М10-6gх65
Кол-во
2
?
35
53-12-3802033
Шестерня привода спидометра ведущая
Кол-во
1
?
36
51-1701240-П
Фланец вторичного вала
Кол-во
1
?
37
53А-1701242
Шайба фланца
Кол-во
1
?
38
52-1701247
Гайка М22х1,5
Кол-во
1
?
39
52-1701075
Прокладка крышки заднего подшипника промежуточного вала коробки передач
Кол-во
1
?
40
52-1701070
Крышка заднего подшипника блока шестерен промежуточного вала коробки передач
Кол-во
1
?
41
52-1701092
Пластина оси блока шестерен заднего хода коробки передач упорная
Кол-во
1
?
42
52-1701090
Ось блока шестерен заднего хода коробки передач
Кол-во
1
?
43
296576-П29
Пробка КГ1/2"
Кол-во
2
?
44
53-2400022
Пластина маркировочная
Кол-во
1
?
45
51-1701210-А
Манжета в сборе
Кол-во
1
?
В наличии
65 ₽
46
298429-П
Сапун в сборе К1/8"
Кол-во
1
?
В наличии
120 ₽
47
51-3508055
Палец рычага привода центрального тормоза
Кол-во
1
?
48
52-1701205
Крышка заднего подшипника вторичного вала коробки передач
Кол-во
1
?
49
51-3802031
Стопор
Кол-во
1
?
50
252154-П2
Шайба 6Л ОСТ 37.001.115-75
Кол-во
1
?
51
290490-П8
Болт М6-6gх12
Кол-во
1
?
52
53-12-3802034
Шестерня привода спидометра ведомая
Кол-во
1
?
53
51-3802030
Штуцер гибкого вала
Кол-во
1
?
54
53-12-1701015-01
Картер коробки передач
Кол-во
1
?
55
45 9952 3554
Шпилька М14х1,5-4hх32
Кол-во
4
?
56
60-42207КМ
Подшипник передний блока шестерен промежуточного вала в сборе
Кол-во
1
?
57
52-1701068-А
Заглушка переднего подшипника блока шестерен промежуточного вала
Кол-во
1
?
58
52-1701042-01
Прокладка крышки подшипника первичного вала
Кол-во
1
?
59
52-1701040
Крышка подшипника первичного вала коробки передач
Кол-во
1
?
под заказ
цена по запросу
под заказ
цена по запросу
Есть готовая заявка? Отправьте ее нам!
Если у вас уже есть список необходимых запчастей, загрузите файл с ним или укажите артикулы и названия запчастей в поле Комментарий, а также оставьте свои контактные данные. В течение рабочего дня мы оценим вашу заявку и отправим вам коммерческое предложение.
Отдел продаж

Если у вас уже есть готовая заявка на запасные части, то просто прикрепите файл с ней либо в поле «Комментарии» напишите артикулы и названия необходимых вам запчастей и оставьте контактные данные.

В течение рабочего дня мы выполним расчёт по вашей заявке и направим вам коммерческое предложение.

Только один файл.
Ограничение 128 МБ.
Допустимые типы: txt, rtf, pdf, doc, docx, odt, ppt, pptx, odp, xls, xlsx, ods.
пример: 89511234567 или +79511324567
Отправляя форму вы подтверждаете согласие с политикой обработки персональных данных.