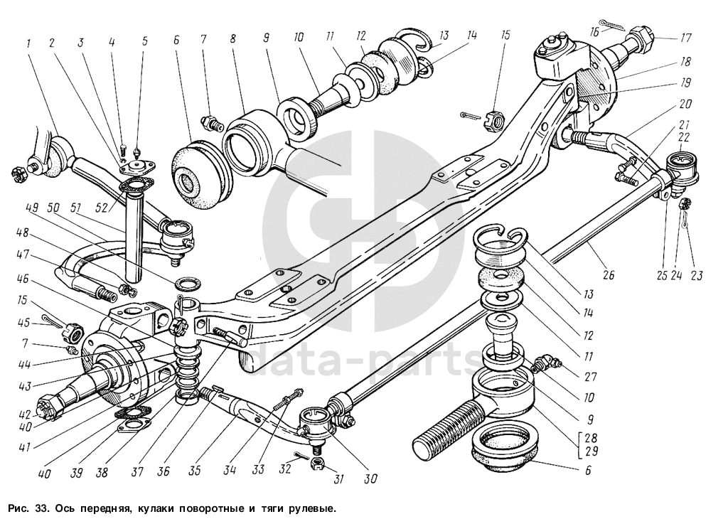
Ось передняя, кулаки поворотные и тяги рулевые ГАЗ-3307

1
3307-3414010
Тяга рулевая продольная в сборе
Кол-во
1
?
3
252154-П2
Шайба 6Л ОСТ 37.001.115-75
Кол-во
8
?
4
201415-П8
Болт М6-6gх10
Кол-во
8
?
5
296780-ПЮ
Клапан К1/8"
Кол-во
2
?
6
53А-3003162-01
Уплотнитель наконечника с обоймой в сборе
Кол-во
2
?
7
264020-П29
Масленка 1.3 Ц6.хр ГОСТ 19853-74
Кол-во
2
?
8
53А-3003014
Тяга продольная рулевая
Кол-во
1
?
9
53А-3003067
Вкладыш наконечника рулевой тяги
Кол-во
2
?
10
4301-3414065
Палец рулевой тяги
Кол-во
2
?
11
53А-3003068-10
Пята опорная пальца
Кол-во
2
?
12
52-3003074-11
Буфер опорной пяты
Кол-во
2
?
13
53А-3003071
Кольцо стопорное заглушки наконечника
Кол-во
2
?
14
53А-3003106-02
Крышка наконечника рулевой тяги
Кол-во
2
?
15
251016-П29
Гайка М22х1,5-6Н
Кол-во
1
?
В наличии
300 ₽
16
258070-П8
Шплинт 5х40 ОСТ 37.001.171-93
Кол-во
2
?
17
292961-П8
Гайка М24х1,5-5Н6Н
Кол-во
2
?
18
53А-3001012
Кулак поворотный правый в сборе
Кол-во
1
?
19
53-3001010
Балка передней оси
Кол-во
1
?
20
53-3001030
Рычаг рулевой трапеции правый
Кол-во
1
?
21
205441-П29
Болт М10х1-6gх38
Кол-во
2
?
22
3307-3414056
Наконечник тяги правый
Кол-во
1
?
23
258025-П29
Шплинт 2,5х20 ОСТ 37.001.171-93
Кол-во
2
?
24
250868-П29
Гайка М10х1-6Н
Кол-во
2
?
25
53А-3003078-01
Хомут стяжной
Кол-во
2
?
26
53А-3003054
Тяга поперечная рулевая
Кол-во
1
?
27
264040-П8
Пресс-масленка К 1/8"
Кол-во
2
?
28
53А-3003062
Наконечник поперечной рулевой тяги правый
Кол-во
1
?
29
53А-3003063
Корпус наконечника
Кол-во
1
?
30
3307-3414057
Наконечник поперечной рулевой тяги левый в сборе
Кол-во
1
?
31
250979-П29
Гайка М16х1,5-6Н ОСТ 37.001.108-93
Кол-во
2
?
32
258054-П29
Шплинт 4х32 ОСТ 37.001.171-93
Кол-во
2
?
33
250613-П29
Гайка 10х1-6Н
Кол-во
2
?
34
290811-П8
Болт М10х1-6gх35
Кол-во
2
?
35
53-3001031
Рычаг рулевой трапеции левый
Кол-во
1
?
36
45 9824 0264
Шпонка 5х9
Кол-во
1
?
37
51-3001025-022
Штифт стопорный шкворня
Кол-во
2
?
38
52-3001027
Обойма подшипника шкворня
Кол-во
2
?
39
53-3001040-А
Крышка шкворня
Кол-во
2
?
40
52-3001029
Шайба шкворня поворотного кулака упорная
Кол-во
4
?
41
52-3001028
Шайба шкворня поворотного кулака упорная средняя
Кол-во
2
?
42
53А-3001013
Кулак поворотный левый в сборе
Кол-во
1
?
43
3307-3001017
Уплотнитель подшипника шкворня
Кол-во
2
?
44
53А-30010023
Кольцо уплотнительное
Кол-во
4
?
45
258069-П8
Шплинт 5х36
Кол-во
1
?
46
51-3001021
Кулак защитный упорного подшипника шкворня
Кол-во
2
?
47
250507-П29
Гайка М12х1,25-6Н
Кол-во
2
?
48
252137-П2
Шайба 12.ОТ ОСТ 37.001.115-75
Кол-во
2
?
49
51-3001022
Шайба регулировочная
Кол-во
8
?
50
53-3001035
Рычаг поворотного кулака
Кол-во
1
?
51
53А-3001019
Шкворень поворотного кулака
Кол-во
2
?
52
53-3001052-А
Прокладка крышки шкворня
Кол-во
4
?
Есть готовая заявка? Отправьте ее нам!
Если у вас уже есть список необходимых запчастей, загрузите файл с ним или укажите артикулы и названия запчастей в поле Комментарий, а также оставьте свои контактные данные. В течение рабочего дня мы оценим вашу заявку и отправим вам коммерческое предложение.
Отдел продаж

Если у вас уже есть готовая заявка на запасные части, то просто прикрепите файл с ней либо в поле «Комментарии» напишите артикулы и названия необходимых вам запчастей и оставьте контактные данные.

В течение рабочего дня мы выполним расчёт по вашей заявке и направим вам коммерческое предложение.

Только один файл.
Ограничение 128 МБ.
Допустимые типы: txt, rtf, pdf, doc, docx, odt, ppt, pptx, odp, xls, xlsx, ods.
пример: 89511234567 или +79511324567
Отправляя форму вы подтверждаете согласие с политикой обработки персональных данных.