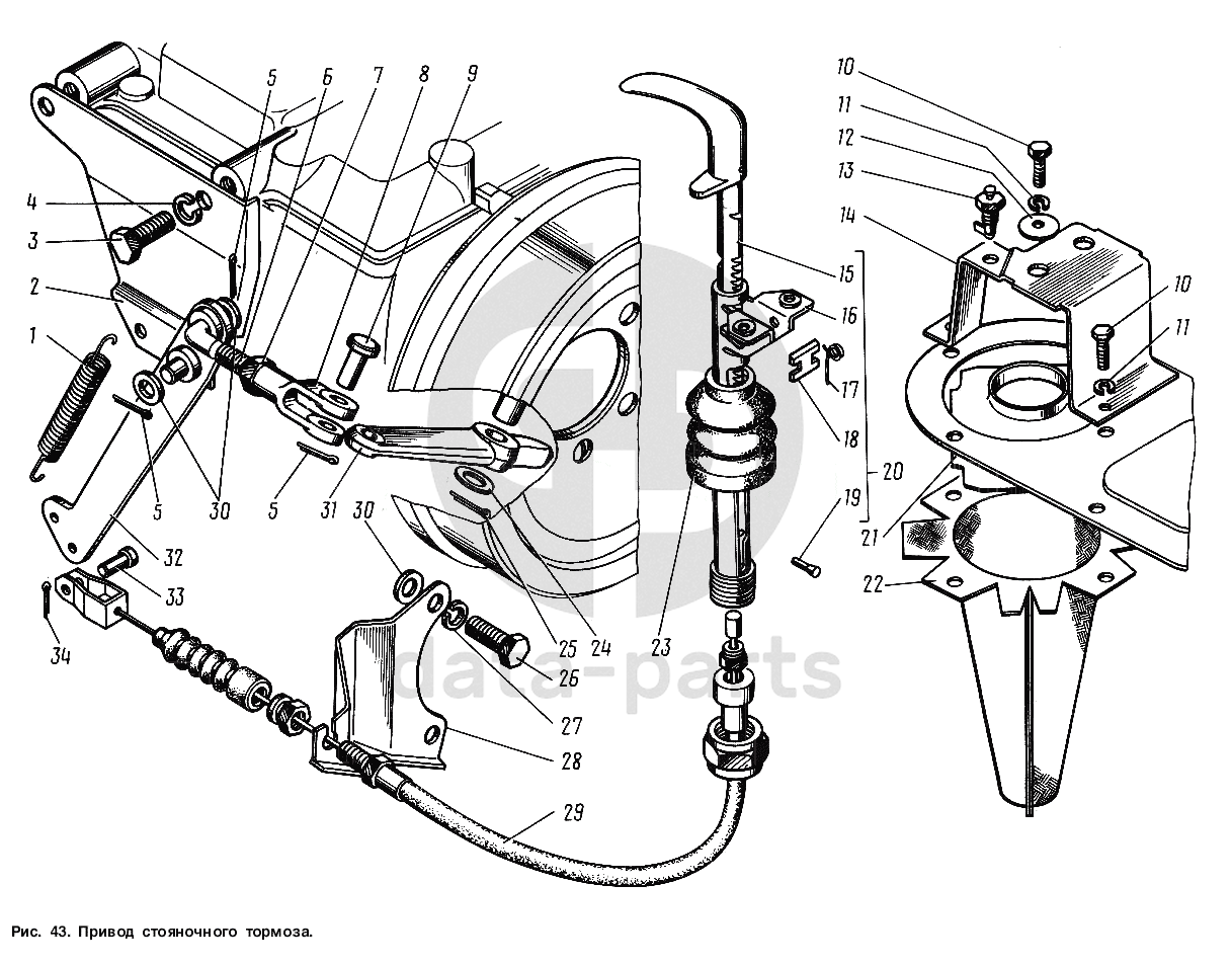
Привод стояночного тормоза ГАЗ-3307

1
11-7547
Пружина оттяжная
Кол-во
1
?
2
3307-3508114
Кронштейн с пальцем в сборе
Кол-во
1
?
3
201540-П29
Болт М12-6gх30 ОСТ 37.001.123-96
Кол-во
2
?
4
252137-П2
Шайба 12.ОТ ОСТ 37.001.115-75
Кол-во
2
?
5
258038-П29
Шплинт 3,2х16 ОСТ 37.001.171-93
Кол-во
3
?
6
3307-3508043
Тяга
Кол-во
1
?
7
250612-П29
Гайка М10-6Н ОСТ 37.001.124-93
Кол-во
1
?
В наличии
3 ₽
8
63Ю-3508045
Вилка
Кол-во
1
?
9
260057-П29
Палец 10х28 ОСТ 37.001.163-97
Кол-во
1
?
10
290513-П29
Болт М8-6gх20
Кол-во
4
?
11
252134-П2
Шайба 6Т ОСТ 37.001.115-75
Кол-во
4
?
12
252037-П29
Шайба 6 ОСТ 37.001.144-96
Кол-во
2
?
13
ВК409
Выключатель лампы стояночного тормоза (ВК409.3710000)
Кол-во
1
?
14
3307-3508093
Кронштейн
Кол-во
1
?
15
3307-3508015
Стержень с рукояткой в сборе
Кол-во
1
?
16
3307-3508047
Кожух с гайками в сборе
Кол-во
1
?
17
21-3508036
Пружина собачки
Кол-во
1
?
18
21Ю-3508030
Собачка
Кол-во
1
?
19
21-3508057
Штифт
Кол-во
1
?
20
3307-3508014
Стержень с кожухом в сборе
Кол-во
1
?
21
3307-3508238
Крышка
Кол-во
1
?
22
3307-3508234
Чехол
Кол-во
1
?
23
51-3505065
Колпак защитный
Кол-во
1
?
24
252016-П29
Шайба 14 ОСТ 37.001.144-96
Кол-во
1
?
25
258053-П29
Шплинт 4х25
Кол-во
1
?
В наличии
3 ₽
26
201499-П29
Болт М10-6gх30 ОСТ 37.001.123-96
Кол-во
2
?
27
252136-П2
Шайба 10 ОТ ОСТ 37.001.115-75
Кол-во
2
?
28
3307-3508130
Кронштейн
Кол-во
1
?
29
3307-3508181
Трос с оболочкой в сборе
Кол-во
1
?
30
293300-П29
Шайба 10,5
Кол-во
4
?
31
53-12-3508050
Рычаг
Кол-во
1
?
32
3307-3508101
Рычаг с усилителями в сборе
Кол-во
1
?
33
260011-П29
Палец 6х18
Кол-во
1
?
34
258023-П29
Шплинт 2,5х12 ОСТ 37.001.171-93
Кол-во
1
?
Есть готовая заявка? Отправьте ее нам!
Если у вас уже есть список необходимых запчастей, загрузите файл с ним или укажите артикулы и названия запчастей в поле Комментарий, а также оставьте свои контактные данные. В течение рабочего дня мы оценим вашу заявку и отправим вам коммерческое предложение.
Отдел продаж

Если у вас уже есть готовая заявка на запасные части, то просто прикрепите файл с ней либо в поле «Комментарии» напишите артикулы и названия необходимых вам запчастей и оставьте контактные данные.

В течение рабочего дня мы выполним расчёт по вашей заявке и направим вам коммерческое предложение.

Только один файл.
Ограничение 128 МБ.
Допустимые типы: txt, rtf, pdf, doc, docx, odt, ppt, pptx, odp, xls, xlsx, ods.
пример: 89511234567 или +79511324567
Отправляя форму вы подтверждаете согласие с политикой обработки персональных данных.