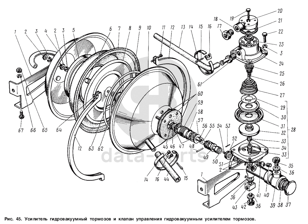
Усилитель гидровакуумный тормозов и клапан управления гидровакуумным усилителем тормозов ГАЗ-3307

1
51П-3550092-01
Кронштейн крепления гидровакуумного усилителя тормозов
Кол-во
2
?
2
250510-П29
Гайка М8-6Н ОСТ 37.001.124-93
Кол-во
2
?
3
252155-П2
Шайба 8Л ОСТ 37.001.115-75
Кол-во
2
?
3
51-3506013
Прокладка
Кол-во
2
?
4
53-3550086-01
Корпус камеры гидровакуумного усилителя тормозов задний в сборе
Кол-во
1
?
5
51П-3550072
Шайба диафрагмы
Кол-во
1
?
6
51П-3550076
Втулка распорная
Кол-во
1
?
7
51П-3550075
Диафрагма гидровакуумного усилителя тормозов
Кол-во
1
?
8
51П-3550071
Тарелка диафрагмы гидровакуумного усилителя тормозов
Кол-во
1
?
9
51Д-3550074
Пружина диафрагмы
Кол-во
1
?
9
51П-3550074
Пружина диафрагмы
Кол-во
1
?
10
53-3550080-01
Корпус камеры гидровакуумного усилителя тормозов передний в сборе
Кол-во
1
?
11
222512-П29
Винт М5-6gх45
Кол-во
4
?
12
51П-3550083
Хомут камеры
Кол-во
2
?
13
13-3563030-01
Рукав с нитяным усилением
Кол-во
1
?
14
297582-П29
Лента 10х180
Кол-во
4
?
15
297575-П29
Шплинт 5,6х22
Кол-во
4
?
16
297580-П29
Пряжка
Кол-во
4
?
17
280025-П29
Штуцер К3/8"
Кол-во
1
?
18
24-3551070
Крышка корпуса клапана управления
Кол-во
1
?
19
201420-П29
Болт М6-6gх20 ОСТ 37.001.123-96
Кол-во
8
?
20
252154-П2
Шайба 6Л ОСТ 37.001.115-75
Кол-во
8
?
21
53-3551076-03
Прокладка крышки корпуса клапана управления
Кол-во
1
?
22
201456-П29
Болт М8-6gх20 ОСТ 37.001.123-96
Кол-во
8
?
23
53-3551023-02
Клапан атмосферный в сборе
Кол-во
2
?
24
53-3551012
Корпус клапана управления
Кол-во
1
?
25
53-3551022
Пружина атмосферного клапана
Кол-во
1
?
26
53-3551035-01
Клапан вакуумный со стержнем в сборе
Кол-во
1
?
27
53-3551065
Пружина клапана управления
Кол-во
1
?
28
24-3551011
Клапан управления в сборе
Кол-во
1
?
29
293513-П29
Шайба
Кол-во
2
?
30
53-3551046
Шайба диафрагмы
Кол-во
1
?
31
24-3551045
Диафрагма клапана управления
Кол-во
1
?
32
53-3551043
Клапан управления гидровакуумным усилителем тормозов
Кол-во
1
?
33
53-3551058
Манжета уплотнительная поршня
Кол-во
2
?
34
53-3551042
Поршень клапана управления
Кол-во
1
?
35
20Ю-3506005
Штуцер гидровакуумного усилителя тормозов
Кол-во
1
?
36
51-3506013
Прокладка
Кол-во
0
?
37
53-3550025
Пробка цилиндра гидровакуумного усилителя тормозов
Кол-во
1
?
38
51П-3550024
Прокладка пробки
Кол-во
1
?
39
53-12-3550015
Цилиндр гидровакуумного усилителя тормозов
Кол-во
1
?
40
12-3501049
Колпачок перепускного клапана колесного цилиндра тормоза защитный
Кол-во
1
?
41
53-3501048
Клапан прокачки колесного цилиндра
Кол-во
1
?
42
51-3506012
Болт М12х1,25х28
Кол-во
1
?
43
51-3506045-01
Муфта соединительная
Кол-во
1
?
44
52-1101078-01
Шланг сливного краника
Кол-во
2
?
45
24-3550042
Кольцо стопорное
Кол-во
1
?
46
293374-П29
Шайба 13,5
Кол-во
2
?
47
24-3550033
Манжета уплотнительная
Кол-во
2
?
48
45 9841 1344
Штифт 3х16
Кол-во
2
?
49
53-12-3550029
Поршень гидровакуумного усилителя тормозов
Кол-во
1
?
50
Б6.35-200+/-25
Шарик клапана поршня цилиндра гидровакуумного усилителя тормозов (покупное изделие)
Кол-во
2
?
51
252175-П29
Шайба 8
Кол-во
4
?
52
53-12-3550051
Манжета поршня уплотнительная
Кол-во
1
?
53
258001-П
Шплинт 1,6х12 ОСТ 37.001.171-93
Кол-во
2
?
54
53-12-3550016
Пружина клапана
Кол-во
1
?
55
53-12-3550031
Толкатель клапана
Кол-во
1
?
56
53-3550060-А
Толкатель поршня цилиндра
Кол-во
1
?
57
53-12-3550048
Шайба упорная
Кол-во
1
?
58
51П-3550036
Кольцо уплотнительное
Кол-во
1
?
59
24-3550032
Корпус уплотнителей цилиндра гидровакуумного усилителя тормоза
Кол-во
1
?
60
53-3550084
Прокладка цилиндра
Кол-во
2
?
61
51ПЮ-3552035
Штуцер клапана управления
Кол-во
1
?
62
51П-3550077
Шайба толкателя поршня цилиндра
Кол-во
1
?
62
51Д-3550077
Шайба толкателя поршня цилиндра
Кол-во
1
?
63
51П-3550078
Кольцо уплотнительное гидровакуумного усилителя тормозов
Кол-во
1
?
64
251086-П29
Гайка М5-6Н ОСТ 37.001.112-91
Кол-во
4
?
65
250512-П29
Гайка М10-6Н ОСТ 37.001.124-93
Кол-во
8
?
В наличии
10 ₽
66
252156-П2
Шайба 10Л ОСТ 37.001.115-75
Кол-во
8
?
67
201496-П29
Болт М10-6gх22 ОСТ 37.001.123-96
Кол-во
8
?
Есть готовая заявка? Отправьте ее нам!
Если у вас уже есть список необходимых запчастей, загрузите файл с ним или укажите артикулы и названия запчастей в поле Комментарий, а также оставьте свои контактные данные. В течение рабочего дня мы оценим вашу заявку и отправим вам коммерческое предложение.
Отдел продаж

Если у вас уже есть готовая заявка на запасные части, то просто прикрепите файл с ней либо в поле «Комментарии» напишите артикулы и названия необходимых вам запчастей и оставьте контактные данные.

В течение рабочего дня мы выполним расчёт по вашей заявке и направим вам коммерческое предложение.

Только один файл.
Ограничение 128 МБ.
Допустимые типы: txt, rtf, pdf, doc, docx, odt, ppt, pptx, odp, xls, xlsx, ods.
пример: 89511234567 или +79511324567
Отправляя форму вы подтверждаете согласие с политикой обработки персональных данных.