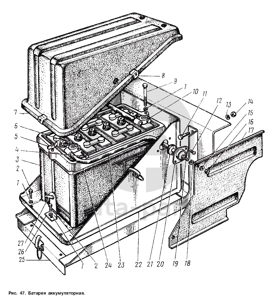
Батарея аккумуляторная ГАЗ-3307

1
1
1
2
2
3
3
3
3
4
5
6
7
8
9
11
12
13
14
15
16
17
18
19
20
21
22
23
24
25
26
27
10
%
1
252135-П2
Шайба 8Т ОСТ 37.001.115-75
Кол-во
1
?
В наличии
4 ₽
2
201452-П29
Болт М8-6gх12
Кол-во
2
?
2
201452-П29
Болт М8-6gх12 ОСТ 37.001.123-96
Кол-во
1
?
3
53А-3703011-04
Батарея аккумуляторная 6СТ-75ТМ
Кол-во
1
?
3
6СТ-75ЭМ
Батарея аккумуляторная (53А-3703011-02)
Кол-во
1
?
3
6СТ-75ЭР
Батарея аккумуляторная (53А-3703011-03)
Кол-во
1
?
3
6СТ-75ТР
Батарея аккумуляторная (53А-3703011-05)
Кол-во
1
?
4
290659-П16
Болт М8-6gх30
Кол-во
2
?
5
251513-П29
Гайка М8-6Н ОСТ 37.001.114-94
Кол-во
1
?
6
45 9952 4026
Гайка М8
Кол-во
2
?
7
3307-3703087
Крышка аккумуляторной батареи
Кол-во
1
?
8
4301-3703037
Упор крышки
Кол-во
3
?
9
201468-П29
Болт М8-6gх50 ОСТ 37.001.123-96
Кол-во
1
?
10
3307-3724062
Провод от аккумуляторной батареи к раме в сборе
Кол-во
0
?
11
201497-П29
Болт М10-6gх25 ОСТ 37.001.123-96
Кол-во
4
?
В наличии
20 ₽
12
240817-П29
Винт М4х10 ОСТ 37.001.188-81
Кол-во
4
?
13
252136-П2
Шайба 10 ОТ ОСТ 37.001.115-75
Кол-во
4
?
14
250512-П29
Гайка М10-6Н ОСТ 37.001.124-93
Кол-во
4
?
В наличии
10 ₽
15
252004-П29
Шайба 6 ОСТ 37.001.144-96
Кол-во
1
?
16
250508-П29
Гайка М6-6Н ОСТ 37.001.124-93
Кол-во
1
?
17
4301-3703151
Экран
Кол-во
1
?
18
252134-П2
Шайба 6Т ОСТ 37.001.115-75
Кол-во
1
?
19
201417-П29
Болт М6-6gх14 ОСТ 37.001.123-96
Кол-во
1
?
20
11-700786
Обойма уплотнителя пучка проводов
Кол-во
2
?
21
51А-3724083
Уплотнитель
Кол-во
2
?
22
3307-3703025
Основание аккумуляторной батареи в сборе
Кол-во
1
?
под заказ
цена по запросу
23
3307-3724050
Провод от аккумуляторной батареи к стартеру в сборе
Кол-во
1
?
24
66-3703036
Рамка крепления аккумуляторной батареи
Кол-во
1
?
25
3307-3703026
Кронштейн крепления основания в сборе
Кол-во
1
?
26
3307-3703066
Кронштейн крепления стяжки передний в сборе
Кол-во
1
?
27
53А-3703038
Стяжка крепления аккумуляторной батареи
Кол-во
1
?
Есть готовая заявка? Отправьте ее нам!
Если у вас уже есть список необходимых запчастей, загрузите файл с ним или укажите артикулы и названия запчастей в поле Комментарий, а также оставьте свои контактные данные. В течение рабочего дня мы оценим вашу заявку и отправим вам коммерческое предложение.
Отдел продаж

Если у вас уже есть готовая заявка на запасные части, то просто прикрепите файл с ней либо в поле «Комментарии» напишите артикулы и названия необходимых вам запчастей и оставьте контактные данные.

В течение рабочего дня мы выполним расчёт по вашей заявке и направим вам коммерческое предложение.

Только один файл.
Ограничение 128 МБ.
Допустимые типы: txt, rtf, pdf, doc, docx, odt, ppt, pptx, odp, xls, xlsx, ods.
пример: 89511234567 или +79511324567
Отправляя форму вы подтверждаете согласие с политикой обработки персональных данных.