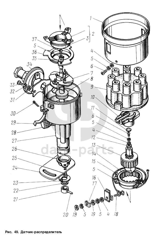
Датчик-распределитель ГАЗ-3307

1
24.3706001
Экран
Кол-во
1
?
2
Р352-3706800
Опора статора в сборе
Кол-во
1
?
3
7690906
Подшипник в сборе
Кол-во
1
?
4
Шайба 4
Шайба 4
Кол-во
5
?
5
Шайба 4Н65Г
Шайба 4Н65Г
Кол-во
11
?
6
Винт М4х10
Винт М4х10
Кол-во
4
?
7
Р352-3706200
Валик с автоматом в сборе
Кол-во
1
?
8
6-8102
Подшипник в сборе (покупное изделие)
Кол-во
1
?
9
Р12-3706500
Крышка распре делителя в сборе
Кол-во
1
?
10
24.3706020
Бегунок с резистором в сборе
Кол-во
1
?
11
Р34-3706006-Т
Сальник
Кол-во
1
?
12
Шайба 7 (количество определяется регулир
Шайба 7 (количество определяется регулировкой)
Кол-во
0
?
13
Р352-3706400
Ротор в сборе
Кол-во
1
?
14
24.3706300
Статор в сборе
Кол-во
1
?
15
Винт М4х8
Винт М4х8
Кол-во
3
?
16
24.3706301
Зажим изоляционный
Кол-во
1
?
17
Р4-370006
Скоба
Кол-во
1
?
18
Н-1958
Болт специальный
Кол-во
1
?
19
Гайка М4
Гайка М4
Кол-во
2
?
20
Заклепка 3х19
Заклепка 3х19
Кол-во
1
?
21
Р351-3706040
Муфта
Кол-во
1
?
22
Р351-3706014
Шайба 13
Кол-во
1
?
23
Р352-3706008
Шайба специальная
Кол-во
1
?
24
Р352-3706002
Пластина установочная
Кол-во
1
?
25
Винт М5х16
Винт М5х16
Кол-во
2
?
26
Р352-3706003
Шайба специальная
Кол-во
1
?
27
24.3706100
Корпус в сборе
Кол-во
1
?
28
Р-8050-АТ
Крышка масленки
Кол-во
1
?
29
1-ИГ-694-Т
Пружина крышки
Кол-во
2
?
30
Шплинт 3,2х20
Шплинт 3,2х20
Кол-во
2
?
31
45 9811 1254
Шайба 5
Кол-во
2
?
32
Шайба 5Л65Г
Шайба 5Л65Г
Кол-во
2
?
33
Винт М5х12
Винт М5х12
Кол-во
2
?
34
24.3706600
Регулятор вакуумный в сборе
Кол-во
1
?
35
Р352-3706004
Держатель
Кол-во
2
?
36
Р352-3706001
Обойма подшипника
Кол-во
1
?
37
Винт М4х12
Винт М4х12
Кол-во
2
?
Есть готовая заявка? Отправьте ее нам!
Если у вас уже есть список необходимых запчастей, загрузите файл с ним или укажите артикулы и названия запчастей в поле Комментарий, а также оставьте свои контактные данные. В течение рабочего дня мы оценим вашу заявку и отправим вам коммерческое предложение.
Отдел продаж

Если у вас уже есть готовая заявка на запасные части, то просто прикрепите файл с ней либо в поле «Комментарии» напишите артикулы и названия необходимых вам запчастей и оставьте контактные данные.

В течение рабочего дня мы выполним расчёт по вашей заявке и направим вам коммерческое предложение.

Только один файл.
Ограничение 128 МБ.
Допустимые типы: txt, rtf, pdf, doc, docx, odt, ppt, pptx, odp, xls, xlsx, ods.
пример: 89511234567 или +79511324567
Отправляя форму вы подтверждаете согласие с политикой обработки персональных данных.