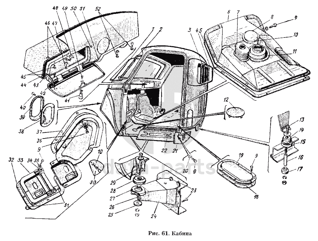
Кабина ГАЗ-53 А

1
52-5206010
Стекло ветрового окна, либо 52-5206010-А
Кол-во
1
?
2
52-5206050
Уплотнитель ветрового окна
Кол-во
1
?
3
52-5603018
Уплотнитель стекла окна задка
Кол-во
1
?
4
52-5603016
Стекло окна задка, либо 52-5603016-А
Кол-во
1
?
5
52-5107028
Прокладка кожуха пола
Кол-во
1
?
6
53-5107020
Кожух пола в сборе
Кол-во
1
?
7
52-5107080
Уплотнитель кожуха пола под рычаг ручного тормоза
Кол-во
1
?
8
53-5107088
Заглушка кожуха пола
Кол-во
1
?
9
290513-П29
Болт М8-6gх20
Кол-во
16
?
10
201416-П8
Болт М6-6gх12
Кол-во
1
?
11
52-5107090
Уплотнитель кожуха пола под головку коробки перемены передач
Кол-во
1
?
12
53А-510110
Заглушка пола в сборе
Кол-во
1
?
13
45 9326 1151
Болт М12х1,2 5х130 заднего крепления кабины
Кол-во
2
?
14
64-6025-В
Подушка крепления кабины верхняя задняя в сборе
Кол-во
2
?
15
51-6041-Б
Гнездо верхней подушки опоры двигателя
Кол-во
2
?
16
53А-5001086
Втулка распорная переднего крепления кабины
Кол-во
2
?
17
64-6039-А
Подушка нижняя задней опоры двигателя в сборе
Кол-во
2
?
18
21-5101368-А
Прокладка крышки
Кол-во
1
?
19
21-5101136
Крышка люка пола над реостатом указателя уровня бензина
Кол-во
1
?
20
252174-П29
Шайба 2-6 ОСТ 37.001.145-75
Кол-во
16
?
21
53-5101839
Щиток порога пола левый в сборе
Кол-во
1
?
22
53-5101844
Прокладка щитка порога пола
Кол-во
2
?
23
201499-П29
Болт М10-6gх30 ОСТ 37.001.123-96
Кол-во
8
?
24
53А-5001013
Кронштейн крепления кабины передний левый
Кол-во
1
?
25
52-5001010-Б
Прокладка крепления кабины нижняя
Кол-во
2
?
26
52-5001082
Втулка распорная крепления кабины к раме
Кол-во
2
?
27
52-5001016
Гнездо прокладки на кронштейне
Кол-во
2
?
28
52-5001037
Прокладка крепления кабины верхняя левая
Кол-во
1
?
29
45 9326 1148
Болт М12х1,25х110 переднего крепления кабины
Кол-во
2
?
30
53-5301387
Заглушка отверстия под педаль включения стартера
Кол-во
1
?
31
51-1602070
Буфер педали
Кол-во
1
?
32
53-5301096
Прокладка защитной пластины у педалей
Кол-во
1
?
33
52-5301095
Пластина защитная у педалей левая
Кол-во
1
?
34
81-5301098-Б
Прокладка защитной пластины у педалей средняя
Кол-во
1
?
35
252004-П8
Шайба 6
Кол-во
4
?
36
53-5301681
Крышка монтажного люка передка в сборе
Кол-во
1
?
37
53-5301689
Прокладка крышки монтажного люка передка
Кол-во
1
?
38
52-5301112
Уплотнитель щитка передка у рулевой колонки
Кол-во
1
?
39
52-5301114
Пластина крепления уплотнителя щитка передка у рулевой колонки
Кол-во
1
?
40
240836-П8
Винт М5х12
Кол-во
4
?
41
51-3709051-Б
Ручка
Кол-во
1
?
42
52-5303016
Дверца вещевого ящика в сборе
Кол-во
1
?
43
52-5303098
Буфер ограничителя дверцы вещевого ящика
Кол-во
1
?
44
52-5303012
Ящик вещевой в сборе
Кол-во
1
?
45
240818-П29
Винт 4х12 ОСТ 37.001.188-81
Кол-во
4
?
46
292647
Гайка специальная
Кол-во
4
?
47
240820-П29
Винт М4х18 ОСТ 37.001.188-81
Кол-во
2
?
48
52-5303074
Упор замка вещевого ящика
Кол-во
1
?
49
224596-П29
Винт М5-6gх8
Кол-во
1
?
50
30-5303045
Буфер
Кол-во
2
?
51
53-5301144
Поручень передка
Кол-во
1
?
52
201455-П8
Болт М8-6gх18
Кол-во
4
?
Есть готовая заявка? Отправьте ее нам!
Если у вас уже есть список необходимых запчастей, загрузите файл с ним или укажите артикулы и названия запчастей в поле Комментарий, а также оставьте свои контактные данные. В течение рабочего дня мы оценим вашу заявку и отправим вам коммерческое предложение.
Отдел продаж

Если у вас уже есть готовая заявка на запасные части, то просто прикрепите файл с ней либо в поле «Комментарии» напишите артикулы и названия необходимых вам запчастей и оставьте контактные данные.

В течение рабочего дня мы выполним расчёт по вашей заявке и направим вам коммерческое предложение.

Только один файл.
Ограничение 128 МБ.
Допустимые типы: txt, rtf, pdf, doc, docx, odt, ppt, pptx, odp, xls, xlsx, ods.
пример: 89511234567 или +79511324567
Отправляя форму вы подтверждаете согласие с политикой обработки персональных данных.