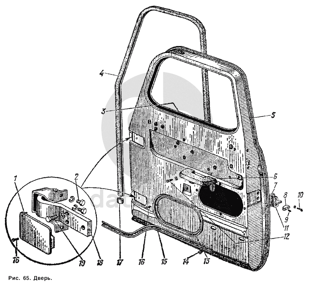
Дверь ГАЗ-53 А

1
2
3
4
5
6
7
8
9
10
11
12
13
14
15
16
16
17
18
19
%
1
52-6101462
Крышка петельного люка двери
Кол-во
4
?
2
290740-П8
Болт М10х1-6gх18
Кол-во
6
?
3
52-6103268
Уплотнитель опускного стекла двери
Кол-во
2
?
4
52-6107012-А
Уплотнитель проема двери правый
Кол-во
1
?
5
52-6107020
Уплотнитель фланца двери
Кол-во
2
?
6
52-6906010
Подлокотник в сборе
Кол-во
2
?
7
53А-6106220
Прокладка шипа направляющего передней двери
Кол-во
2
?
8
М-46430
Буфер фиксатора двери
Кол-во
4
?
9
М-46417
Пружина буфера фиксатора двери
Кол-во
4
?
10
221607-П8
Винт М6х20
Кол-во
4
?
11
М-702550-А
Шип фиксатора двери
Кол-во
2
?
12
224631-П8
Винт М6х30
Кол-во
4
?
13
52-6101036-А
Крышка монтажного люка двери в сборе (сварка)
Кол-во
2
?
14
298318-П2
Пистон
Кол-во
8
?
15
52-6107110
Уплотнитель двери нижний
Кол-во
2
?
16
240037-П29
Винт М5х16 ОСТ 37.001.187-81
Кол-во
8
?
16
2400-П29
Винт диам. 5х15 крепления крышки
Кол-во
8
?
17
52-6107076
Держатель уплотнителя проема двери нижний
Кол-во
22
?
18
А162-6106000
Петля двери правая в сборе
Кол-во
1
?
19
290754-П8
Болт М10х1-6gх28
Кол-во
6
?
Есть готовая заявка? Отправьте ее нам!
Если у вас уже есть список необходимых запчастей, загрузите файл с ним или укажите артикулы и названия запчастей в поле Комментарий, а также оставьте свои контактные данные. В течение рабочего дня мы оценим вашу заявку и отправим вам коммерческое предложение.
Отдел продаж

Если у вас уже есть готовая заявка на запасные части, то просто прикрепите файл с ней либо в поле «Комментарии» напишите артикулы и названия необходимых вам запчастей и оставьте контактные данные.

В течение рабочего дня мы выполним расчёт по вашей заявке и направим вам коммерческое предложение.

Только один файл.
Ограничение 128 МБ.
Допустимые типы: txt, rtf, pdf, doc, docx, odt, ppt, pptx, odp, xls, xlsx, ods.
пример: 89511234567 или +79511324567
Отправляя форму вы подтверждаете согласие с политикой обработки персональных данных.