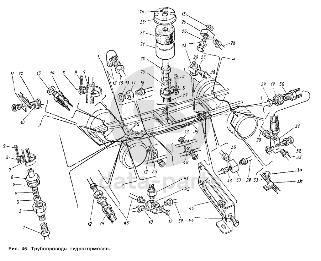
Трубопроводы гидротормозов ГАЗ-53 А

1
53А-3552036
Трубка от запорного клапана к клапану управления в сборе
Кол-во
1
?
2
53А-3552012
Корпус запорного клапана
Кол-во
1
?
3
24-3552014-01
Клапан в сборе
Кол-во
1
?
4
24-3552016
Пружина
Кол-во
1
?
5
13-3407149
Прокладка
Кол-во
1
?
6
24-3552018
Штуцер обратного клапана
Кол-во
1
?
7
22Б-8101792
Шланг
Кол-во
1
?
8
297582-П29
Лента 10х180
Кол-во
5
?
9
297575-П29
Шплинт 5,6х22
Кол-во
5
?
10
53А-3506023
Трубка от тройника к правому переднему тормозу в сборе
Кол-во
1
?
11
51-3506044
Скоба
Кол-во
2
?
12
201455-П8
Болт М8-6gх18
Кол-во
1
?
12
201455-П29
Болт М8-6gх18 ОСТ 37.001.123-96
Кол-во
1
?
13
51-3506013
Прокладка
Кол-во
2
?
14
53-3506025
Шланг гибкий передних тормозов в сборе
Кол-во
2
?
15
66-3552042
Штуцер забора вакуума
Кол-во
1
?
16
53-50-3552026-30
Трубка от штуцера забора вакуума к запорному клапану в сборе
Кол-во
1
?
17
20Ю-3506005
Штуцер гидровакуумного усилителя тормозов
Кол-во
1
?
18
53А-3506006
Трубка от главного цилиндра к гидровакуумному усилителю в сборе
Кол-во
1
?
19
250636-П8
Гайка М16х1,5
Кол-во
1
?
19
250636-П29
Гайка М16х1,5-6Н ОСТ 37.001.124-93
Кол-во
1
?
20
53А-3553022
Корпус воздушного фильтра гидровакуумного усилителя тормоза
Кол-во
1
?
21
51П-3553026-10
Обойма воздушного фильтра гидровакуумного усилителя тормоза внутренняя
Кол-во
1
?
22
51П-3553032-А
Фильтрующий элемент
Кол-во
1
?
23
51П-3553028-01
Обойма воздушного фильтра гидровакуумного усилителя тормоза наружная
Кол-во
1
?
24
51П-3553034
Кольцо стопорное воздушного фильтра
Кол-во
1
?
25
51-3506045-А
Муфта соединительная
Кол-во
2
?
26
51-3506012
Болт М12х1,25х28
Кол-во
2
?
27
52-1101078
Шланг воздушный трубки топливного бака
Кол-во
1
?
28
53-3506040
Трубка от тройника к правому заднему тормозу в сборе
Кол-во
1
?
29
53Ф-3506030-А
Трубка от центрального тройника к задним тормозам в сборе
Кол-во
1
?
30
51-3506025
Шланг гибкий
Кол-во
1
?
31
51-3506033
Тройник
Кол-во
1
?
32
201518-П8
Болт М10х1х25
Кол-во
1
?
33
53-3506035
Трубка от тройника к левому заднему тормозу в сборе
Кол-во
1
?
34
201452-П8
Болт М8х1,25х12
Кол-во
2
?
35
297484-П29
Скоба
Кол-во
1
?
36
53-3506068-10
Трубка от гидровакуумного усилителя к центральному тройнику в сборе
Кол-во
1
?
37
51-3506018
Тройник
Кол-во
1
?
38
53А-3506015
Трубка от центрального тройника к передним тормозам в сборе
Кол-во
1
?
39
53-3552032-Г
Трубка от воздушного фильтра к гидровакуумному усилителю тормозов в сборе
Кол-во
1
?
40
53-3506050
Скоба
Кол-во
2
?
41
40П-3720010
Выключатель света сигнала «стоп» гидравлический ВК12-Б
Кол-во
1
?
42
53А-3506018
Тройник трубопроводов с кронштейном в сборе
Кол-во
1
?
43
51П-3550092-01
Кронштейн крепления гидровакуумного усилителя тормозов
Кол-во
2
?
44
201496-П8
Болт М10-6gх22
Кол-во
4
?
45
53А-3506020
Трубка от тройника к левому переднему тормозу в сборе
Кол-во
1
?
Есть готовая заявка? Отправьте ее нам!
Если у вас уже есть список необходимых запчастей, загрузите файл с ним или укажите артикулы и названия запчастей в поле Комментарий, а также оставьте свои контактные данные. В течение рабочего дня мы оценим вашу заявку и отправим вам коммерческое предложение.
Отдел продаж

Если у вас уже есть готовая заявка на запасные части, то просто прикрепите файл с ней либо в поле «Комментарии» напишите артикулы и названия необходимых вам запчастей и оставьте контактные данные.

В течение рабочего дня мы выполним расчёт по вашей заявке и направим вам коммерческое предложение.

Только один файл.
Ограничение 128 МБ.
Допустимые типы: txt, rtf, pdf, doc, docx, odt, ppt, pptx, odp, xls, xlsx, ods.
пример: 89511234567 или +79511324567
Отправляя форму вы подтверждаете согласие с политикой обработки персональных данных.