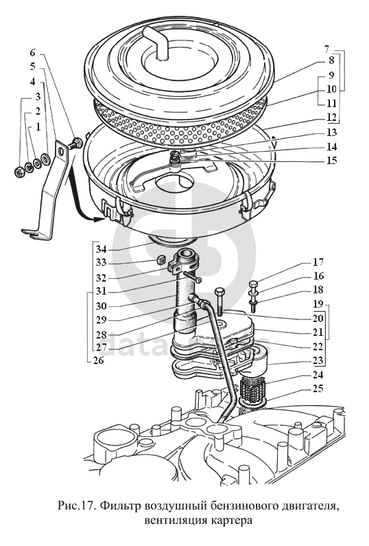
Фильтр воздушный бензинового двигателя, вентиляция картера ГАЗ-3308

1
293256-П29
Шайба 8
Кол-во
0
?
2
252135-П2
Шайба 8Т ОСТ 37.001.115-75
Кол-во
0
?
В наличии
4 ₽
3
250511-П29
Гайка М8х1-6Н ОСТ 37.001.124-93
Кол-во
0
?
4
293334-П29
Шайба 11,5
Кол-во
0
?
5
3307-1109142-10
Кронштейн фильтра
Кол-во
0
?
6
290570-П29
Болт М8х1-6gх18
Кол-во
0
?
7
66-11-1109010
Фильтр воздушный
Кол-во
0
?
8
66-11-1109015
Крышка фильтра
Кол-во
0
?
9
3102-1109013-02
Элемент фильтрующий
Кол-во
0
?
10
31029-1109013
Элемент фильтрующий ТУ6-00-04873044-136-95
Кол-во
0
?
11
3102-1109013
Элемент фильтрующий в сборе
Кол-во
0
?
под заказ
цена по запросу
12
3307-1109033
Корпус фильтра
Кол-во
0
?
13
222533-П29
Винт М6-6gх35 ОСТ 37.001.128-96
Кол-во
0
?
14
252134-П2
Шайба 6Т ОСТ 37.001.115-75
Кол-во
0
?
15
252004-П29
Шайба 6 ОСТ 37.001.144-96
Кол-во
0
?
16
252004-П29
Шайба 6 ОСТ 37.001.144-96
Кол-во
0
?
17
200221-П8
Болт М8-6gх60
Кол-во
0
?
18
293229-П
Шайба 6
Кол-во
0
?
19
5311.1014112-11
Маслоотделитель в сборе
Кол-во
0
?
20
4593469530
Болт М8-6gх40
Кол-во
0
?
21
53-11-1014134-20
Крышка маслоотделителя
Кол-во
0
?
22
53-11-1014138-20
Прокладка крышки маслоотделителя
Кол-во
0
?
23
53-11-1014114-20
Корпус маслоотделителя
Кол-во
0
?
24
53-11-1014115
Пламегаситель маслоотделителя
Кол-во
0
?
25
13-1014053
Прокладка вытяжной трубы вентиляции картера
Кол-во
0
?
26
53-11-1014203
Шланг соединительный в сборе
Кол-во
0
?
27
53-11-1014208-10
Шланг
Кол-во
0
?
28
53-11-1014209
Кольцо обжимное
Кол-во
0
?
29
53-11-1014042-10
Трубка
Кол-во
0
?
30
511.1014075
Шланг
Кол-во
0
?
31
220058-П29
Винт М4-6gх25 ОСТ 37.001.127-81
Кол-во
0
?
32
297408-П29
Хомут 28
Кол-во
0
?
33
251082-П29
Гайка М4-6Н ОСТ 37.001.112-91
Кол-во
0
?
34
66-1109129
Прокладка между воздушным фильтром и карбюратором
Кол-во
0
?
Есть готовая заявка? Отправьте ее нам!
Если у вас уже есть список необходимых запчастей, загрузите файл с ним или укажите артикулы и названия запчастей в поле Комментарий, а также оставьте свои контактные данные. В течение рабочего дня мы оценим вашу заявку и отправим вам коммерческое предложение.
Отдел продаж

Если у вас уже есть готовая заявка на запасные части, то просто прикрепите файл с ней либо в поле «Комментарии» напишите артикулы и названия необходимых вам запчастей и оставьте контактные данные.

В течение рабочего дня мы выполним расчёт по вашей заявке и направим вам коммерческое предложение.

Только один файл.
Ограничение 128 МБ.
Допустимые типы: txt, rtf, pdf, doc, docx, odt, ppt, pptx, odp, xls, xlsx, ods.
пример: 89511234567 или +79511324567
Отправляя форму вы подтверждаете согласие с политикой обработки персональных данных.