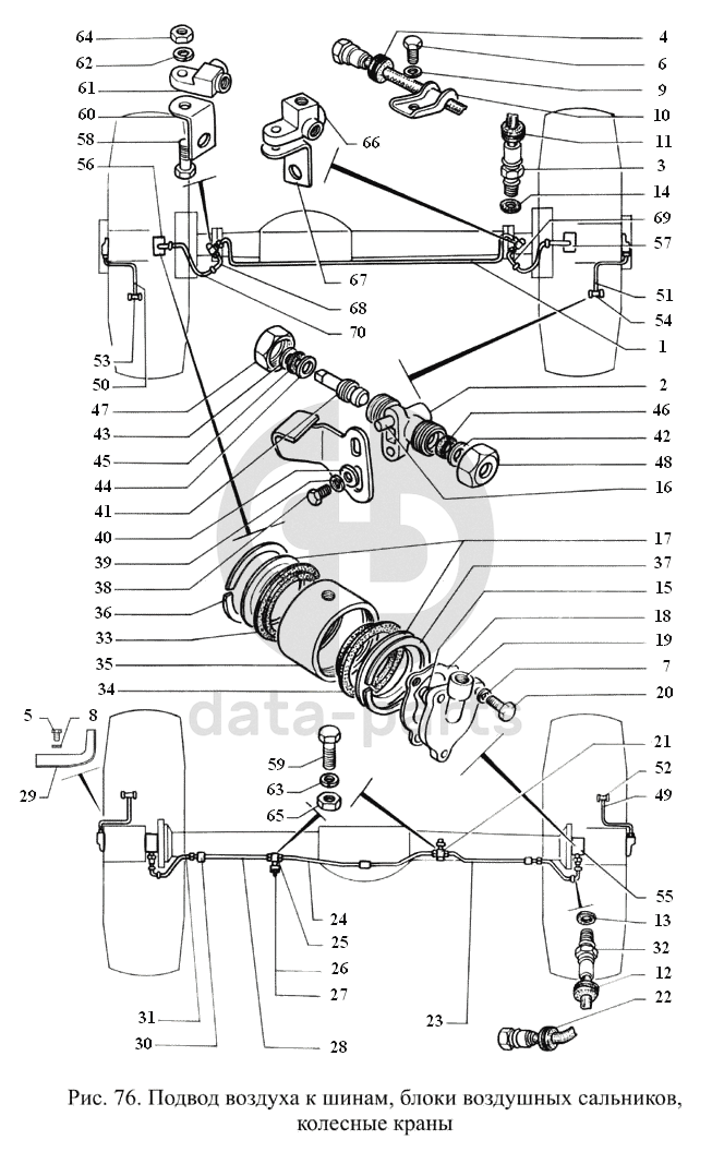
Подвод воздуха к шинам, блоки воздушных сальников, колесные краны ГАЗ-3308

1
66-02-4224055
Трубка к передним колесам в сборе
Кол-во
0
?
2
66-01-4224203
Корпус воздушного крана
Кол-во
0
?
3
66-02-4224038
Шланг гибкий подвода воздуха к передним колесам в сборе
Кол-во
0
?
4
66-02-4224047
Втулка защитная шланга подвода воздуха на щите переднего тормоза
Кол-во
0
?
5
201452-П29
Болт М8-6gх12 ОСТ 37.001.123-96
Кол-во
0
?
6
201452-П29
Болт М8-6gх12 ОСТ 37.001.123-96
Кол-во
0
?
7
252155-П2
Шайба 8Л ОСТ 37.001.115-75
Кол-во
0
?
8
252155-П2
Шайба 8Л ОСТ 37.001.115-75
Кол-во
0
?
9
252155-П2
Шайба 8Л ОСТ 37.001.115-75
Кол-во
0
?
10
66-1104145
Скоба крепления трубки
Кол-во
0
?
11
66-02-4224045
Втулка защитная шланга подвода воздуха на сальнике ступицы колеса
Кол-во
0
?
12
66-02-4224045
Втулка защитная шланга подвода воздуха на сальнике ступицы колеса
Кол-во
0
?
13
13-3510273
Кольцо уплотнительное
Кол-во
0
?
14
13-3510273
Кольцо уплотнительное
Кол-во
0
?
15
13-3510273
Кольцо уплотнительное
Кол-во
0
?
16
295033-П
Штифт 6х14 установочный
Кол-во
0
?
17
41-4224027-01
Подшипник блока сальников подвода воздуха к шинам
Кол-во
0
?
18
66-02-4224021
Прокладка крышки фланца
Кол-во
0
?
19
66-02-4224020
Крышка фланца ступицы
Кол-во
0
?
20
201454-П29
Болт М8-6gх16 ОСТ 37.001.123-96
Кол-во
0
?
21
66-02-4224070
Тройник подвода воздуха к задним колесам
Кол-во
0
?
22
66-02-4224048
Втулка защитная
Кол-во
0
?
23
66-02-4224074
Трубка к заднему правому колесу в сборе
Кол-во
0
?
24
66-11-4224084
Трубка к заднему левому колесу первая в сборе
Кол-во
0
?
25
66-11-4224090
Тройник клапана контрольного вывода
Кол-во
0
?
26
52-04-3505024
Прокладка штуцера главного цилиндра тормозов
Кол-во
0
?
27
100-3515310
Клапан контрольного вывода в сборе
Кол-во
0
?
28
66-11-4224086
Трубка к заднему левому колесу вторая в сборе
Кол-во
0
?
29
66-02-4224017
Кожух защитный трубки подвода воздуха к задним шинам
Кол-во
0
?
30
20-3506046
Втулка защитная
Кол-во
0
?
31
66-02-4224039
Шланг гибкий подвода воздуха к задним колесам в сборе
Кол-во
0
?
32
66-02-4224039
Шланг гибкий подвода воздуха к задним колесам в сборе
Кол-во
0
?
33
66-02-4224028-01
Манжета в сборе
Кол-во
0
?
34
66-02-4224028-01
Манжета в сборе
Кол-во
0
?
35
41-4224024
Корпус блока сальников подвода воздуха к шинам
Кол-во
0
?
36
12-1603252
Кольцо стопорное сальника
Кол-во
0
?
37
12-1603252
Кольцо стопорное сальника
Кол-во
0
?
38
201417-П29
Болт М6-6gх14 ОСТ 37.001.123-96
Кол-во
0
?
39
252154-П2
Шайба 6Л ОСТ 37.001.115-75
Кол-во
0
?
40
293246-П29
Шайба 6,5
Кол-во
0
?
41
41-4224204
Пробка крана запора воздуха в сборе
Кол-во
0
?
42
293271-П29
Шайба 8
Кол-во
0
?
43
293271-П29
Шайба 8
Кол-во
0
?
44
293271-П29
Шайба 8
Кол-во
0
?
45
40П-4225207
Сальник воздушного крана
Кол-во
0
?
46
40П-4225207
Сальник воздушного крана
Кол-во
0
?
47
40П-4225208
Гайка М20х1,5
Кол-во
0
?
48
40П-4225208
Гайка М20х1,5
Кол-во
0
?
49
66-01-4224011
Трубка подвода воздуха к воздушному крану в сборе
Кол-во
0
?
50
66-01-4224011
Трубка подвода воздуха к воздушному крану в сборе
Кол-во
0
?
51
66-01-4224011
Трубка подвода воздуха к воздушному крану в сборе
Кол-во
0
?
52
66-01-4224202
Кран воздушный в сборе
Кол-во
0
?
под заказ
цена по запросу
53
66-01-4224202
Кран воздушный в сборе
Кол-во
0
?
под заказ
цена по запросу
54
66-01-4224202
Кран воздушный в сборе
Кол-во
0
?
под заказ
цена по запросу
55
41-4224023
Блок сальников подвода воздуха к шинам в сборе
Кол-во
0
?
56
41-4224023
Блок сальников подвода воздуха к шинам в сборе
Кол-во
0
?
57
41-4224023
Блок сальников подвода воздуха к шинам в сборе
Кол-во
0
?
58
201495-П29
Болт М10-6gх20 ОСТ 37.001.123-96
Кол-во
0
?
59
201495-П29
Болт М10-6gх20 ОСТ 37.001.123-96
Кол-во
0
?
60
66-02-4224053
Кронштейн двойника подвода воздуха на левое колесо
Кол-во
0
?
61
66-02-4224051
Двойник подвода воздуха к передним колесам левый
Кол-во
0
?
62
252156-П2
Шайба 10Л ОСТ 37.001.115-75
Кол-во
0
?
63
252156-П2
Шайба 10Л ОСТ 37.001.115-75
Кол-во
0
?
64
250612-П29
Гайка М10-6Н ОСТ 37.001.124-93
Кол-во
0
?
В наличии
3 ₽
65
250612-П29
Гайка М10-6Н ОСТ 37.001.124-93
Кол-во
0
?
В наличии
3 ₽
66
66-02-4224058
Тройник подвода воздуха к передним колесам правый
Кол-во
0
?
67
66-02-4224052
Кронштейн тройника
Кол-во
0
?
68
66-02-4224049
Трубка к гибкому шлангу переднего колеса в сборе
Кол-во
0
?
69
66-02-4224049
Трубка к гибкому шлангу переднего колеса в сборе
Кол-во
0
?
70
66-02-4224038
Шланг гибкий подвода воздуха к передним колесам в сборе
Кол-во
0
?
Есть готовая заявка? Отправьте ее нам!
Если у вас уже есть список необходимых запчастей, загрузите файл с ним или укажите артикулы и названия запчастей в поле Комментарий, а также оставьте свои контактные данные. В течение рабочего дня мы оценим вашу заявку и отправим вам коммерческое предложение.
Отдел продаж

Если у вас уже есть готовая заявка на запасные части, то просто прикрепите файл с ней либо в поле «Комментарии» напишите артикулы и названия необходимых вам запчастей и оставьте контактные данные.

В течение рабочего дня мы выполним расчёт по вашей заявке и направим вам коммерческое предложение.

Только один файл.
Ограничение 128 МБ.
Допустимые типы: txt, rtf, pdf, doc, docx, odt, ppt, pptx, odp, xls, xlsx, ods.
пример: 89511234567 или +79511324567
Отправляя форму вы подтверждаете согласие с политикой обработки персональных данных.