Вентиляция и отопление ГАЗ-5312

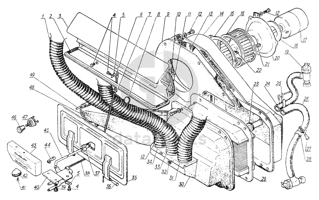
1
52-9101436-01
Шланг обдува ветрового стекла -левый
Кол-во
0
?
2
13-5304030
Уплотнитель крышки вентиляции передка
Кол-во
0
?
3
13-5304012
Крышка вентиляции передка в сборе
Кол-во
0
?
4
290377-П29
Болт М5-6gх9
Кол-во
0
?
5
21-5304198
Зажим оболочки
Кол-во
0
?
6
52-5304202
Тяга привода крышки вентиляции передка
Кол-во
0
?
7
A-17523
Втулка оболочки привода крышки вентиляции передка
Кол-во
0
?
8
52-8101152
Клапан слива
Кол-во
0
?
9
53-8101114-7
Прокладка кожуха радиатора отопления
Кол-во
0
?
9
53-8101114
Прокладка кожуха радиатора отопления
Кол-во
0
?
10
13-5304022-01
Сетка крышки вентилятора передка в сборе
Кол-во
0
?
11
240818-П29
Винт 4х12 ОСТ 37.001.188-81
Кол-во
0
?
12
290509-П8
Болт М6х25
Кол-во
0
?
12
290509-П29
Болт М6-6gх25
Кол-во
0
?
13
292685-П
Гайка М6 специальная
Кол-во
0
?
14
53-8101100
Кожух радиатора отопления
Кол-во
0
?
14
53-8101100-7
Кожух радиатора отопления
Кол-во
0
?
15
13-8102240
Прокладка диска электродвигателя заднего отопителя
Кол-во
0
?
16
52-8102030
Ротор обдува ветрового стекла в сборе
Кол-во
0
?
17
МЭ211-Т
Электродвигатель обдува ветрового стекла в сборе (13Ю-8102080)
Кол-во
0
?
18
21-8102232
Прокладка электродвигателя вентилятора
Кол-во
0
?
19
КР-29
Краник запорный отопления в сборе (Г-21Л-8101020)
Кол-во
0
?
20
13-8102238
Диск электродвигателя заднего отопителя
Кол-во
0
?
21
250464-П8
Ганка М5 крепления электродвигателя
Кол-во
0
?
22
242471-П8
Винт М5х12
Кол-во
0
?
23
13-8101170
Уплотнитель трубок радиатора отопления
Кол-во
0
?
24
24-76-8101038
Шланг впускной отопления
Кол-во
0
?
25
297580-П29
Пряжка
Кол-во
0
?
26
53-8101038-01
Шланг выпускной отопления
Кол-во
0
?
27
290502-П29
Болт М6-6gх14
Кол-во
0
?
28
51-3724073-Б
Скоба крепления проводов
Кол-во
0
?
28
51Ю-3724073-Б
Скоба крепления
Кол-во
0
?
29
53А-8101056
Радиатор отопления в сборе
Кол-во
0
?
30
53-8101252
Распределитель отопления кузова
Кол-во
0
?
31
30-8102062
Шланг трубопровода вентилятора короткий
Кол-во
0
?
32
298318-П2
Пистон
Кол-во
0
?
33
52-8102060
Шланг обдува ветрового стекла длинный
Кол-во
0
?
34
53А-8101236
Фланец распределителя отопления в сборе
Кол-во
0
?
35
32-8104220
Уплотнитель крышки вентиляции кузова
Кол-во
0
?
36
260018-П8
Палец 6х35
Кол-во
0
?
37
52-8104194
Скоба тяги привода крышки вентиляции передка
Кол-во
0
?
38
52-5304200-A2
Оболочка тяги крышки вентиляции передка
Кол-во
0
?
39
201416-П29
Болт М6-6gх12 ОСТ 37.001.123-96
Кол-во
0
?
В наличии
5 ₽
40
52-5304032
Привод вентиляции передка в сборе
Кол-во
0
?
41
222964-П29
Винт М3-6gх10
Кол-во
0
?
42
52-5304186
Ручка привода вентиляции передка
Кол-во
0
?
43
52-534189
Облицовка привода вентиляции передка
Кол-во
0
?
44
13-8104192
Пружина тяги крышки вентиляции передка
Кол-во
0
?
45
52-8104190
Тяга привода вентиляции передка
Кол-во
0
?
46
52-5205072
Ручка переключателя
Кол-во
0
?
47
М199-БТ
Переключатель мотора вентилятора отопления в сборе
Кол-во
0
?
48
53-8101264
Заслонка распределителя отопления
Кол-во
0
?
49
258363-П
Ось заслонки (штифт) 3х16
Кол-во
0
?
Есть готовая заявка? Отправьте ее нам!
Если у вас уже есть список необходимых запчастей, загрузите файл с ним или укажите артикулы и названия запчастей в поле Комментарий, а также оставьте свои контактные данные. В течение рабочего дня мы оценим вашу заявку и отправим вам коммерческое предложение.
Отдел продаж

Если у вас уже есть готовая заявка на запасные части, то просто прикрепите файл с ней либо в поле «Комментарии» напишите артикулы и названия необходимых вам запчастей и оставьте контактные данные.

В течение рабочего дня мы выполним расчёт по вашей заявке и направим вам коммерческое предложение.

Только один файл.
Ограничение 128 МБ.
Допустимые типы: txt, rtf, pdf, doc, docx, odt, ppt, pptx, odp, xls, xlsx, ods.
пример: 89511234567 или +79511324567
Отправляя форму вы подтверждаете согласие с политикой обработки персональных данных.