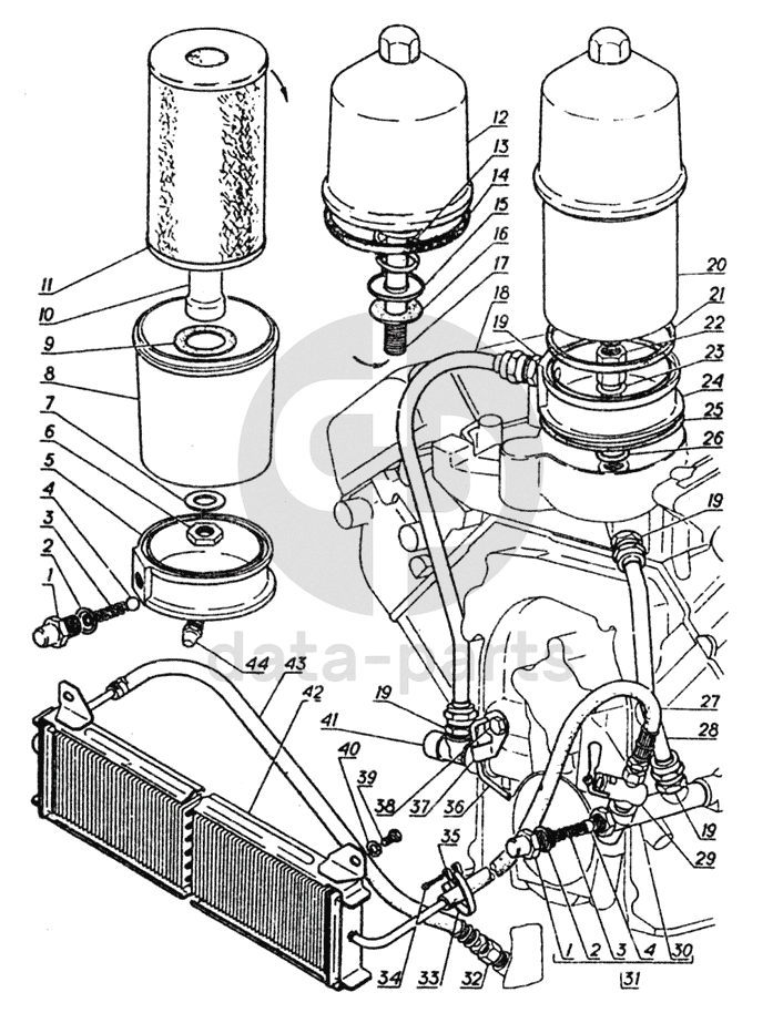
Масляный радиатор и фильтр масляный ГАЗ-5312

1
296499-П8
Пробка М18х1,5
Кол-во
0
?
1
296494-П8
Пробка М18х1,5х12
Кол-во
0
?
2
293469-П
Шайба 18
Кол-во
0
?
3
202-6092
Пружина перепускного клапана масляного радиатора
Кол-во
0
?
4
Б1У 11,906 мм
Шарик клапана (353087-S)
Кол-во
0
?
4
Б1У 11,906 мм П
Шарик диам. 11,9 разжимного механизма стояночного тормоза (353087-8)
Кол-во
0
?
5
53-11-1017039-10
Проставка
Кол-во
0
?
6
250638-П2
Гайка M18-1,5
Кол-во
0
?
7
252018-П2
Шайба плоская диаметром 18 мм гайки крепления оси заднего ушка передней рессоры
Кол-во
0
?
8
53-11-1017017
Корпус фильтра (нижняя часть)
Кол-во
0
?
9
53-11-1017142
Прокладка фильтрующего элемента
Кол-во
0
?
10
53-11-1017317
Трубка корпуса фильтра
Кол-во
0
?
11
6Г-53-11-1017140
Элемент фильтрующий
Кол-во
0
?
12
53-11-1017016
Корпус фильтра - верхняя часть
Кол-во
0
?
13
13-3402076
Пружина
Кол-во
0
?
14
53-11-1017065
Прокладка корпуса фильтра
Кол-во
0
?
15
24-1017099-01
Шайба опорная
Кол-во
0
?
16
24-1017062-10
Кольцо уплотнительное
Кол-во
0
?
17
53-11-1017031-10
Стержень фильтра
Кол-во
0
?
18
53-11-1017085-20
Трубка выпускная масляного фильтра в сборе
Кол-во
0
?
19
53-11-1017393-10
Штуцер
Кол-во
0
?
20
53-11-1017010-11
Фильтр тонкой очистки масла в сборе
Кол-во
0
?
21
53-11-1017064
Прокладка фильтра
Кол-во
0
?
22
53-11-1017392-10
Штуцер К 3/8"
Кол-во
0
?
23
293469-П
Шайба 18
Кол-во
0
?
24
53-11-1017038-10
Проставка с перепускным клапаном в сборе
Кол-во
0
?
25
53-11-1017329
Прокладка проставки
Кол-во
0
?
26
53-11-1017062
Кольцо уплотнительное
Кол-во
0
?
27
29ю-1013100-21
Шланг масляного радиатора впускной в сборе
Кол-во
0
?
27
69-1013100-21
Шланг масляного радиатора впускной в сборе
Кол-во
0
?
28
53-11-1017112-20
Трубка впускная масляного фильтра в сборе
Кол-во
0
?
29
ПП6-1-Э
Краник запорный масляного радиатора в сборе (Г-51-1013140-02),
Кол-во
0
?
29
ПП6-1-Т
Краник запорный масляного радиатора в сборе (Г-51 ю-1013140-02)
Кол-во
0
?
30
53-1013097
Корпус клапана масляного радиатора
Кол-во
0
?
31
53-11-1013095
Клапан масляного радиатора
Кол-во
0
?
32
298339-П29
Штуцер КГ 1/4"
Кол-во
0
?
33
297581-П29
Лента 10х160
Кол-во
0
?
34
297575-П8
Шплинт хомутика
Кол-во
0
?
35
297580-П29
Пряжка
Кол-во
0
?
36
53-11-1006049
Трубка смазки распределительных шестерен
Кол-во
0
?
37
53-11-1006267
Скоба крепления трубки смазки распределительных шестерен
Кол-во
0
?
38
201491-П
Болт M10х1.5х22
Кол-во
0
?
39
201452-П8
Болт М8х1,25х12
Кол-во
0
?
40
293270-П29
Шайба 8,2
Кол-во
0
?
41
53-11-1017393-10
Штуцер
Кол-во
0
?
42
66-1013010-14
Масляный радиатор в сборе
Кол-во
0
?
43
53-50-1013100-01
Шланг выпускной радиатора в сборе
Кол-во
0
?
43
53А-1013100-01
Шланг масляного радиатора выпускной в сборе
Кол-во
0
?
44
353052-П29
Пробка К1/4"
Кол-во
0
?
В наличии
65 ₽
Есть готовая заявка? Отправьте ее нам!
Если у вас уже есть список необходимых запчастей, загрузите файл с ним или укажите артикулы и названия запчастей в поле Комментарий, а также оставьте свои контактные данные. В течение рабочего дня мы оценим вашу заявку и отправим вам коммерческое предложение.
Отдел продаж

Если у вас уже есть готовая заявка на запасные части, то просто прикрепите файл с ней либо в поле «Комментарии» напишите артикулы и названия необходимых вам запчастей и оставьте контактные данные.

В течение рабочего дня мы выполним расчёт по вашей заявке и направим вам коммерческое предложение.

Только один файл.
Ограничение 128 МБ.
Допустимые типы: txt, rtf, pdf, doc, docx, odt, ppt, pptx, odp, xls, xlsx, ods.
пример: 89511234567 или +79511324567
Отправляя форму вы подтверждаете согласие с политикой обработки персональных данных.