Пусковое оборудование ГАЗ-5312

1
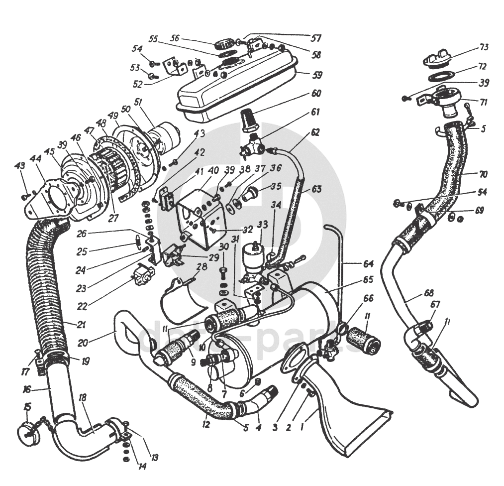
53-1015035-А
Патрубок газоотводящий подогревателя в сборе
Кол-во
0
?
2
201417-П29
Болт М6-6gх14 ОСТ 37.001.123-96
Кол-во
0
?
3
252004-П29
Шайба 6 ОСТ 37.001.144-96
Кол-во
0
?
4
53-1015066
Штуцер подводящий пускового подогревателя правый
Кол-во
0
?
5
297586-П29
Лента 10х290
Кол-во
0
?
6
262542-П29
Пробка КГ 1/4"
Кол-во
0
?
7
СР-65А
Свеча горелки подогревателя
Кол-во
0
?
8
ОВ65-0822
Гайка поджимная свечи подогревателя
Кол-во
0
?
9
53-1015085-А
Штуцер подводящий пускового подогревателя левый
Кол-во
0
?
10
53А-1015418-01
Трубка бензопровода подогревателя в сборе
Кол-во
0
?
11
69-1015048-01
Шланг трубы котла пускового подогревателя
Кол-во
0
?
12
53-1015048-01
Шланг подводящей трубы пускового подогревателя
Кол-во
0
?
13
201422-П29
Болт М6-6gх25 ОСТ 37.001.123-96
Кол-во
0
?
14
53-1015349
Хомут крепления воздухоподводящего патрубка подогревателя
Кол-во
0
?
15
53-1015342
Крышка воздухопроводящего патрубка пускового подогревателя
Кол-во
0
?
16
53А-1015347
Труба воздухоподводящая пускового подогревателя
Кол-во
0
?
17
220086-П29
Винт М5-6gх30 ОСТ 37.001.127-81
Кол-во
0
?
18
53А-1015339
Патрубок воздухоподводящий подогревателя в сборе
Кол-во
0
?
19
288014-П29
Хомут 48
Кол-во
0
?
20
53-1015076-01
Труба подводящая в сборе
Кол-во
0
?
21
52-8101436-01
Шланг
Кол-во
0
?
22
ПР2-Б
Предохранитель на 20А
Кол-во
0
?
23
53-1015585
Корпус контрольной спирали пульта управления
Кол-во
0
?
24
242469-П29
Винт М5-6gх8
Кол-во
0
?
25
53-1015590
Спираль контрольная пульта управления
Кол-во
0
?
26
53-1015593
Болт крепления контрольной спирали
Кол-во
0
?
27
242471-П29
Винт М5-6gх12 ОСТ 37.001.132-82
Кол-во
0
?
28
53-1015069
Экран нижнего шланга подводящей трубы пускового подогревателя
Кол-во
0
?
29
П-305
Переключатель электровентилятора и электромагнитного клапана в сборе (20-3709010-Б2)
Кол-во
0
?
30
201457-П29
Болт М8-6gх22 ОСТ 37.001.123-96
Кол-во
0
?
31
375-1015379
Болт М6х9 крепления электромагнитного клапана
Кол-во
0
?
32
220081-П29
Винт М5-6gх18 ОСТ 37.001.127-81
Кол-во
0
?
33
ПЖБ12-1015500-В
Клапан электромагнитный в сборе
Кол-во
0
?
34
297581-П29
Лента 10х160
Кол-во
0
?
35
51-3709051-Б
Ручка
Кол-во
0
?
36
21-3709030
Гайка
Кол-во
0
?
37
21-3709038
Шайба прокладочная
Кол-во
0
?
38
220048-П29
Винт М4-6gх6
Кол-во
0
?
39
201416-П29
Болт М6-6gх12 ОСТ 37.001.123-96
Кол-во
0
?
В наличии
5 ₽
40
53-1015575-01
Корпус пульта управления пусковым подогревателем в сборе
Кол-во
0
?
41
ВК-57-Э
Предохранитель электрической цепи пускового подогревателя в сборе (12-3722220), (21К-3722220),
Кол-во
0
?
41
ВК-57-Т
Предохранитель электрической цепи пускового подогревателя в сборе (12Ю-372220)
Кол-во
0
?
42
224570-П29
Винт М4-6gх8 ОСТ 37.001.130-81
Кол-во
0
?
43
224570-П29
Винт М4-6gх8 ОСТ 37.001.130-81
Кол-во
0
?
44
53-1015555-01
Кронштейн электровентилятора
Кол-во
0
?
45
30-8102020
Крышка корпуса вентилятора в сборе
Кол-во
0
?
46
251080-П29
Гайка М4
Кол-во
0
?
47
81Щ-8102030
Ротор вентилятора в сборе
Кол-во
0
?
48
30-8102026
Прокладка
Кол-во
0
?
49
30-8102016
Корпус вентилятора
Кол-во
0
?
50
30-5303045
Буфер
Кол-во
0
?
51
МЭ202
Электромотор вентилятора пускового подогревателя (66-8102080)
Кол-во
0
?
52
53А-1015499
Кронштейн переходный крепления топливного бачка подогревателя
Кол-во
0
?
53
201418-П29
Болт М6-6gх16 ОСТ 37.001.123-96
Кол-во
0
?
54
290502-П29
Болт М6-6gх14
Кол-во
0
?
55
53-1015479-А
Прокладка пробки топливного бачка подогревателя
Кол-во
0
?
56
53-1015468
Пробка топливного бачка подогревателя
Кол-во
0
?
57
210360-П29
Болт М6-6gх30
Кол-во
0
?
58
53-1015498
Втулка переходная крепления топливного бачка подогревателя
Кол-во
0
?
59
53А-1015455
Бачок топливный подогревателя в сборе
Кол-во
0
?
60
53-1015480-А
Фильтр бачка со штуцером в сборе
Кол-во
0
?
61
ВП5
Краник топливного бачка подогревателя
Кол-во
0
?
62
49Б-1015410
Трубка топливного бачка пускового подогревателя
Кол-во
0
?
63
63-1013101-А2
Шланг
Кол-во
0
?
64
53-1305025-Б
Рычаг управления краником подогревателя
Кол-во
0
?
65
53А-1015700-10
Теплообменник в сборе
Кол-во
0
?
66
ПС7-11
Краник сливной
Кол-во
0
?
67
53-1015082
Штуцер отводящий
Кол-во
0
?
68
53А-1015055
Труба заливная подогревателя с отводящей трубой в сборе
Кол-во
0
?
69
53А-1015374
Держатель шлангов
Кол-во
0
?
70
53А-1015063-01
Шланг заливной горловины пускового подогревателя
Кол-во
0
?
71
53А-1015050
Горловина заливная подогревателя в сборе
Кол-во
0
?
72
51-3909083-Б
Прокладка пробки бачка
Кол-во
0
?
73
53А-1015064
Пробка фланца заливной горловины
Кол-во
0
?
Есть готовая заявка? Отправьте ее нам!
Если у вас уже есть список необходимых запчастей, загрузите файл с ним или укажите артикулы и названия запчастей в поле Комментарий, а также оставьте свои контактные данные. В течение рабочего дня мы оценим вашу заявку и отправим вам коммерческое предложение.
Отдел продаж

Если у вас уже есть готовая заявка на запасные части, то просто прикрепите файл с ней либо в поле «Комментарии» напишите артикулы и названия необходимых вам запчастей и оставьте контактные данные.

В течение рабочего дня мы выполним расчёт по вашей заявке и направим вам коммерческое предложение.

Только один файл.
Ограничение 128 МБ.
Допустимые типы: txt, rtf, pdf, doc, docx, odt, ppt, pptx, odp, xls, xlsx, ods.
пример: 89511234567 или +79511324567
Отправляя форму вы подтверждаете согласие с политикой обработки персональных данных.