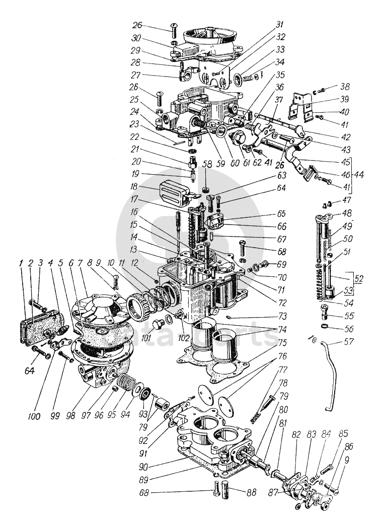
Карбюратор ГАЗ-5312

1
К126Б-1107182
Крышка
Кол-во
0
?
2
К126Б-1107181-А
Прокладка крышки
Кол-во
0
?
3
220050-П29
Винт М4-6gх8 ОСТ 37.001.127-81
Кол-во
0
?
4
К126Б-1107158-11
Пружина ограничительная
Кол-во
0
?
5
К126Б-1107161
Винт пружины
Кол-во
0
?
6
К126Б-1107170
Диафрагма в сборе
Кол-во
0
?
7
К126Б-1107175
Крышка в сборе
Кол-во
0
?
8
K126H-1107216
Гайка
Кол-во
0
?
9
220079-П29
Винт М5-6gх14
Кол-во
0
?
9
22079-П29
Винт
Кол-во
0
?
10
К126-1107228-А
Прокладка
Кол-во
0
?
11
К126-1107225
Стекло
Кол-во
0
?
12
451603
Заглушка
Кол-во
0
?
13
К21-1107244
Шарик
Кол-во
0
?
14
К126Б-1107226
Трубка эмульсионная
Кол-во
0
?
15
К126Б-1107205
Жиклер топливный
Кол-во
0
?
16
К126-1107204
Кольцо стопорное
Кол-во
0
?
17
К126Б-1107210-А
Привод ускорительного насоса в сборе
Кол-во
0
?
18
К124-1107320-А
Поплавок в сборе
Кол-во
0
?
19
К126Н-1107331
Игла клапана подачи горючего
Кол-во
0
?
20
К126Н-1107333
Шайба
Кол-во
0
?
21
К126Б-1107332Б
Корпус клапана подачи горючего
Кол-во
0
?
22
451305
Прокладка
Кол-во
0
?
23
114-1107304
Ось поплавка
Кол-во
0
?
24
К126-1107012-А
Прокладка поплавковой камеры
Кол-во
0
?
25
К126Б-1107301
Крышка поплавковой камеры
Кол-во
0
?
26
220081-П29
Винт М5-6gх18 ОСТ 37.001.127-81
Кол-во
0
?
27
К126Б-1107355
Вилка в сборе
Кол-во
0
?
28
СЛ22-5205502
Винт стопорный
Кол-во
0
?
29
К126Б-1107021
Прокладка фланца
Кол-во
0
?
30
К126Б-1107022
Фланец крышки
Кол-во
0
?
31
К126П-1107138
Винт воздушной заслонки
Кол-во
0
?
32
К126-1107375
Заслонка воздушная в осью клапана в сборе
Кол-во
0
?
33
К24-1107423
Клапан воздушной заслонки
Кол-во
0
?
34
К123А-1107321
Пружина
Кол-во
0
?
35
К23-70
Втулка пружины рычага привода воздушной заслонки
Кол-во
0
?
36
К126Б-1107309
Пружина
Кол-во
0
?
37
К126Б-1107308
Пружина
Кол-во
0
?
38
220077-П29
Винт М5-6gх10 ОСТ 37.001.127-81
Кол-во
0
?
В наличии
4 ₽
39
К23-55
Зажим кронштейна тяги воздушной заслонки
Кол-во
0
?
40
К126Б-1107302
Кронштейн
Кол-во
0
?
41
900507-1
Болт
Кол-во
0
?
42
К126Б-1107310
Ось воздушной заслонки в сборе
Кол-во
0
?
43
901017-0
Шайба 5,2х1
Кол-во
0
?
44
К126Б-1107350
Ось привода насоса в сборе
Кол-во
0
?
45
К126Б-1107345
Ось привода насоса с рычагом в сборе
Кол-во
0
?
46
К126Б-1107353
Планка
Кол-во
0
?
47
К25А-1107228
Гайка установочная
Кол-во
0
?
48
К126Б-1107215
Планка в сборе
Кол-во
0
?
49
К36-1107014
Пружина поршня
Кол-во
0
?
50
К30-1107115
Пружина поршня
Кол-во
0
?
51
К124-1107218
Шток привода экономайзера
Кол-во
0
?
52
К126Б-1107240
Поршень в сборе
Кол-во
0
?
53
К126Ж-1107242
Манжета
Кол-во
0
?
54
К34-1107013
Пружина
Кол-во
0
?
55
К126Б-1107280
Клапан экономайзера в сборе
Кол-во
0
?
56
901717-0
Прокладка распылителя
Кол-во
0
?
57
К126Б-1107024
Тяга малых оборотов
Кол-во
0
?
58
К126Б-1107231
Жиклер воздушный главной системы
Кол-во
0
?
59
К59-1107325
Сетка фильтра в сборе
Кол-во
0
?
60
451306
Прокладка
Кол-во
0
?
61
К124-1107327
Пробка фильтра
Кол-во
0
?
62
К126Б-1107315
Рычаг привода воздушной заслонки в сборе
Кол-во
0
?
63
К126П-1107246
Винт топливопроводящий
Кол-во
0
?
64
220056-П29
Винт М4-6gх20
Кол-во
0
?
65
К126Б-1107208
Распылитель
Кол-во
0
?
66
К126-1107209-А
Прокладка распылителя
Кол-во
0
?
67
К21-1107218
Клапан нагнетательный
Кол-во
0
?
68
К28Б-1107025
Болт М6-6gх1
Кол-во
0
?
69
451502
Пробка
Кол-во
0
?
70
906509-0
Жиклер холостого хода воздушный
Кол-во
0
?
71
К126Б-1107224
Диффузор малый
Кол-во
0
?
72
К126Б-1107201
Корпус поплавковой камеры
Кол-во
0
?
73
451601
Заглушка
Кол-во
0
?
74
К126Б-1107013
Диффузор
Кол-во
0
?
75
К126-1107014-А
Прокладка смесительной камеры
Кол-во
0
?
76
К126Б-1107102
Заслонка дроссельная
Кол-во
0
?
77
907103-0
Пружина регулировочного винта холостого хода
Кол-во
0
?
78
105-0-1107103
Винт регулировочный холостого хода
Кол-во
0
?
79
942/8
Подшипник в сборе
Кол-во
0
?
80
К126Б-1107110-Б
Ось дроссельных заслонок в сборе
Кол-во
0
?
81
К126Б-1107125
Ось привода в сборе
Кол-во
0
?
82
К126Б-1107109-А
Прокладка
Кол-во
0
?
83
К126Б-1107126
Подшипник оси привода в сборе
Кол-во
0
?
84
К13-1107113
Пружина
Кол-во
0
?
85
К21-1107108
Винт холостого хода
Кол-во
0
?
86
К126Б-1107127
Рычаг дроссельных заслонок
Кол-во
0
?
87
К126Б-1107131
Винт упора
Кол-во
0
?
88
291747-П2
Шпилька М8х1-4hх22
Кол-во
0
?
89
49-1107015
Прокладка между карбюратором и впускной трубой
Кол-во
0
?
90
К126Б-1107101
Корпус смесительной камеры
Кол-во
0
?
91
К126Б-1107154-А
Прокладка
Кол-во
0
?
92
220003-1
Винт
Кол-во
0
?
93
К126Б-1107151
Манжета
Кол-во
0
?
94
К126Б-1107152
Шайба манжеты
Кол-во
0
?
95
К126Б-1107153
Пружина
Кол-во
0
?
96
К126Б-1107168
Жиклер вакуумный
Кол-во
0
?
97
К126Б-1107167
Жиклер воздушный
Кол-во
0
?
98
К126Б-1107166
Корпус диафрагменного механизма
Кол-во
0
?
99
220080-П29
Винт М5-6gх16
Кол-во
0
?
100
К126Б-1104155
Рычаг в сборе
Кол-во
0
?
101
451513
Пробка
Кол-во
0
?
102
К126Б-1107202-А
Жиклер главный
Кол-во
0
?
Есть готовая заявка? Отправьте ее нам!
Если у вас уже есть список необходимых запчастей, загрузите файл с ним или укажите артикулы и названия запчастей в поле Комментарий, а также оставьте свои контактные данные. В течение рабочего дня мы оценим вашу заявку и отправим вам коммерческое предложение.
Отдел продаж

Если у вас уже есть готовая заявка на запасные части, то просто прикрепите файл с ней либо в поле «Комментарии» напишите артикулы и названия необходимых вам запчастей и оставьте контактные данные.

В течение рабочего дня мы выполним расчёт по вашей заявке и направим вам коммерческое предложение.

Только один файл.
Ограничение 128 МБ.
Допустимые типы: txt, rtf, pdf, doc, docx, odt, ppt, pptx, odp, xls, xlsx, ods.
пример: 89511234567 или +79511324567
Отправляя форму вы подтверждаете согласие с политикой обработки персональных данных.