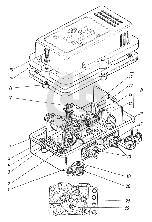
Реле-регулятор ГАЗ-5312

%
1
PP24-3702022
Втулка
Кол-во
0
?
2
H-5003
Винт крепления панели и панели теплоотвода к основанию
Кол-во
0
?
3
PP362-3702500-EH
Панель в сборе
Кол-во
0
?
4
МЛТ-0,5-240 ОМ+/-5% ГОСТ 5172-72
Резистор
Кол-во
0
?
5
PP362-3702600 ГX-4003
Реле защиты в сборе
Кол-во
0
?
6
PP362-3702400-E
Регулятор напряжения в сборе
Кол-во
0
?
7
PP315-3702419
Втулка изоляционная
Кол-во
0
?
8
PP362-3702008
Прокладка уплотнительная
Кол-во
0
?
9
РР362-3702003-А
Крышка
Кол-во
0
?
10
8Х-1549
Винт крепления крышки
Кол-во
0
?
11
PP362-3702800
Блок полупроводниковый
Кол-во
0
?
12
КД 202-B (УЖ3.362.036.ТУ)
Диод
Кол-во
0
?
13
П217(СИ3.365.017.ТУ)
Транзистор
Кол-во
0
?
14
PP362-3702810-A2
Теплооотвод с панелью в сборе
Кол-во
0
?
15
Д242(аА0336.206.ТУ)
Диод
Кол-во
0
?
16
PP362-3702100
Основание с выводами и клеммами в сборе
Кол-во
0
?
17
7X-1598
Винт крепления кронштейна к скобе
Кол-во
0
?
18
Вк14-3708053
Скоба
Кол-во
0
?
18
ВК14-3708053
Скоба
Кол-во
0
?
19
PP362-3702113
Кронштейн
Кол-во
0
?
20
PP24-3702006
Втулка амортизационная
Кол-во
0
?
21
РР362-3702510-Ж
Панель с сопротивлениями в сборе
Кол-во
0
?
22
МЛТ-2-62 0М±5%
Резистор
Кол-во
0
?
Есть готовая заявка? Отправьте ее нам!
Если у вас уже есть список необходимых запчастей, загрузите файл с ним или укажите артикулы и названия запчастей в поле Комментарий, а также оставьте свои контактные данные. В течение рабочего дня мы оценим вашу заявку и отправим вам коммерческое предложение.
Отдел продаж

Если у вас уже есть готовая заявка на запасные части, то просто прикрепите файл с ней либо в поле «Комментарии» напишите артикулы и названия необходимых вам запчастей и оставьте контактные данные.

В течение рабочего дня мы выполним расчёт по вашей заявке и направим вам коммерческое предложение.

Только один файл.
Ограничение 128 МБ.
Допустимые типы: txt, rtf, pdf, doc, docx, odt, ppt, pptx, odp, xls, xlsx, ods.
пример: 89511234567 или +79511324567
Отправляя форму вы подтверждаете согласие с политикой обработки персональных данных.