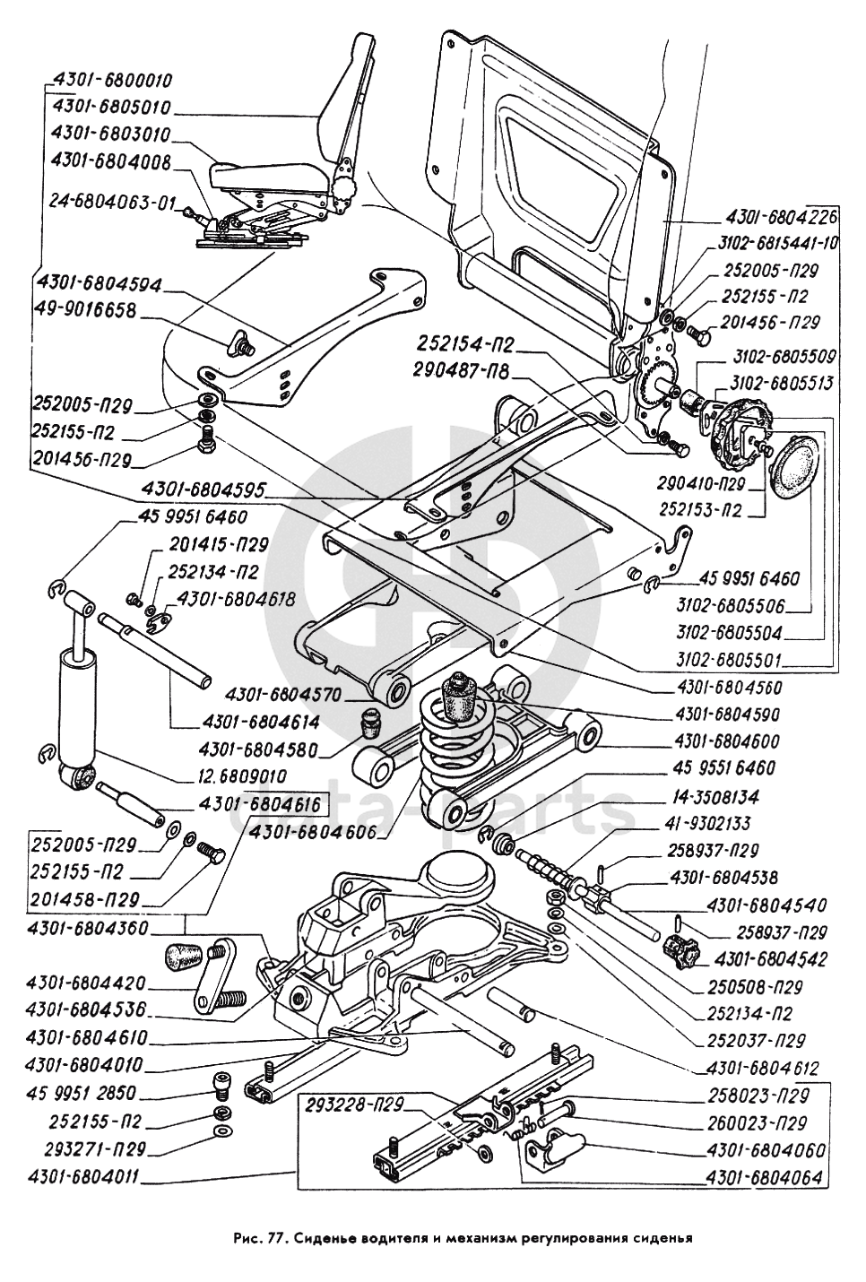
Сиденье водителя и механизм регулирования сиденья ГАЗ-3309

None
252005-П29
Шайба 8 ОСТ 37.001.144-96
Кол-во
0
?
None
4301-6804580
Буфер подвески сиденья водителя
Кол-во
0
?
None
4301-6804590
Буфер пружины подвески сиденья водителя
Кол-во
0
?
None
14-3508134
Втулка
Кол-во
0
?
None
4301-6804060
Защелка салазок сиденья водителя
Кол-во
0
?
None
4301-6804560
Кронштейн рычагов подвески в сборе
Кол-во
0
?
None
4301-6804538
Кулачок регулирования жесткости
Кол-во
0
?
None
4301-6804008
Механизм регулирования сиденья водителя в сборе
Кол-во
0
?
None
4301-6804360
Основание механизма регулирования в сборе
Кол-во
0
?
None
4301-6804540
Ось кулачка регулирования жесткости
Кол-во
0
?
None
4301-6804614
Ось амортизатора верхняя
Кол-во
0
?
None
4301-6804610
Ось шарнира подвески длинная
Кол-во
0
?
None
4301-6804612
Ось шарнира подвески короткая
Кол-во
0
?
None
12-6809010
Амортизатор сиденья в сборе
Кол-во
0
?
None
250508-П29
Гайка М6-6Н ОСТ 37.001.124-93
Кол-во
0
?
None
252154-П2
Шайба 6Л ОСТ 37.001.115-75
Кол-во
0
?
None
252134-П2
Шайба 6Т ОСТ 37.001.115-75
Кол-во
0
?
None
252155-П2
Шайба 8Л ОСТ 37.001.115-75
Кол-во
0
?
None
201458-П29
Болт М8-6gх25 ОСТ 37.001.123-96
Кол-во
0
?
В наличии
10 ₽
None
4301-6804226
Держатель спинки в сборе
Кол-во
0
?
None
4301-6804595
Кронштейн угловой регулировки подушки левый
Кол-во
0
?
None
4301-6804594
Кронштейн правый
Кол-во
0
?
None
4301-6803010
Подушка сиденья водителя и переднего сиденья в сборе
Кол-во
0
?
None
4301-6800010
Сиденье водителя в сборе
Кол-во
0
?
None
4301-6805010
Спинка сиденья водителя и переднего сиденья в сборе
Кол-во
0
?
None
49-9016658
Стопор
Кол-во
0
?
None
3102-6815441-10
Шарнир спинки сиденья водителя в сборе
Кол-во
0
?
None
290487-П8
Болт М6-6gх12
Кол-во
0
?
None
4301-6804616
Ось амортизатора нижняя
Кол-во
0
?
None
260023-П29
Палец 6х48
Кол-во
0
?
None
201415-П29
Болт М6-6gх10 ОСТ 37.001.123-96
Кол-во
0
?
None
24-6804063-01
Рукоятка фиксатора
Кол-во
0
?
None
258023-П29
Шплинт 2,5х12 ОСТ 37.001.171-93
Кол-во
0
?
None
252153-П2
Шайба 5Л ОСТ 37.001.115-75
Кол-во
0
?
None
252037-П29
Шайба 6 ОСТ 37.001.144-96
Кол-во
0
?
None
45 9951 6460
Шайба 7
Кол-во
0
?
None
201456-П29
Болт М8-6gх20 ОСТ 37.001.123-96
Кол-во
0
?
None
3102-6805506
Заглушка ручки
Кол-во
0
?
None
3102-6805509
Кольцо тормозное
Кол-во
0
?
None
3102-6805501
Ручка шарнира
Кол-во
0
?
None
3102-6805504
Усилитель ручки шарнира
Кол-во
0
?
None
3102-6805513
Шайба стопорная
Кол-во
0
?
None
45 9951 2850
Винт М8-6gх16
Кол-во
0
?
None
258937-П29
Штифт 4х22
Кол-во
0
?
None
4301-6804618
Шайба фиксационная
Кол-во
0
?
None
41-9302133
Пружина
Кол-во
0
?
None
4301-6804064
Пружина защелки
Кол-во
0
?
None
4301-6804606
Пружина подвески сиденья водителя
Кол-во
0
?
None
4301-6804542
Ручка регулирования жесткости подвески сиденья
Кол-во
0
?
None
4301-6804536
Рычаг механизма регулирования по высоте
Кол-во
0
?
None
4301-6804570
Рычаг подвески передний в сборе
Кол-во
0
?
None
4301-6804600
Рычаг подвески задний в сборе
Кол-во
0
?
None
4301-6804011
Салазки сиденья водителя левые в сборе
Кол-во
0
?
None
4301-6804010
Салазки сиденья водителя правые в сборе
Кол-во
0
?
None
4301-6804420
Стержень с ручкой
Кол-во
0
?
None
293271-П29
Шайба 8
Кол-во
0
?
None
293228-П29
Шайба б
Кол-во
0
?
None
290410-П29
Болт М5-6gх20
Кол-во
0
?
Есть готовая заявка? Отправьте ее нам!
Если у вас уже есть список необходимых запчастей, загрузите файл с ним или укажите артикулы и названия запчастей в поле Комментарий, а также оставьте свои контактные данные. В течение рабочего дня мы оценим вашу заявку и отправим вам коммерческое предложение.
Отдел продаж

Если у вас уже есть готовая заявка на запасные части, то просто прикрепите файл с ней либо в поле «Комментарии» напишите артикулы и названия необходимых вам запчастей и оставьте контактные данные.

В течение рабочего дня мы выполним расчёт по вашей заявке и направим вам коммерческое предложение.

Только один файл.
Ограничение 128 МБ.
Допустимые типы: txt, rtf, pdf, doc, docx, odt, ppt, pptx, odp, xls, xlsx, ods.
пример: 89511234567 или +79511324567
Отправляя форму вы подтверждаете согласие с политикой обработки персональных данных.